کلینیک فوق تخصصی دانش آموخته  لوله کشی صنعتی  ۸۳-۸۴ ( نفت و گاز ) -  مایترکاری

کلینیک فوق تخصصی دانش آموخته لوله کشی صنعتی ۸۳-۸۴ ( نفت و گاز ) - مایترکاری

سایتی نو و نخست برای ارائه راهنمای ساخت انواع شابلون پایپینگ به Fabricator ها و بالا بردن دانش ریاضی ایشان
کلینیک فوق تخصصی دانش آموخته  لوله کشی صنعتی  ۸۳-۸۴ ( نفت و گاز ) -  مایترکاری

کلینیک فوق تخصصی دانش آموخته لوله کشی صنعتی ۸۳-۸۴ ( نفت و گاز ) - مایترکاری

سایتی نو و نخست برای ارائه راهنمای ساخت انواع شابلون پایپینگ به Fabricator ها و بالا بردن دانش ریاضی ایشان

Double wye branch یا انشعاب دابل Y ( چهارراهه )



۲۷ دقیقه پیش · توهین به مهسا امینی در تلویزیون؛ «نفله شده دختر کرد سنی» (فیلم) ... این استاد دانشگاه گفت: در اعتراضات سال ۱۴۰۱، پیش بینی دشمن این بود که وقتی این

۵ شهریور ۱۴۰۳ ( بکار بردن لغت نفله برای یک هموطن !!! از یک استاد وابسته به نظام بعید نبود )

این استاد دانشگاه گفت: در اعتراضات سال ۱۴۰۱، پیش بینی دشمن این بود که وقتی این اتفاق رخ می‌دهد و جوانان برای ... «نفله شدن» یک دختر خانم کرد سنی وارد میدان می‌شوند، نظام مجبور است که به خشونت متوسل شود.





شکل زیر  دارای یک هدر و سه برنچ است برش های فارسی بُری زده می شوند تا بهم Fit شوند .

- هدر : بصورت فارسی بر ۲۲.۵ درجه

- دو انشعاب ۴۵ درجه : سمت هدر ۲۲.۵ درجه و سمت دیگر ۶۷.۵ درجه

- برنچ واسط : دو طرف ۶۷.۵ درجه 










اینم حجاب اختیاری در یه اجتماع خصوصی بگیم بهتره تا عمومی در دهه اول شهریور ۱۴۰۳ چهارشنبه




روحش شاد و یادش گرامی ( شهریور ۱۴۰۳ )

چرا فقط چند نفر بر پیکر زهره حمیدی نماز خواندند از www.instagram.com
۱۱ ساعت پیش · تلخ و غریبانه... فقط حدود ده نفر بر پیکر مرحومه زهره حمیدی نماز خواندند روحش شاد ویدئو از روح اله بالش آبادی. more.




سال ۱۳۵۹ پارک ملت 


در حاشیه‌ی تخریب رستوران‌های پشت پارک ملت یکی از مامورین کلانتری ۲ می‌گفت: «روزانه بین ۱۰ تا ۱۵ پرونده از جمله عمل لواط، کشف دختران فراری، خرید و فروش مواد مخدر و مشروبات الکلی که مربوط به این محل بود در کلانتری تشکیل می‌شد.»

یکی از رستوران‌ها متعلق به زنی بود که از دختران خود به عنوان گارسون در آن محل استفاده می‌کرد!

در پشت‌ یکی از رستوران‌ها یک استخر بزرگ ایجاد شده بود که مورد استفاده‌ی مشتریان قرار می‌گرفت.

بعضی از رستوران‌ها بیش‌تر شبیه «عشرتکده» بود.






ضرورت خروج افاغنه از ایران




فرمانده انتظامی تهران بزرگ تاکید کرد که اتباع بیگانه ای که در داخل کشور و به خصوص تهران هستند باید مجوز داشته باشند و اگر نداشته باشند باید از کشور خارج شوند.




۴- قوانین تابعیتی کشور در مسیر جلوگیری از سوء‌استفاده و دست‌اندازی بیگانگان به تابعیت و شناسنامه ایرانی مورد بازنگری و اصلاح قرار گیرد. ۵- اجازه تعدی و ...


سهولت ورود به ایران به قدری افزایش یافته که شبکه‌های قاچاق انسان برای جذب مشتری و درآمد بیشتر اقدام به اضافه کردن پیشنهادهای شغلی و اقامتی برای مشتریان خودشان



۲ مهر ۱۴۰۲ · حسن همتی در گفت‌و‌گو با شفقنا در خصوص ضرورت ساماندهی اتباع خارجی، اظهار داشت: بنده مخالف ورود اتباع غیر مجاز به کشور هستم و این مساله بیشتر



با سلام. پارسال ی واحد از منزلم را به 3 افغانی (مجردی) اجاره دادم، امسال بهشون گفتم خالی کنید، ولی خالی نمیکنن، میخوام بدونم که از پلیس 110 میتونم برای



۶ خرداد ۱۴۰۳ · مطابق با قوانین ایران، انجام معامله خرید و فروش املاک با اتباع خارجی ممنوع محسوب می‌شود اما اجاره دادن املاک به آن‌ها، با مشکلی روبرو نیست



رئیس اتحادیه مشاوران املاک در گفتگو با «بازار»: اجاره مسکن به افغانستانی های غیر مجاز ممنوع است| چرا همه اتفاقات به حساب املاکی ها نوشته می شود! خسروی، رئیس 



۴ روز پیش · فرمانده مرزبانی فراجا گفت: اتباع بیگانه غیرمجاز باید تا پایان سال از کشور خارج شوند



۲ ساعت پیش · در بخشی از این بیانیه با تاکید بر اینکه «با توجه به تمرد عوامل شرکت خصوصی کنسرسیوم ریلی» از قوانین جمهوری اسلامی ایران و «قصد آنها برای سیر بدون



۱۲ مرداد ۱۴۰۳

طی روز‌های گذشته عوامل مرتبط با شرکت خصوصی کنسرسیوم ریلی افغانستان، دست به اقدامات غیر قانونی در حریم ریلی جمهوری اسلامی ایران زد که پس از ممانعت همکاران فنی و حفاظتی راه آهن جمهوری اسلامی ایران، متاسفانه عوامل این کنسرسیوم، پرسنل راه آهن ایران را ضرب و شتم نموده و شیشه خودروی آن‌ها را نیز خرد کردند.



سردار محمدیان فرمانده انتظامی تهران بزرگ در نشست خبری گفت: اتباع بیگانه که داخل کشور هستند باید دارای مجوز باشند، اگر مجوز اقامت نداشته باشند یعنی حضور غیر مجاز و کسانی که این‌ها را به کار می‌گیرند جرم مرتکب شدند و مشمول جریمه‌های سنگین توسط اداره کار می‌شوند.




۱۱ شهریور ۱۴۰۳ 


امانی با بیان اینکه پس از املاک فرسوده، حضور گسترده اتباع بیگانه یکی دیگر از مشکلات محلات تهران از جمله محله اتابک است، اظهار کرد: رئیس شورای شهر تهران دو مرتبه مکاتبه با وزیر کشور داشته و در مورد حضور اتباع در محلات توضیح دادند و این موضوع را به وزیر کشور منعکس کردند و نکته جالب این است که تعدادی از زنان اتباع گالون‌های ۲۰ لیتری بنزین دارند و سرچهارراه به موتوری‌ها بنزین می‌فروشند و این مسئله جای تعجب است.



در خصوص کار حضور اتباع بر اساس نیاز کشور صورت می‌گیرد که وزارت‌خانه‌هایی مانند کار و رفاه اجتماعی بایستی مشاغل مشخصی را برای اتباع تعیین کنند. همچنین تعداد مورد نیاز واحدهای تولیدی، خدماتی، صنعتی و معدنی باید تعیین شود و بحث‌های اسکان و آموزش و مسائل درمانی و خدماتی دیگری که وجود دارد توسط کسانی که کارفرما می‌شوند و یا شرکت‌های که اطلاعاتی را درباره اتباع در اختیار می‌گیرند و خدمات برای اقامت‌شان ارائه می‌کنند، باید تعیین تکلیف شود.


۲۳ شهریور ۱۴۰۳ 


این سازمان تروریستی ( داعش )در بیانیه‌ای در کانال تلگرامی خود اعلام کرد تروریست‌های آن در حمله‌ای در مرکز افغانستان ۱۵ شیعه را به شهادت رسانده و ۶ تن دیگر را زخمی کردند.

خبرگزاری فرانسه نیز به نقل از یک منبع در ولایت «دایکندی» گزارش داد که «این حمله ۱۴ کشته و چهار زخمی بر جای گذاشته است.»


طبق گزارش الجزیره، همچنین وبگاه خبری محلی «طلوع نیوز» به نقل از منابع گزارش داد که تعداد شهدای این حمله تروریستی به ۱۴ نفر رسیده است.








۶ ساعت پیش · او گفت: ظفرقندی از مجلسی رای اعتماد می‌خواهد که آن را مشروع نمی‌داند، او گفته که انتخابات مجلس مهندسی شده است و همه ما مشروعیت نداریم. کاش برای ...







فروردین ۱۴۰۳ : خودکشی پزشک متخصص قلب خانم دکتر بخشی / وفات مشکوک خانم سارا تبریزی


اسکافُلد اول جایگاه مسئولین و آقازاده هاشون عید فطر ۱۴۰۳



Humans are always changing


منصور ارضی در مناجات دیشب مسجد ارک به شدت از علیرضا پناهیان انتقاد کرد. ( فروردین ۱۴۰۳ )

به گزارش «انتخاب»، ارضی گفت: آی کسی که بالای منبر می گویی پیامبر گوشت تلخ بوده، بیچاره خواهی شد، عاقبت به خیر هم نمی شوید.





رواج ناهنجاری به نام Blind Date  ( قرار ناشناس ) در ایران : قرار ملاقات مرد و زنی که همدیگر را نمی شناسند (معمولا از سوی خویشان یا دوستان ترتیب داده می شود)، قرار ملاقات میان زن ومردی که همدیگر را نمی شناسند.







"قلم" همان وسیله ‏ای است که خداوند با آن تعلیم کرد. پس هشدار که قلم را به خواهش‏ هایمان نیالاییم و بی‏حرمتش نسازیم



پروردگار گناهان زنانیکه زایمان می کنند و درد فرزندآوری را به جان می خرند می بخشاید به راستی که تنها او بخشایشگر است.



hamsan.tebyan   همسان گزینی اسلامی



عصر ۱۳ فروردین ۱۴۰۳ ( حدود ۷ نفر کشته )

بر اساس گزارش خبرگزاری دانشجو، سردار سرتیپ پاسدار محمد رضا زاهدی از فرماندهان ارشد نیروی قدس سپاه پاسداران در حمله جنگنده های اسرائیل به ساختمان کنسولگری جمهوری اسلامی ایران در دمشق به شهادت رسید.





هفت نفر از شهدای حمله اسرائیل به سفارت ایران ، نیرو‌های سپاه، سه نفر سوری و یک نفر دیگر لبنانی بودند.


آنها احتمالا به دنبال یک هدف دردناک و منزوی هستند که منجر به تشدید تنش منطقه‌ای نمی‌شود، اما تلفات بی‌رحمانه‌ای خواهد داشت. بمباران سفارت اسراییل در آرژانتین در سال 1992 پس از ترور عباس موسوی دبیرکل حزب الله (که قبل از حسن نصرالله بود) مثال مناسبی از تاریخ است.



۱۴ فروردین ۱۴۰۳ دو نفر از تروریست‌های وابسته به گروه تکفیری داعش خراسان که قصد ورود به حرم مطهر حضرت فاطمه معصومه(س) را داشتند، دستگیر شدند.



جمهوری اسلامی دزدپرور 

مدیرکل زندان‌های استان تهران می‌گوید محمدرضا رحیمی معاون اول دولت دهم از زندان آزاد شده است.

مصطفی محبی در گفت‌وگو با ایسنا در این باره اظهار کرد: آقای رحیمی 28 اسفند سال 96 با پذیرش آزادی مشروط از زندان آزاد شد.



خانه از پای بست ویران است 


لیست سیاه وزارتخانه




زندگی‌نامه پرستو بخشی متولد ۱۳۶۸ در تهران بود که پدر و مادر خود را چندی پیش از مرگش از دست داده بود و با یکسال تأخیر به طرح اجباری پزشکان اعزام شد.



محمدرضا اسدی عضو هیئت مدیره نظام پزشکی تهران بزرگ در واکنش به این خودکشی در ایکس (توییتر) نوشت: شاید تنها با پیگیری علل خودکشی مرحوم خانم دکتر پرستو بخشی بتوان جلوی دومینوی فاجعه‌بار خودکشی پزشکان و دستیاران که با بی‌توجهی یا سوءمدیریت برخی مسوولان، نظام سلامت کشور را با تهدید جدی مواجه کرده، گرفت تا مانع خودکشی بعدی شد. قطعاً عوامل انسانی دخیل در این امر قابل شناسایی و مجازات هستند.















فانا: علی سلحشور سرپرست اداره کل روابط عمومی و امور بین‌الملل سازمان نظام پزشکی ایران در پی درگذشت دکتر پرستو بخشی متخصص بیماری‌های قلب و عروق در بیمارستان نورآباد دلفان در مطلبی با عنوان "این حجم از افسردگی میان جوان پزشکان بی‌سابقه است!" در صفحه شخصی خود در اینستاگرام نوشت: خانم دکتر بخشی پس از دو ترومای بزرگ (از دست دادن پدر و مادر ) و با یک سال تاخیر طرح خود را آغاز کردند. وزارت بهداشت کمکی به جابجایی محل طرح ایشان نکردند (ایشان در لیست سیاه وزارتخانه بودند).





طبق مدارک موجود، خانم سارا تبریزی در تاریخ ۱۸ دی سال ۱۴۰۲ به اتهام استفاده از اسناد و گذرنامه جعلی برای خروج از کشور، بازداشت و پس از طی مراحل تحقیقات پرونده در تاریخ ۲۵ دی گذشته با قرار وثیقه از زندان آزاد می‌شود و از آن تاریخ تا زمان فوتش (دو ماه و ۱۰ روز بعد) مجددا به زندان بازنگشته و تنها برای وی حکم حبس تعلیقی صادر شده بوده است. (حکم حبس تعلیقی به این معنا بوده که تا ۲ سال اجرا نشده و چنانچه نام‌برده ظرف ۲ سال بعد از صدور حکم مرتکب جرم دیگری نمیشد، این حکم منتقی تلقی می‌شود)

بر اساس این گزارش حدود ساعت ۹ و ۴۵ دقیقه صبح روز ۵ فروردین ۱۴۰۳، پدر نام‌برده طی تماس با کلانتری نزدیک محل سکونتشان در شهرستان شهریار استان تهران اعلام می‌کند دخترش از خواب بیدار نمی‌شود و ظاهرا فوت شده است.












الَّذِینَ إِذَا أَصَابَتْهُمْ مُصِیبَةٌ قَالُوا إِنَّا لِلَّهِ وَإِنَّا إِلَیْهِ رَاجِعُونَ ﴿۱۵۶﴾
انصاریان: همان کسانی که چون بلا و آسیبی به آنان رسد گویند: ما مملوک خداییم و یقیناً به سوی او بازمی گردیم.



آیه ۱۷۷ و ۱۷۸ سوره بقره


نیکى (تنها) این نیست که (به هنگام نماز) روى خود را به سوى مشرق یا مغرب بگردانید، بلکه نیکوکار کسى است که به خدا و روز قیامت و فرشتگان و کتاب آسمانى و پیامبران ایمان آورده و مال (خود) را با علاقه‌اى که به آن دارد به خویشاوندان و یتیمان و بیچارگان و در راه‌ماندگان و سائلان و در (راه آزادى) بردگان بدهد، و نماز را برپاى دارد و زکات را بپردازد، و آنان که چون پیمان بندند، به عهد خود وفا کنند و آنان که در (برابر) سختى‌ها، محرومیّت‌ها، بیمارى‌ها و در میدان جنگ، استقامت به خرج مى‌دهند، اینها کسانى هستند که راست گفتند (و گفتار و رفتار و اعتقادشان هماهنگ است) و اینان همان پرهیزکارانند.



اى کسانى که ایمان آورده‌اید! (قانون) قصاص در مورد کشتگان، بر شما (چنین) مقرّر گردیده است: آزاد در برابر آزاد و برده در برابر برده و زن در برابر زن، پس اگر کسى از ناحیه برادر (دینى) خود (یعنى صاحب خون و ولىّ مقتول) مورد عفو قرار گیرد. (یا قصاص او به خون‌بهاتبدیل شود) باید شیوه‌اى پسندیده پیش گیرد و به نیکى (دیه را به ولى مقتول) بپردازد، این حکم تخفیف و رحمتى است از ناحیه پروردگارتان، پس براى کسى که بعد از این (از حکم خدا) تجاوز کند، عذاب درناکى دارد.



علامه طباطبایی می‌نویسد این آیه ( سوره فلق ) و آیه ۱۰۲ سوره بقره نشان می‌دهند قرآن واقعیت‌داشتن سحر و جادو را تصدیق کرده است.

ساحر دست به کارهایى مى‌زند، ولى تمام تأثیر و تأثرات زیر نظر خداست. مى‌توان از طریق پناه بردن به خداوند و استعاذه و توکّل و دعا و صدقه از توطئه‌ها نجات یافت. «وَ ما هُمْ بِضارِّینَ»

ساحران شاید به پول و شهرتى برسند، ولى در قیامت بهره‌اى ندارند. «ما لَهُ فِی الْآخِرَةِ مِنْ خَلاقٍ»



متولد سال ۱۲۶۷ شمسی بود و نامش «میرزا احمد عابد نهاوندی» بود و چون با مردم به زبان شعر و اندرز سخن می‌گفت و اهل‌دل بود به «حاج مرشد» مشهور بود و چون یکی از قدیمی‌ترین چلوکبابی‌های تهران را داشت به «مرشد چلویی» مشهور بود و شاعر هم بود و تخلصش «ساعی» بود و شعرش این بود که: «کو آن کسی که کار برای خدا کند؟/ بر جای بی‌وفایی مردم وفا کند/ هر چند خلق سنگ ملامت بر او زنند/ بر جای سنگ نیمه‌ شب‌ها دعا کند».


درباره خودکشی

اما ممکن است فرد در اثر خشم شدید یا حمله عصبی یا ترس ناگهانی و... دست به خودکشی بزند، ولی به سرعت پشیمان شود، ولی دیگر کار از کار گذشته و عنان کنترل از دست خارج شده باشد و او بمیرد. در این جا اولا واقعا فرد قصد خود کشی نداشته، بلکه جاهلانه و خارج از اختیار و انتخاب مرتکب عملی شده ؛ثانیا از آن هم پشیمان شده و توبه کرده ، چنین فردی به خواست خدا آمرزیده شده ،از دنیا رفته و در آخرت مورد مواخذه نیست و به خواست خدا از رحمت بیکران خدا بهره مند خواهد بود.


شهریور ۱۳۲۰ دریادار غلامعلی بایندر فرمانده نیروی دریایی جنوب، در بازگشت از آبادان با گلوله‌های ناو انگلیسی روبرو شد. ناوچه‌های غافلگیر شده غرق شدند و گروهی از افسران و ناوی‌ها کشته شدند.

بایندر، همراه با سروان ولی مکری نژاد ، برای چاره‌اندیشی و آماده‌باش به ستاد نیروی دریایی جنوب، به سوی خرمشهر به راه افتادند ولی پیش از آن که به خرمشهر برسند، با آتش ناگهانی مسلسل‌های انگلیسی کشته شدند.


خداى متعال در آیه 22 سوره اعراف مى فرماید: «همین که آدم و همسرش از آن درخت ممنوع چشیدند، بلافاصله لباس هایشان از تنشان فرو ریخت و اندامشان آشکار گشت». از این آیه به خوبى استفاده مى شود که آنها قبل از ارتکاب این خلاف، برهنه نبودند بلکه پوششى داشتند که نشانه اى براى شخصیت آدم و حوا و احترام آنها محسوب مى شده که با نافرمانى از اندامشان فرو ریخته است. 




1403/1/18 ( حمله تروریستی به کنسولگری ایران در سوریه و شهادت چند تن از مستشاران )

سپاه پاسداران انقلاب اسلامی در پیامی از حضور حماسی و دشمن شکن ملت ایران در راهپیمایی روز جهانی قدس و آئین های تشییع و خاکسپاری شهدای جنایت اسرائیل دمشق قدردانی و تاکید کرد که پاسخ به مطالبه ملی برای مجازات پشیمان کننده دشمن اسرائیل به فضل الهی تحقق خواهد یافت.


سردار آبنوش، مشاور رئیس سازمان بسیج در واکنش به درخواست‌ها برای پاسخ نظامی مستقیم به اسرائیل در واکنش به حمله به کنسولگری، با اشاره به اینکه از ما سوال می‌کنند که چرا انتقام سخت نمی‌گیرید؟ می گوید: می‌خواهید ما یک موشک بزنیم اسرائیل، بعد اونها هم یک موشک بزنند وسط نماز جمعه!



گفته می‌شود تمامی این دختران که باید دارای قد بلند و زیبا باشند شخصا توسط مقام‌های عالی رتبه کره شمالی انتخاب می‌شوند.

این دختران از داخل مدرسه بیرون آورده می‌شوند و از خانواده‌هایشان دور می‌شوند و باید به نیازهای رهبری کره شمالی رسیدگی کنند.

یکی از استادان دانشگاه در توکیو و آشنا به امور کره شمالی گفته است که یکی از دلایلی که رهبری کره شمالی استفاده از دختران را متوقف کرد این بود که وی به دختران اعتماد نداشت. زنانی که در خدمت پدرش بودند اسرار زیادی را می‌دانستند و به آنها گفته شده بود اگر می‌خواهند نزد خانواده‌هایشان بازگردند، باید قول دهند که این اسرار را فاش نکنند.








عملیات اُپرا (به عبری: מבצע אופרה ) که با نام عملیات بابِل نیز شناخته می‌شود، نام عملیاتی نظامی است که در ۱۷ خرداد ۱۳۶۰ خورشیدی برابر با ۷ ژوئن ۱۹۸۱ میلادی و در جریان جنگ ایران و عراق، توسط نیروی هوایی اسرائیل علیه تأسیسات اتمی عراق به نام اوسیراک صورت گرفت.


در حقیقت عراق تلاش داشت از این نیروگاه برگ برنده‌ای برای خود مهیا کند، ولی در واقعیت این آمریکا بود که با بهانه نابودی این نیروگاه ( اوسیراک )  با لشکرکشی به عراق در ژانویه ۱۹۹۱ به اهداف خود دست یافت.


«کسی که غیبت مسلمانی را کند، وضو و روزه­اش باطل می­شود و در روز قیامت بدبوتر از مردار به محشر حاضر می­شود، به گونه­ای که اهل محشر از آن بو آزرده می­شوند و اگر پیش از توبه بمیرد، در حالی مرده که حرام الهی را حلال دانسته است».

امام صادق(ع)فرمود: «غیبت، اعمال نیک انسان را نابود می­کند، همان گونه که آتش، هیزم را می­خورد».

رسول خدا(ص)فرمود: «هر کس از مرد یا زن مسلمانی غیبت کند، خداوند تا چهل شبانه­روز، نماز و روزه­اش را نپذیرد، مگر اینکه غیبت شونده او را ببخشد».



عصر ایران
۲۱ فروردین ۱۴۰۳
کد ۹۵۷۳۶۲
انتشار: ۰۹:۰۲ - ۲۱-۰۱-۱۴۰۳
خودکشی پرستار ۳۲ساله کرمانشاهی / دبیرکل خانه پرستار: از چند ماه پیش، دیگر قراردادِ این پرستار تمدید نشده بود؛ بعد از آن هم مدتی بیکار ماند
دبیرکل خانه پرستار ادامه داد: ما آمار دقیقی در رابطه با خودکشی پرستاران نداریم، چراکه خودکشی از نظر فرهنگی در جامعه ما مذموم است و خانواده‎‌ها تمایلی به گزارش خودکشی ندارند. از طرفی، چون در صورتِ محرز شدنِ خودکشی برای بازماندگان، مستمری برقرار نمی‌شود، در نتیجه بسیاری تمایلی به بیان علتِ مرگِ عضو خانواده خود ندارند.
یکشنبه، ۱۹ فروردین ماه، برخی از رسانه‌ها از مرگِ خودخواسته‌ی یک جوانِ ۳۲ساله خبر دادند. نامش «ساسان» بود و تا چند ماه پیش به عنوانِ پرستارِ طرحیِ بیمارستانِ امام خمینیِ کرمانشاه، در بخشِ مسمومیت، یعنی همان بخشی که با «خودکشی» در ارتباط است، کار می‌کرد.
 
به گزارش ایلنا، او چند روز پیش، در همان بیمارستان و در یکی از تختهای همان بخش، جان سپرد. دوستان و همکارانش گفته‌اند که «ساسان بعد از عدم تمدیدِ قراردادش و به دلیلِ فشارهای روحی به زندگی خود پایان داده است.» 


حمله تروریستی به ۲ خودروی انتظامی توسط جیش‌الظلم ( ۱۹ فروردین ۱۴۰۳ )

این دو خودرو در حال انتقال عامل اصلی شهادت شهید "شیبک" از سیب و سوران به مهرستان بودند که در مسیر برگشت به سیب و سوران مورد حمله عناصر گروهک جیش الظلم قرار گرفتند.























۲۴ فروردین ۱۴۰۳

عالی‌ترین دادگاه کیفری آرژانتین بار دیگر با تکرار ادعاها ایران و حزب‌الله را عامل بمب‌گذاری در «مرکز همیاری یهودیان» (آمیا) در آرژانتین در سال ۱۹۹۴ معرفی کرده است.
 
به گزارش تسنیم، علی‌رغم آن که جمهوری اسلامی ایران بارها «انفجار مرکز همیاری یهودیان» (آمیا) در بوئنوس آیرس را محکوم کرده عالی‌ترین دادگاه کیفری آرژانتین بار دیگر ادعاهای خود درباره نقش‌آفرینی ایران در این حادثه تروریستی را تکرار کرده است.



۲۶ فروردین ۱۴۰۳ 

( حمله ایران به اسرائیل )

مسکو- ایرنا- رئیس مرکز خاورمیانه موسسه مطالعات استراتژیک روسیه گفت: هرچند اسرائیل می‌گوید که به حمله ایران پاسخ خواهد داد اما به نظر من، ماجراجویی‌های تل‌آویو توسط ایالات متحده که مطلقا به جنگ جدیدی نیاز ندارد،‌ مهار خواهد شد چرا که به انتخاب مجدد جو بایدن به ریاست‌جمهوری آمریکا آسیب می‌زند.


در نشست شورای امنیت، آمریکا و دیگر متحدانش به حمایت تمام‌قد از جنایات بی‌وقفه رژیم صهیونیستی در نوار غزه و تجاوزگری و ماجراجویی نظامی این رژیم علیه کشورهای منطقه پرداختند و پاسخ کاملاً مشروع و قانونی ایران به تجاوز اخیر صهیونیستها به کنسولگری‌اش در دمشق را محکوم کردند.


Must said israel has been defeated


۲۷ فروردین ۱۴۰۳ 


واکنش برخی کاربران به حواشی بازگشت ژیلا صادقی به تلویزیون را بخوانید:( شهروند آمریکا هستم )

* علی احمد نیا، روزنامه نگار: ۱/۵ سال پیش بخاطر پوشیدن کت و دامن در شهر برخورد میشد اما حالا در صدا و سیما شاهد مجری کت و دامنی هستیم! خدایا شکر چه چیزا که ندیدم ما!

* کاربری به نام محمد با استقبال از پوشش جدید این مجری زن نوشت که بههههه!! کت و دامن چه خوب شده!

* الهام نیز از فعالان مجازی اینگونه واکنش نشان داد: خودروها توقیف و جریمه می‌شوند اما در کنارش کت‌ دامن‌ شلوار هم ادامه دارد!

* اکانت توئیتری «ناری» هم درباره پوشش جدید ژیلا صادقی توئیت زد: خدا رو شکر گویا کت دامن هم آزاد شده با همین دست فرمون برن ببینیم چی میشه، خلاصه هدف وسیله رو توجیه می‌کنه دیگه!


۲۹ فروردین ۱۴۰۳

استانبول/ خبرگزاری آنادولو

محمد دهقان، معاون حقوقی رئیس‌جمهور ایران، امروز چهارشنبه در حاشیه جلسه هیأت دولت در جمع خبرنگاران در خصوص آخرین وضعیت کشتی توقیف شده در تنگه هرمز در 13 آوریل توسط جمهوری اسلامی گفت: «این اقدام یک عملیات تلافی‌جویانه در برابر اقدامات آمریکا و صهیونیست‌ها بود».

ایران، این کشتی باری با پرچم پرتغال را مرتبط با اسرائیل می‌داند.






that's not surprising to me


















خانه از پای بست ویران است





روز ۲۱ بهمن ۱۴۰۲ مهرداد بذرپاش، وزیر راه و شهرسازی برای مراسم کلنگ زنی پروژه‌ای به نام "نهضت ملی مسکن" در یکی از روستا‌های استان قزوین حاضر شد، اما روستاییان با برگزاری یک تجمع نسبت به آنچه "تملک فراقانونی مراتع و زمین‌هایشان" خواندند، دست به اعتراض زدند.











شایدشایعه ای برای تخریب آخوند صدیقی  باشد






اسفند ۱۴۰۲ 







مدرسه علمیه امام خمینی تهران در خیابان گلستان شرقی در منطقه یک تهران قرار دارد. این مجموعه در ۲۳ هزار متر زمین شامل برج باغ، ۲۵ واحد آپارتمانی خانه‌های مسکونی برای اساتید ، مسجد، استخر، مجموعه‌ی ورزشی و ساختمان حوزه علمیه است.

کاظم صدیقی اکنون امام جمعه موقت تهران، مؤسس و تولیت حوزه علمیه امام خمینی، نائب‌رئیس شورای مدیریت حوزه علمیه تهران، رئیس سابق دادسرا و دادگاه عالی انتظامی قضات و رئیس ستاد امر به معروف و نهی از منکر است.

صدیقی که روزی گفته بود فقر نتیجه بی‌دینی است و چند روزه از بین می‌رود، راست می‌گفت چون توانسته در مدت 1 سال به این ثروت افسانه‌ای دست یابد.


البته ممکن است این زمین برای فعالیت های اقتصادی و منتفع شدن مردم یا فعالیت های ورزشی رایگان خریداری شده باشد ولی حقا که جای خوش آب و هوایی را این فقرای پیرو علی انتخاب کرده اند . بد نیست مجموعه شهرداری تهران نیز بفکر خط مترویی برای رساندن مردم فقیر به این مجموعه فرهنگی برای بازدید مردم باشند.



ایشان طی نامه ای به دادستان تهران که در رسانه ها هم منتشر شده، توضیحاتی در این باره  داده و نوشته است که امضای او و دیگران را "برای ثبت موسسه"  جعل کرده اند ولی توضیحی درباره نحوه تملک باغ توسط این موسسه نداد.







عبدالله گنجی در شبکه ایکس و در واکنش به نامه کاظم صدیقی به دادستان تهران نوشت:
«نامه حاج آقا صدیقی را حمل بر صحت می‌گذارم علت‌اش این است که پذیرفته است که مدیریت خودش اشکال دارد و آماده پاسخگویی قضایی است و به توجیه و جدل در موضوع روی نیاورده است؛ لذا افشاکننده با هر نیت که سوت زده باشد باید اول توسط خود صدیقی مورد تقدیر قرار گیرد.»


حوزه علمیه امام خمینی بیانیه جدید داد: صدیقی شخصا سند انتقال باغ را امضا کرده است اما نمی دانست دارد به خود و پسرانش منتقل می کند.


عباس عبدی، فعال سیاسی اصلاح طلب در شبکه اجتماعی ایکس نوشت: «حوزه آقای صدیقی در بیانیه دوم، دوباره بر جعل امضا تاکید کرده است. اگر این ادعا درست باشد به منزله تخلف دفترخانه رسمی نیز هست. ولی عجیبه که سازمان ثبت سکوت کرده و از خود هیچ دفاعی نمی‌کند. اگر کس دیگری چنین اتهامی را علیه آنان می‌زد فوری واکنش نشان می‌دادند.»



عصرایران نوشت: در سال ۱۳۸۸ درختان بیشتری قطع می‌شوند و زمین سبز لحظه به لحظه درختان و پوشش سبز خود را از دست می‌دهد و در بخش شمال غربی زمین هم یک پارکینگ خودرو به وجود می‌آید. سال ۱۳۸۹ رسما ساخت مدرسه علمیه امام خمینی آغاز می‌شود و تمام درختان و پوشش سبز زمین کنده و زمین کاملا مسطح شده و از این‌جا به بعد باغ ۴ هزار متری از زمین اصلی جدا شده‌است.








سریال پرحاشیه «هفت سر اژدها» به کارگردانی ابوالقاسم طالبی این روز‌ها از شبکه سه سیما در حال پخش است. برخی کاربران علاوه بر اینکه این سریال سیاسی-امنیتی را برای ماه رمضان مناسب ندانستند، درباره سکانسی از این سریال که در فضای داخلی و به عنوان خانه‌ای در ترکیه فیلمبرداری شده به اظهارنظر پرداختند.

مصطفی قاسمیان (روزنامه‌نگار) در این باره نوشت: «چون منطقی نیست تلویزیون جی‌پلاس را از ایران به ترکیه ببرند، پس احتمالا این لوکیشن در تهران قرار دارد. یعنی در شهر تهران، از این بازیگر خانم بی‌حجاب، تصویربرداری کرده‌اند و در صداوسیما نمایش می‌دهند. خودش یه‌پا «کیک محبوب من» شد!» البته برخی کاربران هم نوشتند این بازیگر زن، خارجی است.










کارگران ایران با شش سال ثابت ماندن حداقل دستمزد در دوران سخت جنگ تحمیلی هزینه اقتصادی قابل توجهی پرداخت کردند؛ اگرچه قرار بود فاصله بین مزد و افزایش سرسام‌آور هزینه‌های زندگی در دوران جنگ، طی مدت کوتاهی پس از آن جبران شود، اما تمام دولت‌های پس از جنگ به وسع خود به این فاصله افزودند؛ بطوری که امروز جبران فاصله بین حداقل دستمزد و هزینه‌های زندگی، صرفاً با معیار قرار دادن نرخ تورم عملاً ممکن نیست.




قبل از اینکه به فکر خرید بیمه عمر البرز باشید، لازم است چند نکته مهم را گوشه ذهن خود نگه دارید:

  • بیمه‌گذار می‌تواند در مدت‌زمان اعتبار بیمه‌نامه، حق بیمه را کاهش یا افزایش دهد؛
  • طرح شوکا بیمه عمر حداقل ۵ و حداکثر ۳۰ سال اعتبار دارد؛
  • ارزش بازخرید بیمه‌نامه در ۵ سال اول منفی است؛ بنابراین، بهتر است که بیمه‌گذاران برای بازخرید آن در پایان سال پنجم اقدام کنند؛ ( یکی از هزینه ها : پرداخت کارمزد نمایندگان است !!! )




۴ فروردین ۱۴۰۲ ( رمضان ۱۴۴۵ )


اداره کل تبلیغات اسلامی استان کرمانشاه ضمن محکوم نمودن هرگونه حرمت شکنی ماه مبارک رمضان با اقدامات شرمباری چون رقص مختلط همراه با کشف حجاب و… در کرمانشاه دروازه ی کربلا و دیار حماسه و جوانمردی و غیرت؛ خواستار برخورد قاطع مسئولین محترم استان با عوامل آشکار و پنهان اینگونه بی حرمتی‌ها است.



گفته آیت الله خامنه ای برای سریالی در سال ۱۳۷۰


واقعاً آدم تعجب می‏ کند که این فیلمنامه ‏نویس، چطور نشسته این فیلمنامه ‏ی به این چرندی را سرهم کرده است! امسال در ایام نوروز سریالی [«سریال میهمان»]را نشان می ‏دادند که ما هم هر شب متأسفانه نشستیم تماشا کردیم! دائماً انتظار داشتم که این سریال به جایی برسد؛ تا اینکه شب آخر تمام شد و به جایی هم نرسید و ما بورِ بور شدیم





دستگیری شاهزاده سرین هتاک به قرآن در البرز فروردین ۱۴۰۲ 






فروردین ۱۴۰۳ - خودکشی پزشک متخصص قلب بعلت فشار کاری



دادستان عمومی و انقلاب دلفان اضافه کرد که گروه‌هایی از تهران برای بررسی فوت دکتر بخشی در حال اعزام به لرستان است و در حال بررسی دقیق نحوۀ انتقال این پزشک از خرم‌آباد به دلفان هستیم.

آزادپور متذّکر شد که اگر در بررسی‌های قضائی مشخص شود که نحوۀ انتقال دکتر بخشی از بیمارستان شهید رحیمی خرم‌آباد به بیمارستان ابن‌سینای دلفان در احتمال خودکشی او اثرگذار بوده‌است با مسببان برخورد قضائی می‌شود.

او بیان کرد که پیکر دکتر بخشی پس از بررسی‌های لازم به داماد خانواده‌شان تحویل شده‌است.



به دلیل بیماری افسردگی 












قیامت 



به نام خداوند رحمتگر مهربان
سوگند به روز قیامت
و سوگند به نفس لوامه و وجدان بیدار و ملامتگر که رستاخیز حق است
آیا انسان مى ‏پندارد که هرگز استخوانهاى او را جمع نخواهیم کرد
آرى قادریم که حتى خطوط سر انگشتان او را موزون و مرتب کنیم
انسان شک در معاد ندارد بلکه او مى‏ خواهد آزاد باشد و بدون ترس از دادگاه قیامت در تمام عمر گناه کند
از این‏رو مى ‏پرسد قیامت کى خواهد بود
بگو در آن هنگام که چشمها از شدت وحشت به گردش در آید
-ماه بى ‏نور گردد
-خورشید و ماه یک جا جمع شوند
-آن روز انسان مى‏ گوید راه فرار کجاست




اگر می خواهی در بهشت باشی یتیم نوازی را فراموش نکن





أَیَحْسَبُ الْإِنْسَانُ أَنْ یُتْرَکَ سُدًى
آیا انسان گمان مى ‏کند بى‏ هدف رها مى ‏شود (۳۶)

 

أَلَمْ یَکُ نُطْفَةً مِنْ مَنِیٍّ یُمْنَى
آیا او نطفه‏ اى از منى که در رحم ریخته مى ‏شود نبود (۳۷)

 

ثُمَّ کَانَ عَلَقَةً فَخَلَقَ فَسَوَّى
سپس بصورت خون‏بسته در آمد و خداوند او را آفرید و موزون ساخت (۳۸)




فروردین ۱۴۰۳ - پل طبیعت
































نمونه ابعاد خم های فارسی بر در دراوینگ استاندارد IPS



رهبر معظم انقلاب با اشاره به درخواست یکی از رؤسای جمهور قبلی آمریکا از مردم ایران برای شرکت نکردن در یکی از انتخابات گذشته، گفتند: آن رییس‌جمهوری، ندانسته به ایران کمک کرد زیرا مردم از سر لج و مخالفت با او، بیشتر و پر شورتر از همیشه در انتخابات شرکت کردند به همین علت آمریکایی‌ها دیگر اینگونه سخن نمی‌گویند ... 


یعنی در ایران همیشه انتخابات از سال قبل پررنگ تر و با شکوهتر بوده ؟؟؟ پس چرا درصدها خلافش رو میگن !!!




 ۱۵ اردیبهشت ۹۶ در اوج رقابت‌های انتخابات ریاست جمهوری، در صراط نیوز افشا کردیم که اسحاق پسر دوم قالی باف در استرالیا تحصیل می‌کند در حالی که پدرش در لیست اموال از پس انداز یک میلیون تومانی گفته بود!



۱۵ بهمن ۱۴۰۲ 

مدیر عامل سازمان تأمین اجتماعی اعلام کرد: ۵۳ درصد بازنشستگی‌ها پیش از موعد است و بار مالی سنگینی به صندوق‌ها وارد کرده لذا بر اساس اقتضای تحولات اجتماعی و افزایش امید به زندگی باید تغییرات رخ می‌داد.


بهترین کتری بدون صدا و مزاحمت 

K & T  کتری 







آیت الله خامنه ای : زنان و مادران خانواده باید اهل خانواده را به شرکت در انتخابات ( مجلس )  وادار کنند. ( لا اکراه فی الدین قد تبیّن الرشد و من الغی )


استاد تمام جوان فیزیک دانشگاه صنعتی شریف : 

۲۲ آذرماه ۱۴۰۲

شریفی زارچی در اکانت شخصی خود در شبکه اجتماعی ایکس،‌ توئیتر سابق نوشت: «دکتر سید اکبر جعفری، جوان‌ترین استاد تمام فیزیک دانشگاه شریف، متخصص مواد کوانتومی و عضو هیات‌مدیره‌ی انجمن فیزیک ایران که در پی حمایت از دانشجویان در وقایع سال پیش احضار و بازجویی شده بود، امروز با ارسال نامه‌ای به اعضای هیات علمی شریف، از استعفای خود خبر داد.»





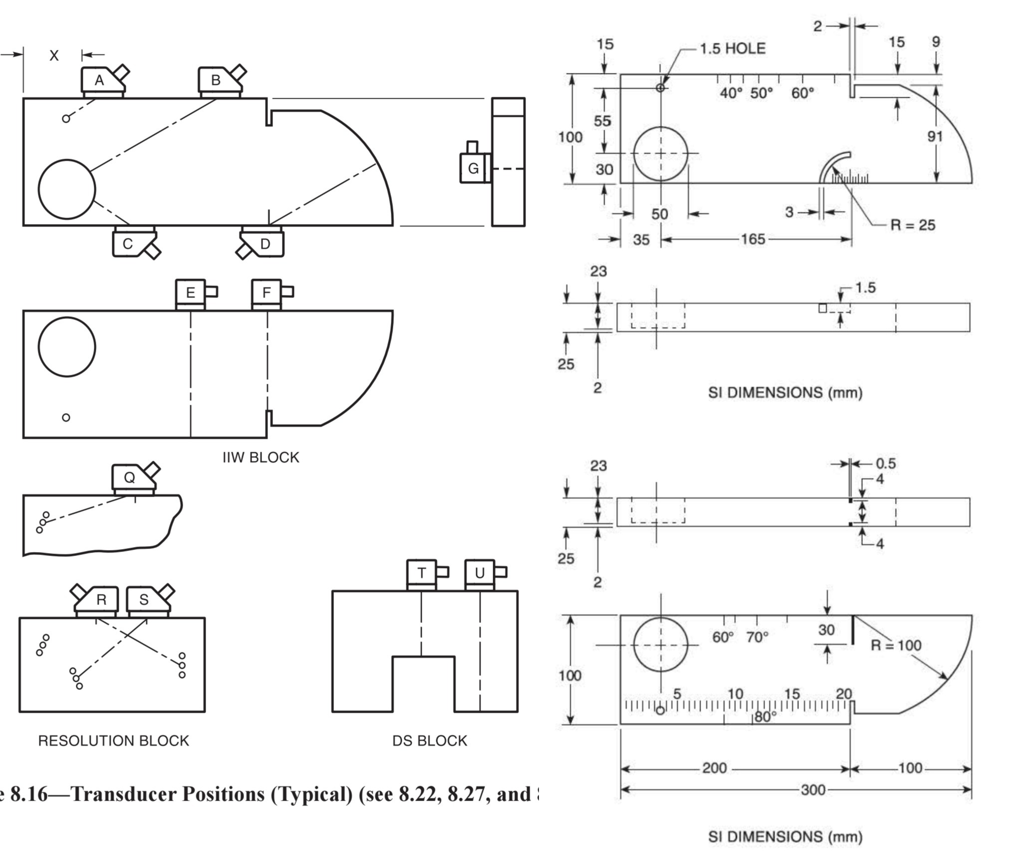
2.2.2.2 Mitre bends 

a) Mitre bends shall not be used where the pressure exceeds 500 kPag (72.5 psig) or  where the stress range reduction factor "f" in  the case of thermal or pressure cycling, would  be less than 1.


500 kilopascals =
5 bar


3 تکه ۹۰ درجه ( دو سر جوش )





۲ تکه ۴۵ درجه ( یک سر جوش )








مرحوم ایرج طهماسب



وام ۳۰۰ میلیونی بانک ملی در آذرماه ۱۴۰۲ : 




۱۳۹۹/۸/۲۸ : سرکرده جیش الظلم توسط پاکستان به هلاکت رسید 

به شهادت رساندن ۱۴ مرزبان ایران در سراوان ، ربودن ۵ مرزبان ایرانی در سال ۹۲ ، ربودن ۱۲ مرزبان در سال ۹۷ و حمله به بالگرد در سراوان و پایگاه بسیج در نیکشهر 



۱۴۰۲/۹/۲۴ :

تعداد شهدای حمله به مقر انتظامی در راسک، به ۱۲ نفر رسید. بر اساس گزارش خبرگزاری فارس، این حملهٔ تروریستی توسط گروهک جیش‌الظلم انجام شد.





۱۳ دیماه ۱۴۰۲ ( حمله تروریستی )


ثارالله انکوتی در گفتگو با گروه اجتماعی پایگاه خبری تحلیلی راه آرمان که از شاهدان عینی موج انفجار ترویستی، گفت: مسیر ورودی به گلزار شهدا از سمت ورودی مسجد فروزی قتلگاه بود.

وی ادامه داد: در موکب مشغول خدمت‌رسانی بودیم که متأسفانه صدای بسیار مهیبی شنیده شد با سرعت خود را به سمت محل حادثه رساندم که زمین را از پیکر شهدا پوشیده دیدم.




وَ لَوْ لا أَنْ یَکُونَ النَّاسُ أُمَّةً واحِدَةً لَجَعَلْنا لِمَنْ یَکْفُرُ بِالرَّحْمنِ لِبُیُوتِهِمْ سُقُفاً مِنْ فِضَّةٍ وَ مَعارِجَ عَلَیْها یَظْهَرُونَ «33»

و اگر نبود که مردم یکسره و یک دست (کافر) مى‌شدند، براى خانه‌هاى کسانى که به خداى رحمن کفر مى‌ورزند، سقف‌هایى از نقره قرار مى‌دادیم و نیز نردبان‌هایى  از سیمین که بر آنها بالا روند.

نکته ها : 

زرق و برق دنیا به قدرى بى‌ارزش است که خداوند در این آیه مى‌فرماید: ما حاضریم دنیا را در حد وفور به کفّار بدهیم ولى چون عقل مردم در چشم آنهاست، اگر به کفّار بدهیم همه به سوى کفر گرایش پیدا مى‌کنند.



آیه ۳۴ : و برای خانه‌هایشان درها و تختهایی (زیبا و نقره‌ای) قرار می‌دادیم که بر آن تکیه کنند






۹ بهمن ۱۴۰۲  ( کاهش ساعات کاری کارمندان دولت ) 



حسینعلی حاجی دلیگانی در مخالفت با این درخواست بیان کرد: اولویت امروز کشور بحث معیشت مردم می‌باشد و بحث ساعت کار اداری از اولویت‌های بعدی است. تعیین و پیگیری دستمزد کارگران و اعتماد سازی اولویت امروز نظام است، نظام خدمات زیادی داشته است که برخی افراد در تلاش هستند تا به آن خدشه وارد کنند.

وی در ادامه اظهار کرد: افزایش قیمت گوشت و سایر کالاها از اولویت‌های دیگری است که ما باید به آن رسیدگی کنیم. همه کارکنان دولت شریف هستند اما آیا همه ملت ایران کارمندان دولت هستند که ما اکنون دو روز در هفته را تعطیل کرده و چهار ساعت از ساعت کاری را کاهش دهیم. آنگاه جواب کارگران را چه باید بدهیم؟ کشور امروز نیاز دارد که فرهنگ کار را تقویت کنیم چرا که همه کشورهای پیشرفته به این سمت رفته اند.










بهمن ۱۴۰۲ : پیگیری دادستانی موجب برداشتن طرح از سایت دیجی کالا شد













کاهنده



هتل آپارتمان رایگان با معرفی نامه مرکز قلب تهران برای شهرستانیها

کمپین مبارزه با اسرائیل >>>>>>>220618

long time no see you

مهر ۱۴۰۲ خطاب به ایران

۹:۰۰ شلیک ۵ هزار موشک به سمت مواضع دشمن صهیونیستی

محمد الضیف، فرمانه گل گردان‌های القسام: ما تصمیم گرفته ایم جنایات رژیم صهیونیستی را متوقف کنیم. زمان ارتکاب جنایت از سوی این رژیم بدون مجازات به پایان رسیده است. در نخستین دور از حملات عملیات طوفان الاقصی دست کم ۵ هزار موشک، مواضع دشمن صهیونیستی را هدف قرار داد.

ای برادران ما در نیروهای مقاومت لبنان، سوریه، عراق و ایران امروز روزی است که جبهه های درگیری حماسه می آفریند. ای برادران ما در الجزایر، مراکش، اردن، مصر و دیگر کشورهای عربی به پا خواسته و به این درخواست لبیک بگویید.


مهر ۱۴۰۲ ، مترو شهدا:

علی مجتهدزاده، وکیل دادگستری، در مطلبی با عنوان «بازداشت خبرنگار شرق و بن‌بست روایت‌های رسمی» درباره ماجرای عجیب بیهوش شدن دختر دانش‌آموز (آرمیتا گراوند) در مترو و بازداشت یک خبرنگار زن نوشت: حتی اگر بپذیریم که روایت رسمی در این خصوص سراسر درست و بی‌نقص بوده، اما به نظر می‌رسد باید به بخش زیادی از افکار عمومی برای احساس بی‌اعتمادی به این روایت و عدم پذیرش آن حق داد. مراجع رسمی قبل از آنکه به دنبال ربط دادن بی‌اعتمادی عمومی به عملیات روانی دشمنان و مخالفان باشند باید به این بیندیشند که چرا جامعه نباید در چنین موقعیتی از خود بپرسد «اگر مشکلی در کار نبوده دلیل بازداشت یک خبرنگار و ممانعت از تهیه گزارش در این رابطه چیست؟»

طبق فیلم پخش شده از مترو (ورود به قطار) درپی افت فشار و برخورد پشت سرش به خط جایگاه یا لبه سکو به کما رفت.نتیجه اخلاقی حتما شکلات بهمراه داشته باشید یا در صورت احساس بی حالی اطرافیان خود را مطلع سازید.به امید بهبود ایشان دعا فراموش نشود .... در پیشینه پزشکی ایشان فقط افت فشار قید شده بدون درج حادثه افت فشار همراه با ضربه به پشت سر!!!


مهلا دوست صمیمی آرمیتا: به یک ثانیه نکشید که آرمیتا به پشت افتاد و سرش به سکو خورد.
















شهریور ۱۴۰۲


مرحومه مهسا امینی وفات در پلیس منکرات تهران بزرگ تحت فشارهای عصبی وارد بر مغز با توجه به عدم خروج کامل تومور مغزی در بیمارستان میلاد در کودکی ... مهسا (ژینا) امینی (۳۰ شهریور ۱۳۷۹ – ۲۵ شهریور ۱۴۰۱) شهروند ۲۱ سالهٔ ایرانی بود که در ۲۲ شهریور ۱۴۰۱ پس از دستگیری از سوی گشت ارشاد در تهران....






کمپین اعزام به فلسطین توسطحزب الله220618



هتل آپارتمان رایگان مرکز قلب تهران 





همان فیش های به ظاهر بی ضرری که هنگام خرید دریافت می کنید، شما را در معرض BPA یا همان بیسفنول A قرار می دهند که یک اخلالگر قوی غدد درون ریز است و می تواند هورمون ها را تحت تأثیر قرار دهد. میزان BPA فیش های خریدی که معمولاً در فروشگاه ها دریافت می کنیم، ۲۵۰ تا هزار برابر بیشتر از میزان BPA موجود در غذاهای کنسروی است.

بدن می تواند این ماده ی شیمیایی خطرناک را از طریق پوست جذب کند که پس از ورود به بدن می تواند سلامت باروری و دستگاه غدد درون ریز بدن را تحت ثأثیر قرار دهد، امری که ممکن است منجر به رشد موهای ناخواسته شود. BPA در محصولات مختلف از جمله بطری های آب، دستمال سفره و دستمال توالت هم وجود دارد اما تولیدکنندگان زیادی هم هستند که آن را از محصول خود حذف می کنند که این امر با عبارت BPA-free (فاقد BPA) بر روی محصول ذکر می شود.



ورزش نکردن ، خوردن قهوه ، خوردن ماهی زیاد و اضطراب باعث رشد موهای زائد می شود



در این جوابیه آمده است: نمازخانه مرکز قلب تهران پس از فریضه نماز در اختیار همراهان بیمار جهت استراحت قرار دارد. برای بسیاری از همراهان بیماران مراجعه کننده از شهرستان هتل آپارتمان رایگان تهیه و با معرفی نامه مرکز قلب در اختیار آنها قرار می‌گیرد. برای همه همراهان در اتاق بیمارکاناپه تختخوابشو برای استفاده مهیا می‌باشد.

روابط عمومی مرکز قلب تهران تصریح کرد: متاسفانه بسیاری از سایت‌های دیگر به نقل از روزنامه اینترنتی فراز این خبر کذب را منتشر نمودند.( آب پاشی به همراهان بیمار)


زمان جان دادن : 

رو به قبله کردن فرد و خواندن شهادتین 

شخصی که در سکرات موت قرار دارد، به قدری در سرگردانی و تحیر است که چه بسا اسم خود را نیز به یا نمی آورد. او در یک حالت گیجی و تحیر تام است. لذا در روایات متعدد گفته شده که به او کمک بدهید. شهادتین را به این صورت به او تلقین کنید، در کنار او نشسته و آرام آرام نه با داد و بیداد و دعوا و اینطور چیزها که بیشتر او را اذیت کند به او تلقین کنید که بگوید: «لااله الا الله، محمدا رسول الله، علیا ولی الله» پیامبر اکرم(ص) فرمود: این کار را بکنید و حرف های پراکنده دیگر نزنید و سپس فرمود: اگر به این صورت تلقین کنید آن کسی که بر زبان او این کلمات باشد و با اینها از دنیا برود داخل بهشت می شود. البته معلوم است که از روی اعتقاد این کلمات را می گوید و طوطی وار بیان نمی کند.



فرار یک زندانی ۲۳ شهریور ۱۴۰۲

گفته می‌شود؛ علیرضا شهمیری روز دوشنبه 6 شهریور 1402 برای مداوای دندان به دندان‌پزشکی اعزام می‌شود و با فریب مأمور همراهش موفق به فرار می‌شود.

او از متهمان اقتصادی است که سال 1392 به ‌اتهام اخلال عمده و کلان در نظام اقتصادی از طریق قاچاق ارز بازداشت شد. او همچنین به پرداخت 500 میلیارد تومان جریمه نقدی هم محکوم شده بود.


سِیرِ افول




متخصصان تغذیه انگلیس بر این باورند که عصاره قلم گاو، گوسفند و مرغ مملو از آمینواسید، کلسیم و کلاژن است که برای سلامتی بدن، کاهش درد مفاصل، جوان‌سازی پوست، ناخن و مو بسیار موثر است.



شهریور ۱۴۰۲ :

بر اساس این گزارش هوشیاری مردم ولایت مدار و همیشه در صحنه کمالشهر بار دیگر داغ سنگین بر دل بدخواهان این مردم‌ نهاد و توطئه خرابکارانه در نماز جمعه‌ ۲۴ شهریور ماه با تدابیر آگاهانه واشراف کامل اطلاعاتی دستگاه امنیتی و ستاد نماز جمعه خنثی شد.

در این عملیات فردی که با خود یک عدد ساک حاوی مواد منفجره دست ساز به همراه داشت، دستگیر و جهت ادامه تحقیقات وبررسی های دقیق تر تحویل نیروهای امنیتی شد



نحوه برخورد با گروه خرابکار، اوباش و شایعه پراکنان :

به هر حال قرآن می‌گوید: اگر اینها به اعمال زشت و ننگین خود ادامه دهند دستور حمله عمومى و یورش به آنها را صادر خواهیم کرد، تا با یک حرکت مردمى مؤمنان، همه را از مدینه ریشه کن سازیم، و آنها نتوانند دیگر در این شهر بمانند. هنگامى که از این شهر رانده شدند و از تحت حمایت حکومت اسلامی طرد گشتند هر کجا یافته شوند گرفته خواهند شد و به قتل خواهند رسید!


دهه دوم مهر۱۴۰۲:

کانال تلگرامی دولت بهار، رسانه جریان احمدی نژاد در پستی مدعی شد: افرادی که خود را عوامل اطلاعاتی و امنیتی معرفی می کردند، امروز با حضور در فرودگاه امام خمینی (ره) ضمن ضبط گذرنامه دکتر احمدی نژاد و ادعای ممنوع الخروج بودن ایشان، از سفر خادم ملت ایران به گواتمالا ممانعت به عمل آوردند.

احمدی نژاد در پاسخ به دعوت رسمی دولت و دانشگاه گواتمالا عازم این کشور بود تا در سمپوزیوم علمی و پژوهشی درباره مدیریت جامع منابع آب در جهان شرکت کند.

یک ادعا : مهر ۱۴۰۲

سال ۱۴۰۱ :

به نوشته سازمان هواپیمایی، با دستور مقام‌های این سازمان، مسافران به سالن ترانزیت منتقل شدند تا خلبانان جدید برای ادامه پرواز به شیراز اعزام شوند و در نهایت، با اعزام خلبانان جدید، مسافران پرواز در ساعت 16 به وقت محلی، به شهر دوبی پرواز کردند.اکنون منابع امنیتی اسرائیل اعلام کرده‌اند سرباز زن این کشور می‌ترسیده است فاش شود که او در ارتش اسرائیل کار می‌کند.بنا بر گزارش‌ها، در مدتی که او در ایران بوده، سرویس امنیت خارجی اسرائیل، موساد، برای آگاهی از امنیت او، با این سرباز در تماس بوده است.



26 مهرماه ۱۴۰۲


مهر ۱۴۰۲ کرمان

شراره های آتش  مهر ۱۴۰۲


قاتل کارگردان ۸۵  ساله مشهور(  مرحوم مهرجویی )-مهر ۱۴۰۲

روایت اسکندر از شب فاجعه

* اسکندر اینطور روایت می‌کند:

«ما رفتیم از در آشپزخانه وارد شدیم؛ خانم در آشپزخانه و پشت به در نشسته بود و مشغول کشیدن سیگار بود. آرام در را باز کردیم و وارد شدیم . آقای مهرجویی هم روی مبل داشت تلویزیون نگاه می‌کرد.

خانم با دیدن ما ترسید و به سمت اتاق خواب فرار کرد. سعی کرد در را ببندد اما با زور وارد اتاق شدیم. با پارچه و شلواری که همانجا بود دست و دهن خانم را بستیم.»

* داوود می‌گوید من سر خانم را نگه‌ داشتم و اسکندر دو ضربه کشویی چپ و راست محکم و عمیق به ناحیه جلوی گردن همسر مرحومه وارد کرد. و همان دو ضربه تقریبا کار را تمام کرده بود. ضربات آنقدر شدید بوده که دست داوود که سر و گردن مقتوله را نگه‌داشته بود،‌ مجروح می‌شود.

متهم اصلی پرونده که انگیزه خود را کینه از آقای مهرجویی اعلام کرده است او مدعی است از وقتی جارو برقی خانه اش را دزدیدم او از من شکایت کرد وهر چه به او التماس کردم که مرا ببخشد این کار را نکرد بعد از آزادی برگشتم تا پولی را که او به من بدهکار بود بابت کار در باغش بگیرم او منکر شد بعد از آن بود که کینه ام از او بیشتر شد و بعد بابرادر ودو دوستمان نقشه قتل آنها را کشیدیم.

سردار هداوند درباره اقامت غیر مجاز این متهمان در ایران گفت :  این متهمان به‌صورت غیر مجاز ۱۰ سال در ایران اقامت داشتند.



















اپلیکیشن دامی ساپورت نوع Top&Bottom و ساپورت Trunnion


طبق اعلام روابط عمومی ثبت احوال کشور، دریافت هرگونه کپی مدارک هویتی توسط دستگاه های اجرایی و بانک‌ها تخلف و غیرقانونی است.






Contour:خط تراز


‏«محاسبه شابلون دامی ساپورت نوع نصب در بالا و پائین سنتر زانو + ساپورت Trunnion » را در بازار اندروید ببین:



اپلیکیشن دارای جدول ضخامت بوده و می توانید عدد SCH مورد نظر را بدون تایپ کردن انتخاب کنید ... این اپلیکیشن شما را از کشیدن هر بار شابلون بی نیاز می کند فقط کافیست بالاترین نقطه که در ستون Y و اولین ردیف است را از سر لوله گونیا شده به عقب اندازه بزنید ، یک   دایره محیطی از همان نقطه عقب نشینی ترسیم کنید و بقیه نقاط Y رو از همان خط محیطی علامت بزنید سپس نقاط رو بهم متصل کرده و از بیرون از خط باضافه ۳ میل آنطرف تر با احتیاط برشکاری کنید هر چقدر تعداد سنتر بیشتر باشد کار سریعتر انجام خواهد گرفت.ابعاد برای سه تیپ زانویی 90LR ،  45LR    90SR ، 903Dوجود دارد البته در دموی فایل فقط 90LR برای تست کردن و فقط سایز زانویی ۱۰ اینچ داده شده.سایز برنچ یا دامی در تمام سایزها وجود ندارد و فقط از یک سایزی تا نصف سایز زانویی انتخاب شده توسط شما قابل انتخاب است مثلا هیچوقت زیر زانویی ۱۰ اینچ دامی ۲ اینچ قرار نمی دهند سایز معمول آن در پروژه ها متفاوت است ولی معمولا نصف سایز هدر یا زانویی یا یک سایز پائینتر( طبق جزئیات ساپورت ) است.یک باکس E در اپ وجود دارد و این در مواقعی است که نشیمنگاه شمادر جای خود قرار نگرفته باشد و اختلاف ارتفاعی داشته باشد ( در طراحی یا کار نشدن درست Paving ) می توانید با محاسبه و پر کردن این باکس دامی را کمی بالاتر یا پائینتر از سنتر زانویی قرار دهید بجای اصلاح نشیمنگاه برخلاف نوع سنتر که خط مرکزی لوله و زانو در یک راستا است . در صورت می خواهید نوع TOP و BOTTOM را داشته باشید از پ ر کردن باکس E صرفنظر کنید







-قیمت  حدود 50 هزار تومان سالیانه ( برای سال ۱۴۰۲ البته)

-دارای چک باکس محاسبه شابلون Trunnion ( یا برنچ Set-On یا Stub-On )

-دارای باتن انتخاب SCH و نمایش ضخامت طبق جدول ضخامت لوله ها

-دارای چک باکس اعمال نصف ضخامت یا کل ضخامت در محاسبات

-انتخاب سنتر دلخواه تا ۴۰۰ و فقط اعداد زوج

-جدول سنتر زانویی

-جدول ضخامت لوله

-محاسبه وزن و سطح تقریبی لوله و زانویی ۹۰ درجه ... برای جلوگیری از اشتباه ، از تغییر باکس OD بپرهیزید چنانچه قطر شما منطبق بر سایزهای موجود در جدول ضخامت نیست ، شخصا بصورت واقعی سنتر زانویی را البته (۹۰ درجه آنرا ) در باکس مربوطه تایپ کنید ( به طور مثال اگر شما زانویی ۳۰ درجه از ۹۰ درجه لانگ یا شورت یا تری یا فایو لانگ برش دادید می بایست سنتر ۹۰ درجه آنهارا وارد باکس EC کنید و در زاویه عدد ۳۰ را وارد کنید ) در هر صورت با محاسبه اشتباه سنتر زانویی یا عدم وارد کردن درست قطر یا خود سنتر و یا اشتباه در تبدیل متر به میلیمتر در طول لوله ، اپلیکیشن عدد درستی را نخواهد داد چون داده های ورودی شما اشتباه تایپ شده اند ، پس در ورود داده دقت کنید.


http://cafebazaar.ir/app/?id=com.phoenix.dummyleg.pro&ref=share



منظور از Top : خط مرکزی لوله بالا یا سمت راست خط سنتر زانویی قرار میگیرد و مثبت است.

منظور از Bottom : خط مرکزی لوله پائین یا سمت چپ خط سنتر زانویی قرار میگیرد و منفی است.



TOP








کارت به کارت اشتباه : 

درصورت بروز با این مشکل سریعا به بانک طرف حساب مراجعه می کنید و آنها می بایست طبق قانون با تلفن طرف حساب برای بازگشت پول به حساب شما مذاکره کنند در صورت تمرد بانک ، در سامانه شکایت بانک مرکزی شکایت خود را ارسال کنید و در صورت تمرد طرف حساب به شورای حل اختلاف محل خود مراجعه کرده و اقامه دعوی کنید ( با در دست داشتن برگه واریزی و کارت ملی)






برای دفع سمومات بدن و خون سازی می توان ۳ روز ( ۳ استکان  روزانه ) در هفته آب انگور تناول کرد یا مخلوط شیره انگور+شیر+بادام



کنکور تیرماه ۱۴۰۲ : 

برترین‌ها: یکی از کاربرانی که امروز در نوبت دوم کنکور سراسری شرکت کرده بود، درباره برخورد بد مراقبان کنکور نوشته: یکی از عجیب ترین اتفاقای کنکور امروز این بود که تو حوزه نمیذاشتن کسی اب معدنی یا شکلات با خودش ببره و از هرکی میگرفتن مینداختنش سطل اشغال.... در جواب دختری که پرسید بردن اب معدنی یا شکلاتی که خودمون اوردیم چه اشکالی داره گفتن که ممکنه توش انرژی زا باشه... مثلا کسی انرژی زا بخوره کل سوالای کنکورو میتونه جواب بده؟





دهه دوم تیر ۱۴۰۲ : حمله تروریستی به کلانتری ( زاهدان):


دهه دوم تیر ۱۴۰۲







شَق‌ّالقَمَر (به عربی: انشقاق‌القمر ) معجزه‌ای است که در روایات اسلامی، به پیامبر اسلام محمد نسبت داده شده‌است، و گفته شده که ماه به اشارهٔ وی از هم شکافته و دونیم شده‌است و پس از مدت زمان کوتاهی دو نیمه ماه دوباره به هم متصل شده‌اند.


تیرماه ۱۴۰۲ و کارگر در جمهوری پربرکت اسلامی :( خودکشی یک کارگر)


این کارگر ۵۸ ساله که نامش «صدیقی» بوده، با بیش از دو دهه سابقه‌ی کار و در پی اقدام شرکت در تعدیل نیرو به علت مازاد نیروی کار دست به این اقدام زده است.(خودکشی با پرت کردن خود جلوی لکوموتیو )

یک منبع کارگری گفت: با توجه به ماهیت سخت و زیان‌آور کار در راه‌آهن، این کارگر متوفی می‌بایست بازنشسته می‌شد اما به گفته‌ی دیگر کارگران، مدیران شرکت در رد کردن بیمه سخت و زیان آور برای کارگران مجموعه همکاری نکردند.

روابط عمومی شرکت رجا با تایید فوت این کارگر پیمانی شرکت قطارهای مسافری رجا، نسبت به جزئیات این خبر و علت این رویداد اظهار بی‌اطلاعی کرد.


تیرماه ۱۴۰۲ : جاعل حرفه ای 





از صفات بیان شده برای حورالعین در قرآن و بعضی روایات می‌توان چنین استفاده کرد که حورالعین در بهشت بیش از یک همسر ندارد؛ زیرا خداوند در مورد صفات حورالعین می‌فرماید: …نه هیچ انسانی قبل از ایشان (قبل از آن شخص بهشتی) آن‌ها را لمس کرده و نه هیچ جنّی





حسن رحیم‌پور ازغدی، عضو شورای عالی انقلاب فرهنگی در انتقادی تند و عجیب از مقامات وزارت علوم گفت: تا خارجی‌ها نگویند، قبول نمی‌کنیم که یک نفر دانشمند است و بعد سریع می‌گوییم فرار مغزها! میگویم مغز برگرد! آخه الاغ؛ این آدم ۱۰ بار آمده وزارت‌خانه تو، ۳۰ بار آمده کارخانه شما، ۶۰ بار التماس کرد. در نهایت طرحش را دزدیدید. وی در بخش دیگری از سخنان خود گفت: وزیر علوم خلاف منویات رهبری در شورای عالی انقلاب فرهنگی حرف می‌زند؛ کار مملکت دست همین‌هاست که در دولت روحانی هم پُر بود.




بر هرکس  که توانمند باشد حج واجب است و خرج کردن در راه فقرا کراهت دارد.




دل خوش از آنیم که حج میرویم
غافل از آنیم که کج میرویم

کعبه به دیدار خدا میرویم
او که همینجاست کجا میرویم

حج بخدا جز به دل پاک نیست
شستن غم از دل غمناک نیست

دین که به تسبیح و سر و ریش نیست
هرکه علی گفت که درویش نیست

صبح به صبح در پی مکر و فریب
شب همه شب گریه و امن یجیب








۲۸ تیرماه ۱۴۰۲ :


رئیس دانشگاه تهران گفت: اگر ما فرصت تحصیل برای برادران و خواهران  عراقی خود فراهم نسازیم، دشمنان دو ملت این خلا را پر خواهند کرد و سرنوشت روابط آینده دو کشور را رقم خواهند زد. علاوه بر مزایای فرهنگی و اجتماعی، درآمدزایی ارزی ناشی از این تبادل علمی که سرانه شهریه دانشجویی آن در هر ترم بیش از ۱۰ برابر دانشجوی شهریه‌پرداز ایرانی است و بصورت ارزی خواهد بود، نصیب دانشگاه تهران خواهد ساخت تا آن را در زمینه زیرساخت‌های دانشگاه و ارتقای خدمات دانشجویی همچون تغدیه، خوابگاه و ... هزینه نماییم.




آقای دکتر شما اگر جای خالی دارید با نصف قیمت بصورت خصولتی دانشجوی بدون کنکوراز هم وطنان خودمون بگیرید نمیخواد بفکر روابط بین الملل و ضربات از سوی تروریست ها باشید!!!



اواخر تیر ۱۴۰۲ ( جالبیش آیتم سوم در تصویر دستگیرشده ولی بعد آزاد ... ممکنه به قید ضمانت شاید از مرفهین با درد بوده)




«ایلیا ابراهیمی» که کمتر از 9 سال سن داشت، طی روزهای گذشته به دل‌درد مبتلا شده بود و مراجعه به پزشک نیز تشخیص درستی به همراه نداشت تا اینکه شب گذشته راهی اتاق عمل شد و به دلیل ترکیدن آپاندیس و پخش عفونت در بدنش، صبح امروز جان خود را از دست داد.

پسر بزرگتر سعید ابراهیمی کشتی‌گیر است و زیر نظر او در نهاوند تمرین می‌کند.



اواخر تیر ۱۴۰۲


مطابق با تدابیر محدودکننده جدید، اتحادیه اروپا از صادارات قطعاتی که در ساخت و تولید پهپاد به کار می‌روند، به ایران منع شده است. این تدابیر همچنین علیه اشخاصی که حامی و برنامه پهپادی ایران بوده یا در آن دخیل هستند، می‌تواند اعمال شوند و شامل محدودیت‌های مسافرتی و همچنین توقیف اموال می‌شوند.

این تدابیر جدید مکمل سه بسته تحریمی پیشین اتحادیه اروپا علیه اشخاص و نهادهای دخیل در برنامه پهپادی هستند.

شورای اروپا همچنین تصمیم گرفت که شش ایرانی را به دلیل آنچه که "حمایت از تهاجم روسیه علیه اوکراین (با استفاده پهپاد) و همچنین حمایت از سوریه (با استفاده از سیستم ضدهوایی)" خواند به دو لیست تحریمی موجود اضافه کند.


۳۱ تیر ۱۴۰۲

آیت الله آقای حاج شیخ حسن صانعی ( عضو تشخیص مصلحت نظام مقدس ) رحمت الله علیه بار سفر از جهان خاکی بربست و در ماه محرم به رحمت ایزدی پیوست.



اواخر تیر ۱۴۰۲ 



کد خبر: ۷۳۴۳۱۱
تاریخ انتشار: ۲۶ : ۱۵ - ۲۹ تیر ۱۴۰۲

فارس: امروز (پنجشنبه، ۲۰ جولای)، برای دومین بار طی چند هفته اخیر، عاملان قرآن‌سوزی در سوئد، با چراغ سبز پلیس این کشور و پس از دریافت مجوز برای تجمع ضد اسلامی در استکهلم، به قرآن کریم اهانت شد. 

پلیس سوئد روز چهارشنبه (۱۹ جولای) اعلام کرد که برای برگزاری یک تجمع اعتراضی در بیرون سفارت عراق در استکهلم مجوز صادر کرده است. در همین حال، برخی رسانه‌ها گزارش دادند: سازمان‌دهندگان این تجمع اعتراضی قصد سوزاندن مجدد کتاب مقدس مسلمانان را دارند. 

کانال تلگرامی «صابرین» با انتشار تصاویری از اهانت مجدد به قرآن کریم در مقابل سفارت عراق در استکهلم، نوشت که امروز سلوان مومیکا، فردی که در نخستین روز تعطیلات عید قربان پیش در پایتخت سوئد اقدام به آتش‌زدن قرآن کریم کرده بود، خود را به مقابل ساختمان سفارت عراق رسانده و تحت حمایت پلیس سوئد، قران کریم و پرچم عراق را با پای خود لگدمال کرد. 

بر اساس این گزارش، شمار زیادی از مسلمانان نیز خود را به محل اهانت به قرآن کریم رساندند و با شعار «لااله الا الله» به فرد موهن، پاسخ دادند. 







عشق کوفی گر بجنبد 

عالمی رسوا کند






«عبدالله‌بن‌حسن‌بن‌علی»، فرزند امام حسن مجتبی (ع)، نوجوان ۱۱ ساله‌ای بود که در شمار آخرین شهیدانی است که در ظهر عاشورا و پیش از شهادت امام حسین به شهادت رسید.

او وقتی دید امام حسین بر زمین افتاده و در محاصره دشمن است، در دفاع از عموی بزرگوارش به سوی میدان شتافت؛ امام حسین با دیدن او به زینب (س) فرمود: «خواهرم این کودک را نگهدار.» حضرت زینب سعی کرد از رفتنش جلوگیری کند و او را به خیمه بازگرداند، اما او مقاومت کرد و بازنگشت و خود را به امام رساند؛ در این هنگام یکی از سپاهیان دشمن به نام «بحربن‌کعب» به سوی امام حسین آمد و قصد کشتن امام را داشت که آن کودک مانع شد و شمشیر دشمن بر دستش فرود آمد و دستش از بدن جدا شد. در همین هنگام «حرمله بن کاهل اسدی» گلوی عبدالله را هدف قرار داد و او را به شهادت رساند.




تیرماه ۱۴۰۲ و بی خبری خزعلی از گشت ارشاد به دستور حضرت رئیسی


خزعلی که در حاشیه جلسه هیات دولت حضور پیدا کرده بود، زمانی که با پرسش‌های خبرنگاران درباره دستور رییس‌جمهور برای بازگشت گشت‌های مربوط به حجاب در سطح شهر و اینکه این مساله دستور شخص ابراهیم رییسی بوده، روبه‌رو شد، این‌طور واکنش نشان داد: «من چنین دستوری را نشنیده‌ام.»




بازداشت شهره قمر در مردادماه ۱۴۰۲ از سلامتی نتانیاهو تا دعوت به لخت شدن عزاداران








به گزارش خبرگزاری تسنیم از اسلام‌شهر، حوالی ظهر روز تاسوعای حسینی(ع) زائرین حرم مطهر امامزاده عقیل(ع) وجود یک نوزاد را که کنار ضریح مطهر رها شده بود، به خادمین امامزاده اطلاع دادند، با حضور خادمین و با بررسی‌های البسه کودک در نامه‌ای که همراه کودک بود، مشخص شد والدین این کودک 18ماهه به‌علت عدم تأمین مخارج نوزاد وی را در این محل رها کرده‌اند.




انگیسی پایه هفتم-مهر۱۴۰۲










ضریب کاهش استحکام اتصال جوش در کد B31.3



the Weld joint strength reduction factor


در جدول 302.3.5e ضریب کاهش استحکام اتصال جوش یا W برای انواع متریال مشخص شده است.مگر اینکه در دماهای بالا ، استحکام دراز مدت اتصالات جوشی ممکن است کمتر از استحکام طولانی مدت فلز پایه یا Base metal باشد که در این مورد W را می توان بااین جدول تعیین نمود.



1-فقط برای لوله های درزدار ( که جوشی هستند ) قابل اعمال است.

2-W برای لوله های بدون درز یا Seamless یک است.

3-مقدار W در دمای 510 درجه سانتیگراد و پائین تر یک داده شده و 0.5 در 816 درجه سانتیگراد برای همه متریال 


توجه : اگر لوله بدون درز داشته باشید مقدار W همیشه یک است.


فرضا طبق دمای اجزا در جدول بالا برای گروه Carbon یا Alloy استیل بالای 427 درجه سانتیگراد ، ضریب W عددی غیر از یک است . البته برای حداکثر دمای یک متریال باید به جدول A1 یا A1M و یادداشت های بالای جدول رجوع کرد و در موارد لیست نشده به طراح.
















Brief

PBE : Plain Both Ends 

TBE : Threaded Both Ends 

TOE : Threaded One End 

TSE : Threaded Small End 

TLE : Threaded Large End








اپلیکیشن دامی ساپورت نوع TOP یا قرارگیری در شعاع بیرونی زانویی



۱۴۰۲/۲ : وی با بیان اینکه نیازمند بازگشت به تعادل جمعیتی هستیم گفت: سن امید به زندگی در ایران هم اکنون به ۷۴ سال  و نرخ باسوادی هم به ۸۷,۶  دهم درصد رسیده که این سرمایه انسانی به رشد کیفی جمعیت کمک می‌کند.



ابلاغ سال ۹۱ به دانشگاه ها : خودشون جمعیت و تنظیم خانواده و ابزار جلوگیری رو تدریس می کردند ولی الان به ... افتادن ، نان به نرخ روز خوردن همینه و قبل سال ۹۱ آخوندها همچنان خواب بودند و تازه از خواب غفلت بیدار شدند .. امان از دکتر مرندی با سیاست جلوگیری از جمعیتش  

محمد‌حسین یادگاری با اعلام خبر حذف درس تنظیم خانواده در دانشگاه‌ها به مهر گفت: وزارتخانه‌های بهداشت و علوم حذف درس تنظیم خانواده را به دانشگاه‌های خود ابلاغ کرده‌اند. او اظهار کرد: براساس مصوبه شورای‌عالی انقلاب فرهنگی مقرر شده است که دیگر برنامه تنظیم خانواده نداشته باشیم، چون در د‌هه‌های آینده با نیروهای مسن روبه‌رو شده و روی افزایش جمعیت متمرکز می‌شویم.



سیدعلیرضا مرندی، گفت: در آن زمان پاکتی محرمانه مبنی بر اینکه سیاست کنترل جمعیت، سیاست جمهوری اسلامی است به تصویب هیات دولت رسیده بود. وی ادامه داد: تنها علتی که نمی‌شد آن را علنی کرد شایبه این بود که >>>سیاست کنترل جمعیت با اعتقادات مذهبی ما تناقض داشته باشد <<<





محاسبات این نوع دامی با پرداخت وجه سالیانه اندک در بازار قرار داده شد




dummyleg


لایحه جدید قوه قضائیه به مجلس ( خرداد ۱۴۰۲ ) که موجبات مخالفت چادری ها را فراهم کرد :

هیچ‌کس حق ندارد تحت عنوان امر به معروف و یا نهی از منکر نسبت به بانوانی که حجاب شرعی را رعایت نکرده اند مرتکب اعمال مجرمانه از قبیل توهین، افتراء، تهدید و یا ضرب و جرح و یا نقض حریم خصوصی آنان شوند و در صورت اقدام به مجازات مقرر در قانون محکوم خواهد شد»




خرداد ۱۴۰۲ : تخریب مزار خانم مهسا امینی بصورت جزئی



۲ خرداد ۱۴۰۲ : در مترو کسی بلندنشد مجبورشد تکیه گاه معلول بشه





















شب بخیر!!!



سازمان ثبت احوال کشور اعلام کرد که مطابق قانون اگر فردی محل سکونتش تغییر کند باید ظرف مدت ۲۰ روز پس از جا به جایی، آخرین نشانی خود را به سازمان ثبت احوال کشور اعلام کند.

به گزارش ایسنا، برای این تغییر نشانی نیاز نیست که به سازمان ثبت احوال مراجعه کنید بلکه می توانید با مراجعه به سایت سازمان ثبت احوال کشور و سامانه سهیم به نشانی sahim.sabeteahval.ir ، به صورت رایگان آدرس جدید محل سکونت خود را ثبت کنید.



احمد شاه قاجار، آخرین شاه سلسله قاجار نهم اسفند ۱۳۰۸ درست ۴ سال و ۴ ماه پس از خلع قاجاریه از سلطنت ایران در ۳۲ سالگی در پاریس و در تبعید درگذشت. وی دچار اضافه وزن و بیماری کلیوی بود. احمدشاه را در تیرماه ۱۲۸۸ در ۱۲ سالگی برجای پدرش نشانده بودند. او در سال ۱۳۰۲ سه سال پس از کودتای رضا خان، از سلطنت خلع شده بود. احمد شاه به اراده خود به اروپا رفت، اما دیگر به او اجازه بازگشت داده نشد.







۲۵ اردبیهشت ۱۴۰۲ از بم تا خاش :

ربودن دو زن برای فراری یک زندانی به خارج از مرز



در مقابلِ فریاد آزادی و شعارهای رنگارنگِ به اصطلاح، حمایتی از زنان که متاسفانه رنگ و بوی برهنه گرایی می دهد و  این روزها در رسانه های خارجی بسیار به چشم می آید، پلیسِ جوان ما در عمل اثبات کرد که جان شهروندان و به ویژه زنان در جامعه اسلامی در اولویت است؛ بی هیچ شعار،بهانه و چشمداشتی.

پلیس در دل شب از جان خود گذشت تا دو زن گروگان گرفته را نجات دهد، این است تفاوت میان حرف و عمل و ارزش و ضد ارزش.



۲۷ اردیبهشت ماه ۱۴۰۲ :

خبرگزاری مهر نوشت : به دنبال وصول گزارشات مردمی مبنی‌بر مزاحمت و اختلاط تعداد زیادی دختر و پسر جوان در ویلایی در اطراف شهر رودهن، موضوع سریعاً مورد پیگیری مأموران پلیس قرار گرفت.

در این پارتی شرکت کنندگان با مصرف مشروبات الکلی مشغول رقص و پایکوبی و حرمت شکنی بودند که مأموران پلیس جهت دستگیری وارد عمل شده و در مجموع حدود ۲۵ نفر دختر و پسر را دستگیر کردند.

متأسفانه حرمت شکنان به صورت نیمه عریان در استخر ویلایی در حال مصرف مشروبات، مصرف مواد مخدر و اعمال منافی عفت ( تجاوز ؟!!! )  بودند که موجب جریحه‌دار شدن اذهان و افکار عمومی شده بود.



عشق پسر ۱۳ ساله و همکلاسی ۱۲ساله‌اش در انگلستان باعث شد آنها خیلی زود با هم ازدواج کنند، آنها که توانسته‌اند عنوان جوان‌ترین پدر و مادرهای انگلیسی را به دست آورند برای اولین‌بار همدیگر را در دبستان ملاقات کردند و تصمیم به ازدواج با هم گرفتند. نزدیکان این زوج کوچک می‌گویند که آنها علاقه بسیار زیادی به هم دارند و اکنون فرزندشان را با کمک مادرانشان بزرگ می‌کنند.



Soheila azizi



سیر به دلیل خواصی که دارد عنوان یکی از بهترین مواد غذایی در رژیم غذایی را به خود اختصاص داده است.این ماده غذایی یکی از مکمل های خوب برای تسکین و در مان انواع بیماری ها، اختلالات متابولیکی و مشکلات دستگاه تنفسی محسوب می شود.در واقع سیر سرشار از آنتی اکسیدان ها و ترکیبات ضدالتهابی است در نتیجه یکی از بهترین ها برای سلامت قلب و عروق می باشد.

مصرف منظم سیر باعث افزایش نرمی و انعطاف پذیری رگها می شود، مازاد چربی خون را دفع کرده و فشار خون را تنظیم می کند. این ماده غذایی جریان خون به سمت سلولهای بدن را بهبود داده و به پیشگیری از پیری زودهنگام کمک می کند. سیر خواص ضدباکتریایی و ضدعفونی کنندگی دارد تاجایی که حتی به میزان آنتی بیوتیک ها موثر عمل می کند. این ماده غذایی ادرارآور طبیعی است که با احتباس آب در بدن و التهاب بافت ها مقابله می کند. علاوه براین متخصصان به این نتیجه رسیده اند وزن افرادی که به طور منظم سیر مصرف می کنند کمتر از افرادی است که سیر نمی خورند.



هاریش کومار، یک متخصص تغذیه هندی : من به هیچ عنوان به افراد توصیه نمی‌کنم که از ترکیب شیرموز استفاده کنند، زیرا این ترکیب برای بدن مضر است. حتی اگر می‌خواهید شیر و موز را به صورت جداگانه مصرف کنید، باید این نکته را به یاد داشته باشید که اول شیر را مصرف کرده و پس از ۲۰ دقیقه موز را بخورید.

او افزود: حقیقت این است که ترکیب شیرموز باعث به تاخیر افتادن روند گوارش شده و اختلالات خواب را درپی خواهد داشت.














اپلیکیشن محاسبه شابلون دامی ساپورت




abondend poor



لطفا نظرسنجی فراموش نشود


اپلیکیشن محاسبه ابعاد نقاط شابلون دامی ساپورت نوع مرکز به مرکز با در نظر گرفتن یک ضخامت از لوله برای زانویی با شعاع های 90LR ، 90SR و 903D ساخته شده .هر چند نرم افزارهای طراحی مثل  اتوکد یا سالید ورکز و ... دقیقتر هستند ولی همیشه در دسترس یا تخصص همه افراد نیست.این App بصورت اشتراک سالیانه ارائه شده. در اینApp اعداددر ستون Y نقاط ارتفاعی و Cut Back لوله شماست که از سنتر ۰ با نظر به گونیا بودن دقیق لوله عقب نشینی می کنید.دقت کنید طول لوله از بالاترین نقطه برخورد تا نشیمنگاه طبق نقشه توسط خود شما مشخص می گردد و این App صرفا طول نقاط برای زدن شابلون را نمایش می دهد نه طول کلی لوله طبق نقشه ساخت !!!

در پایان شایان ذکر است استفاده از یک ضخامت برای زدن شابلون از پاراگراف Miter bend و فرمول آن در کد B31.3 اقتباس گردیده در صورتیکه نمی خواهید ضخامت را لحاظ کنید باکس ضخامت را خالی بگذارید و چنانچه می خواهید دو ضخامت در محاسبات دخیل باشند ضخامت ورودی را دوبرابر بدهید. تمام استدلال ما در این وبلاگ تماما مبتنی بر استاندارد Asme است. 


محاسبه شابلون دامی ساپورت نوع مرکز 



در این App جدول ضخامت لوله و همچنین سنتر البو ضمیمه شده که می توانید استفاده کنید.زمان انتخاب سایز زانو  ( البته در خرید اشتراکی : نمایش کلیه سایزها در زانو ) سایزهای لیست شده در لوله محدود است ( طبق عرف در پروژه ها سایز لوله دامی معمولا نصف سایز زانو یا کمی کمتر است مثلا برای زانوی ۲۴ اینچ هیچوقت از لوله ۶ اینچ استفاده نمی شود !!!



برای استفاده از تمامی سایزها می توانید اشتراک سالیانه را خریداری نمائید . در صورت نصب نشدن روی گوشیهای اندروید ، مدل گوشی و نسخه اندروید را در نظرات در صفحه نصب بازار بیان کنید تا بررسی گردد.








عضو انجمن متخصصین زنان ایران تصریح کرد: وقتی قرص ویتامین D با دوز هزار واحد یا طبق تجویز پزشک هر شب به طور ثابت مصرف می‌شود جلوی تأثیر بد هورمون پاراتیروئید روی استخوان‌های بدن را می‌گیرد.

مشیری تاکید کرد: مصرف انواع داروی تقویتی، مکمل یا ویتامین‌ها مانند شمشیر دو لبه است، ولی اگر درست و در جایگاه خود استفاده شود اثرات سودمندی خواهند داشت؛ مصرف زیاد و یا کمبود آن در بدن آسیب‌های جبران ناپذیر مربوط به خود دارد.

وی در پایان یادآور شد: ویتامین D باید به مقدار مناسب، هر شب مصرف شود تا جلوی تأثیر "سو" هورمون پاراتیروئید بر روی استخوان‌ها گرفته شود.



ملوکسیکام ( البته کسانیکه ناراحتی معده ندارند ) برای افرادی تجویز میشود که دچار مشکلاتی مانند تورم و درد ناشی از التهاب و آرتروز روماتیسمی، آرتروز استخوانی و التهاب های مفصلی و دردهای ناشی از آسیب بافتی هستند.


شعار انگلیسی ها در عدم برگزاری تاج گذاری شاهزاده چالز : ( پرداخت از جیب مردم )

Not My King



آزمایش پروستات

Prostate Specific Antigen (PSA)

1- این تست به چه نام‌های دیگری شناخته می‌شود؟

Total PSA

2- هدف از انجام تست چیست؟

PSA یک پروتئینی است که در درجه اول به ‌وسیله سلول‌های پروستات ساخته می‌شود. پروستات غده کوچکی است که پیشاب راه (urethra) را در مردان احاطه و مایع تشکیل دهنده منی را تولید می‌کند.


بد حجابان در مراسم درگذشت حسام محمودی ۳۷ ساله ( علت سکته در منزل ) ، اردیبهشت ۱۴۰۲



وی گفت: وقتی کارگران ایرانی به دلیل پایین بودن حقوق و دستمزد از فعالیت تولیدی خارج می‌شوند، کارفرما به سمت کارگران مهاجر افغانستانی روی می‌آورد تا خلأ نیروی کار را جبران کند.

عضو کمیسیون اجتماعی مجلس تأکید کرد: دولت و نمایندگان کارگری واهمه دارند مبادا با افزایش بیشتر حقوق کارگران، کارفرما مجبور به تعدیل نیرو شود. در اصل می‌توان با انجام اصلاحات اقتصادی، کاهش تورم و حمایت دولت از واحدهای تولیدی حقوق کارگران را متناسب با تورم افزایش داد و هم اینکه تعدیل نیرو صورت نگیرد.


تغذیه‌ی قبل از بارداری در طب سنتی

طب سنتی نیز به برنامه‌ی تغذیه‌ آقایان قبل از بارداری پرداخته است و تاکید شده است که مصرف سردیجات را کاهش دهند و در عوض از زیتون و روغن آن، نخود آب و آبگوشت و جوشانده‌ی کاسنی برای افزایش طبع گرم در بدن و درنتیجه افزایش باروری استفاده کنند.














شهید الداغی مدافع حجاب و عفاف زنان بی حجاب


مشخصه تیزی در دانشگاه ها هم وجود داره دانشگاه جای تحصیله یا تیزی کشیدن


مهدی عرفاتی فعال رسانه ای در یاداشتی در صفحه اینستاگرامش نوشت: شهید حمیدرضا الداغی هم‌دانشگاهی من بود. اواخر دههٔ هفتاد. من ارتباطات میخوندم و حمید حسابداری(اگر اشتباه نکنم). من بچه مذهبی دانشگاه بودم و اون بچه خوشتیپ دانشگاه. ظاهراً هیچ صنمی باهم نداشتیم. ماجرای آشنایی ما برمیگشت به جنجال و نزاعی که سرِ مسابقات فوتبال دانشگاه به راه افتاد. وسط بازی تیم ما، مدافع حریف یه خطای ناجور روی من کرد. من بلند شدم و اعتراض کردم. بازیکن حریف فحاشی کرد و من یه لحظه خون به مغزم نرسید و درگیر شدم. در کسری از ثانیه، ۷-۸ نفر ریختن رو سر من و کأنه با قاتل پدرشون طرف هستن… زیر مشت و لگد و فحاشی‌ها، حمید رو دیدم که به هواخواهی من وارد معرکه شده و داره یکی پس از دیگری رو می‌نوازه…

تا جایی که یادمه ورزشکار بود و حتی توی مسابقات رزمی هم اسم و رسمی داشت. دعوا که تموم شد متوجه شدم هر دوی ما رو با تیزی نشون کردن؛ من گوش راستم و حمید گوش چپ...










زکات فطریه


فروردین سال ۱۴۰۲



بر اساس اعلام دفتر آیت‌الله حسین نوری همدانی، زکات فطره هر فرد باید حدود سه کیلوگرم گندم یا برنج یا نظیر آن باشد که در رساله عملیه ذکر شده و یا قیمت آن را پرداخت کنند. بر این اساس قیمت قوت غالب گندم ۶۰ هزار تومان و قیمت قوت غالب برنج ۲۴۰ هزارتومان است که افراد در پرداخت آن مخیرند، در ضمن اگر در منطقه محل سکونت اجناس ذکر شده قیمت دیگری دارد باید به قیمت منطقه خود محاسبه کنند. همچنین کفاره غیر عمد برای هر روز ۱۲ هزار تومان و کفاره عمد برای هر روز ۷۲۰ هزار تومان است.





واقعا حضرات حالشون خوبه طرف ۴ نفرن و حقوق بگیر ،  ۷ تومن درآمد دارن اینطوری باشه که باید ۲ میلیون تومن از حقوقشون رو بدن !!! سیداشون که بهشون کمک میشه آخونداشونم حتما درآمد خوبی دارن



کفاره روزه عمدی روزی ۷۲۰ هزار تومان ؟؟؟؟ 



این شد جواب ؟!!! 


سلام علیکم و رحمة الله و برکاته

لازم نیست برای کفاره افطار عمدی پول آن داده شود بلکه اگر شصت روز روزه بگیرید یا اطعام کنید شصت فقیر را یا شصت مدّ طعام به شصت مسکین که سهم هر کدام یک مدّ طعام (تقریباً ۷۵۰ گرم گندم یا نان مثلاً) هم بدهید، کافی است.
توجه داشته باشید این حکم شامل کسی است که عمدا روزه ماه مبارک رمضان را بدون عذر نگرفته است.

موفق و مؤید باشید



معادله : هر روز ۶۰ نفر معادل ۶۰ هزارتومان=۳۶۰ هزار تومان چون دوماه جریمه میشوند باید ۷۲۰ هزار تومان در هر روز ( اطعام فقرا )  کفاره نگرفتن عمدی روزه را پرداخت کرد یا ۶۰ روز روزه گرفت.





به گزارش همشهری آنلاین، مولوی عبدالحمید اسماعیل زهی امام جمعه مسجد مکی زاهدان امروز جمعه یکم اردیبهشت ماه ۱۴۰۲ را در حالی عید اعلام کرد که برخی از علمای برجسته اهل سنت ایران به ویژه امام جمعه اهل سنت چابهار فردا را عید می دانند.

مولوی عبدالحمید اما امروز در خطبه های نماز عید فطر درباره اینکه چرا امروز را عید اعلام کرده است، می‌گوید: ما تابع هیچ کشوری از لحاظ عید نیستیم مسئله فقهی است تا زمانی خودمان رویت نکنیم عید نمی کنیم این را همه می دانند.





به گزارش سایت دیده بان ایران؛ «فرانک هوگربیتس»، محقق هلندی که پیش‌تر زمین لرزه ۷/۸ ریشتری ترکیه را پیش‌بینی کرده بود، نسبت به وقوع زلزله‌ای قدرتمند در ایران بین روزهای ۲۹ تا ۳۰ آوریل ۲۰۲۳ (۹و۱۰ اردیبهشت ۱۴۰۲ ) هشدار داد.

هوگربیتس» قدرت این زلزله را ۶ تا ۷ ریشتر تخمین زده است.



اردیبهشت ۱۴۰۲ : 

اسنپ در اقدام جدید خود به مسافران پیامی با این مضمون ارسال می‌کند:
«مسافر عزیز، راننده بعد از پنج دقیقه انتظار، به دلیل نبودن شما در مبدأ یا در دسترس نبودنتان مجبور به لغو سفر شده است. توجه داشته باشید که در سفر بعدی چنانچه سفر لغو شود، برای جبران خسارت راننده ممکن است ملزم به پرداخت هزینه لغو سفر شوید.»














حجاب


تحلیل خبرگزاری در دفاع از ایشان

https://www.hamshahrionline.ir/amp/758569/


کیهان: مخالفان حجاب آن قدر به مجری برنامه «زندگی پس از زندگی» حمله کردند که کارش به عمل مغز کشید!

در فصل سوم هم وقتی خانم عبداللهی گفت که حجابش کامل نبوده و بعد از این تجربه حجابم کامل شد، در محل کارش چنان طرد شد که خانه‌نشین شد و به ما زنگ زد و ‌گریه‌کنان گفت که بیچاره‌اش کرده‌اند! مسائلی که برای خانم مختارزاده در فصل دوم یا خانم قربانی در فصل سوم هم رخ داد.
کیهان نوشت: مجری و تهیه‌کننده برنامه «زندگی پس از زندگی» گفت که یکی از تجربه‌گران مرگ موقت که در این برنامه از حجاب گفته بود، آن‌قدر مورد حمله مخالفان حجاب قرار گرفت که کارش به عمل مغز کشید!
 
عباس موزون، در یک گفت‌وگوی زنده مجازی گفت: در فصل دوم برنامه که دو سال پیش پخش شد بعد از آنکه خانم نعمت‌اللهی یکی از تجربه‌گران مرگ موقت از این گفت که قبلا حجابش طور دیگری بود و حتی پدرش از حجابش ناراحت بود، وقتی رفتم و برگشتم و آن‌جا نتیجه این کارها را دیدم، حجابم درست شد... در فضای مجازی آن‌قدر به او حمله کردند که همین یکی دو ماه قبل به‌خاطر این حملات، عمل مغز باز انجام داد.
 
وی افزود: در فصل سوم هم وقتی خانم عبداللهی گفت که حجابش کامل نبوده و بعد از این تجربه حجابم کامل شد، در محل کارش چنان طرد شد که خانه‌نشین شد و به ما زنگ زد و ‌گریه‌کنان گفت که بیچاره‌اش کرده‌اند! مسائلی که برای خانم مختارزاده در فصل دوم یا خانم قربانی در فصل سوم هم رخ داد.
 
مجری «زندگی پس از زندگی» افزود: این اتفاقات قبل از جریانات امسال رخ دادند، ما هیچ کدام از این موارد را دستچین نکردیم و اصلا موضوع برنامه ما این نبوده، موضوع برنامه ما عالم غیب است.
 
موزون یادآور شد: خانم خمسه هم مثل موارد قبلی بود و امسال برنامه‌اش پخش شده و کار تحقیق و پژوهشش سال گذشته انجام شده بود؛ مادرش با ما تماس گرفته و گفته که به‌خاطر نظراتی که علیه او نوشتند نگران است.




حضرت علی ـ علیه السّلام ـ فرمودند: روزی من و فاطمه ـ سلام الله علیها ـ به خدمت رسول خدا ـ صلّی الله علیه و آله ـ رسیدیم، در حالی که آن حضرت ـ صلّی الله علیه و آله ـ بسیار گریه می کردند. گفتم پدر و مادرم فدای تو باد ای رسول خدا ـ صلّی الله علیه و آله ـ چه چیز شما را به گریه انداخته است؟

حضرت فرمود: یا علی! شبی که به آسمان برده شدم، عده ای از زنان امّت خود را در عذاب شدید دیدم، پس شأن آن ها را انکار کردم و در این حال به خاطر شدت عذاب آن ها گریه می کنم.

1. زنی را دیدم که به موی سر آویزان شده بود و مغز سرش (از شدت عذاب) می جوشید. « همانا او موی خود را از مردان نامحرم نمی پوشاند.»

2. و زنی را دیدم که از پاهایش در تنوری از آتش آویزان شده بود. «و آن زنی بود که بدون اجازه شوهر از منزل خارج می شد.»

3. و زنی را دیدم که گوشت تن خود را می خورد و آتش از زیرش شعله می کشید.

 « و او آن زنی بود که خود را برای دیگران آرایش و زینت می کرد. (نه برای شوهرش)»

4. و زنی را دیدم که گوشت بدنش از جلو و پشت به وسیله قیچی هایی از آتش بریده می شد. «و آن زنی بود که خود را در معرض دید مردان (نامحرم) در می آورد.»



فروردین ۱۴۰۲

شیخ حسین انصاریان در «پخش زنده» مراسم شب بیست و یکم ماه رمضان از شبکه سه سیما گفت: روی گنهکاران اسم بد و زشت نگذارید؛ خلاف قرآن و حرام است. گناهکار را نترسانید، اگر گنهکاری بازداشت شد، به دروغ نگویید که فردا صبح اعدام می‌شوی. عباد خدا را نترسانید. وحشت در دل او و خانواده‌اش نیندازید.




راوی می‌گوید: به او نزدیک شدم و یک پیرمرد با عبای پشمی را دیدم که در مقام حضرت ابراهیم نشسته بود و شنیدم که می‌گفت: من رئیس راهبان در صومعه هستم. روزی پرنده‌ای شبیه عقاب دیدم که یک قسمت از بدن یک نفر را از حلقومش را بیرون انداخت، پس قسمت دیگرش را بیرون انداخت تا وقتی که آن‌ها تبدیل به یک انسان کامل شدند. پس من از آن شخص سؤال کردم: تو چه کسی هستی؟ هیچ جوابی به من نداد. به او گفتم: تو را قسم می‌دهم به آن کسی که تو را آفرید، به من بگو تو چه کسی هستی؟


او گفت: من ابن ملجم مرادی هستم، به او گفتم تو چه گناهی نموده‌ای که به طور پیوسته تکه‌های بدنت را این پرنده پس می‌اندازد و مجدد از هم جدا کرده و فرو می‌برد؟


به من گفت: من قاتل علی بن ابی طالب هستم، و به خاطر همین خداوند این پرنده را قرار داده تا هر روز با این کار مرا عذاب نماید.


موزه آینده ، دُبی دُبی




پول بیت المال صرف مبارزه با بدحجابی : 


هزینه پیامک‌های حجاب که به صورت کلی در تاریخ ۲۶ فروردین ماه برای مردم ارسال شد، نزدیک به ۲ میلیارد تومان برآورد شده‌است.




(18) و درود بر سفیران بزرگوار نیکوکار و نویسندگان ارجمندی که حافظان اعمال مردم‌اند؛ و درود بر فرشتۀ مرگ و یارانش؛ و منکر و نکیر؛ و رومان، آزمایش‌کنندۀ مردگان قبرها؛ و درود بر طواف کنندگان بیت معمور و بر مالک و خازنان دوزخ و رضوان و خدمتگزاران بهشت.


عبدالله بن سلام می‌گوید که از پیامبر(ص) در مورد فرشته‌ای پرسیدم که پیش از نکیر و منکر به سراغ مردگان می‌رود؟ و آن‌حضرت فرمود: «اى پسر سلام! فرشته‌اى به نام رومان که رویش چون خورشید می‌درخشد، به قبر آمده و به مرده می‌گوید: کردار نیک و بد خود را با انگشت خود به‌جاى قلم و با آب دهان به‌جاى دوات بر قطعه‌ای از کفن خود به‌جاى کاغذ بنویس! وقتی نوبت به کار بد او  می‌رسد، میّت شرم می‌کند. فرشته می‌گوید: اى خطاکار! در دنیا از خدا شرم نکردى و گناه را انجام دادی و اکنون شرم دارى؟! این فرشته همه کار نیک و بد را در آن می‌نویسد و می‌گوید این نامه را مُهر کن. میّت می‌گوید مُهر ندارم. فرشته «رمان» می‌گوید: انگشت بزن و آن‌را در گردنش می‌اندازد تا روز قیامت باقی است، همان‌طور که خدای تعالی می‌فرماید: "و هر انسانى، اعمالش را بر گردنش آویخته‌ایم"[4] سپس منکر و نکیر می‌آیند».[5]


حجاب باید از سینما ، خواستگاه اشاعه فرهنگ شروع شود نه از پاساژها و مترو ... ( حجاب قابل قبول یک ایرانی ) .... خانم خمسه در زندگی پس از زندگی باید یاد بگیرن




همچنین با توجه به حضور بدون حجاب یکی از بازیگران زن ( پانته آ بهرام) و عدم اقدام درست و به موقع مدیریت سینما در کنترل برنامه و عدم هدایت فرد متخلف و قانون شکن به بیرون از فضای سینما، مدیر آن به‌علت ضعف مدیریت از سمت خود برکنار شد.

تخلفات سینمای لوتوس نیز در دست بررسی است که به‌زودی درباره آن تصمیم گیری خواهد شود.




پایگاه اطلاع رسانی «چند ثانیه» نوشت: برمبنای کدام اختیار قانونی، یک امام جمعه دستور پلمب می‌دهد؟ اگر امر امام جمعه را پیشنهاد در نظر بگیریم، پلیس اساسا بر مبنای کدام قانون و قاضی بر مبنای کدام قانون به دلیل ارائه خدمات به یک بانوی بدون روسری دستور پلمب اصناف را می‌دهد؟



آذری جهرمی ( اردیبهشت ۱۴۰۲ نماز عید فطر ) : من شانزده نفر را در این عکس شمردم که چادر مشکی بر سر نداشتند. حتی دیدم چند نفری بدون چادر و با مانتو و روسری نماز را خواندند. عده‌ای را هم دیدم بعد از نماز چادرهای‌شان را تا کردند و توی کیف‌شان گذاشتد. یاد صحبت‌های آقای انصاریان افتادم؛ «این مردم دل‌هایشان با خداست.». رهبری هم فرمودند که: «در یک جامعه سلایق، عقاید و نگاه‌های مختلف به مسائل است. مانعی ندارد در کنار هم همه زندگی کنند، کار کنند.». من مصداق همین جملات را در صفوف مقابل خودم در نماز دیدم؛ چادر سفید، چادر مشکی، مانتو و روسری. این جامعه‌ست. سلایق و عقاید مختلف کنار هم قرار می‌گیرند. 

حالا وظیفه‌ی ما چیست؟ پیامک بفرستیم؟ عکس بگیریم؟ سطل ماست بر فرق یک‌دیگر بکوبیم؟ 




اردیبهشت ۱۴۰۲ : 


تسنیم نوشت: در راستای اجرای طرح مبارزه با بی‌حجابی (قانون عفاف و حجاب) رستوران‌های "زئوس" در سعادت آباد و "چیلای" در بوستان نهج البلاغه توسط ماموران پلیس امنیت پلمپ شدند.

به این دو رستوران قبلا اخطار پلمب به دلیل عدم رعایت قانون عفاف و حجاب داده شده بود، اما فیلم‌هایی که به تازگی از این دو محل در فضای مجازی منتشر شد، نشان‌دهنده عدم رعایت حجاب از سوی مشتریان و کارکنان بوده است.

چندی پیش، لیست رستوران‌هایی که متعلق به سلبریتی‌ها هستند همچنین لیست برخی از مراکز خرید و داروخانه‌هایی که قانون عفاف و حجاب را رعایت نکردند و توسط پلیس اخطار پلمپ گرفتند در خبرگزاری تسنیم منتشر شد.






ساعد نیوز: گردشگر و بلاگر روسی فعال در ایران نوشت: در خیابان‌های شهر می‌توان بلوندهای خوش‌آرام و دخترانی را دید که به‌عنوان سرپیچی از همه قوانین، روسری را روی شانه‌های خود می‌اندازند، و دخترانی را که به شدت حجاب را رعایت می‌کنند


در روایتی که از امام باقر علیه السلام نقل شده است: زنى به نزد رسول خدا صلّى اللَّه علیه و آله آمد و عرض کرد: یا رسول اللَّه حقّ مرد بر زوجه‏اش چیست؟ فرمود: آنکه او را فرمان ببرد و از نافرمانیش بپرهیزد و از مال شوهر (بدون رضاى او) چیزى به فقیر ندهد، و نیز بدون اجازه او روزه مستحبّى نگیرد، و او را از کامیابى مانع نشود هر چند بر جهاز شترى سوار باشد


دادگاهی در لاهه هلند روز جمعه به مردی که به گفته قضات این دادگاه، پدر ژنتیکی حدود 600 کودک و نوجوان در سراسر جهان  است، دستور داد از اهدای اسپرم خود خودداری کند.

به گزارش عصرایران به نقل از رویترز، در حکم دادگاه آمده است که این مرد هلندی 41 ساله که با نام "جاناتان میجر" معرفی شده است، از اهدای اسپرم به کلینیک های داخلی و خارجی منع شده است. دادگاه حکم داده در صورت سرپیچی از حکم دادگاه، برای هر بار 100 هزار یورو جریمه شود. 


اردیبهشت ۱۴۰۲ تهران-نصب فریم فلزی بین زنانه و مردانه


حمیرا در پاییز ۱۳۴۴ خورشیدی با خواندن اثر «صبرم عطا کن» به شهرت رسید. با پخش صدایش در رادیو پدر او را می شناسد و برای حفظ آبرو تمام صفحات موسیقی حمیرا را از بازار می‌خرد و در خانه انبار می‌کند و با تشر جدی حمیرا را از هرگونه فعالیت موسیقی منع می‌کند.

مدتی بعد اما با سفر اروپایی پدر ، دوبار حمیرا با حمایت مادرش آهنگی به نام «سرگردان» را می‌سازد که این‌بار با برگشت پدر او برای همیشه از خانواده طرد و از ارث محروم می‌شود.


شکار دوربین ها و عدم قانون نظارت بر پخش تصاویر بدحجابی : 


سرکارخانم باران کوثری با کلاه گیس در مراسم ختم


شقایق خانم دهقان


در ادامه چشمش به پاکت نامه‌ای افتاد که روی بالش گذاشته ‌شده ‌بود. روی پاکت نوشته شده‌بود، «به پدرم»! در این هنگام  با نگرانی و کنجکاوی پاکت را باز کرد و آن را خواند:

پدرجان!

الان که این نامه را می‌خوانید من کیلومترها از شما دورم. با استیسی، دختری که شما نمی‌شناسید و دوست من است، فرار کرده‌ام. او دختر خوبی است، من می‌خواهم با او ازدواج کنم. می‌دانم که شما او را قبول نمی‌کنید، زیرا النگوها و گوشواره‌های زیادی به خودش آویزان کرده‌است و همه جای بدنش پر از خال‌کوبی است. او چند سال از من بزرگتر است و ما با هم خوشبخت خواهیم شد.

او یک تریلی کنار جنگل دارد و با آن هیزم حمل می‌کند، بنابراین می‌تواند خرج ما را بدهد. استیسی چشمان مرا به حقیقت‌های زیادی باز کرد. 

در ضمن دعا می‌کنم علم آن‌قدر پیشرفت کند که راهی برای درمان ایدز پیدا شود، تا استیسی هم حالش بهتر شود. نگران نباش پدر، من الان ۱۵ سالم است و... من بالاخره یک روز به خانه برمی‌گردم و شما می‌توانید نوه‌های خود را ببینید.


افغانستان طالبانی :

فهیمه، مجری ۲۶ ساله تلویزیونی که در برنامه‌های خبری و سرگرمی، چهره‌ای ترگل‌ ورگل از خود نشان می‌داد، حالا برای تأمین معاش خانواده مجبور به تن‌فروشی شده است. یکی دیگر از کسانی که حالا وادار به انجام این کار شده هم از هجوم رقبای خانواده‌های متوسط به این وادی گفته است: «این کار حالا پرریسک‌تر و مخفیانه‌تر شده است… مخصوصاً که دیگر نمی‌شود به پلیس رشوه داد.»







ابعاد انواع انشعاب در پایپینگ



۱۵ بهمن ۱۴۰۱ : 

وزارت خارجه آلمان در جدیدترین تلاش برای ایران‌هراسی، به شهروندان خود هشدار داد که ایران را ترک و از سفر به این کشور خودداری کنند.

به گزارش گروه بین‌الملل خبرگزاری تسنیم، وزارت امور خارجه آلمان مدعى «خطر جدی دستگیری‌های خودسرانه، بازجویی و حبس‌های طولانی‌مدت برای اتباع آلمانى» شده و در وب‌سایت خود نوشته است که این هشدار شامل شهروندان دوتابعیتی ایرانی نیز می‌شود.



Dummy Support + Mitered Joint  app



فرح دیبا ایرانی نیست


مردم جامعه حق دارند که با این سوال مواجه شوند که چرا یک شخص جوان بدون ضربه مغزی جان باخته است؟ این سوال برای پزشکان نیز به وجود آمده بود اما بررسی سی تی اسکن و پرونده بیمار نشان می دهد مهسا امینی در بیمارستان میلاد جراحی مغز انجام داده است و همه تصاویر نشان می دهد باز کردن جمجمه بیمار از سمت راست مغز برای خارج کردن تومور جراحی انجام شده است و آثار جراحی روی جمجمه مشهود است؛ همچنین قسمتی از تومور نیز در مغز بیمار باقی مانده است.




جمعه ۸ مهرماه ۱۴۰۱ : 


نسرین مقانلو بازیگر سینما و تلویزیون ساعاتی پیش در صفحه اینستاگرامش این خبر را منتشر کرد و نوشت: «بس که دوست داشتی ایران بمونی اومدی پیشم و همین جا ازم جدا شدی و موندگار شدی و رفتی به سفری ابدیت؟ فکر منو نکردی که وجودم به وجودت بسته بود... ارشیا پسرم رفتی اما منو هم با خودت بردی. داغت اینقدر رو دلم سنگینه که شکستم. منتظرم باش مادرت به زودی پشت سرت میاد پیشت. جات توی بهشت عزیز مهربونم. بی تو دیگه مادرت آرام نیست، اما تو آروم بخواب...»   تحقیق  و تفحص : نخستین بررسی‌ها نشان می‌داد وی از مدتی قبل در امریکا تحت درمان بوده و روز حادثه بعد از مصرف داروهایش برای استراحت به اتاق خواب رفته است.اما دقایقی بعد وقتی مادرش به داخل اتاق رفت متوجه شد او دچار حالت تهوع شده و حال خوبی ندارد. بلافاصله با اورژانس تماس گرفته و زمانی که امدادگران راهی خانه او شدند بعد از معاینه اولیه دریافتند وی جان باخته است.بررسی‌های اولیه متخصصان پزشکی قانونی احتمال مسمومیت دارویی را علت مرگ پسر 26 ساله اعلام کردند. با این حال بازپرس شعبه سوم دادسرای امور جنایی تهران دستور انتقال جسد به پزشکی قانونی برای سم شناسی، بررسی نمونه‌ها از سوی متخصصان تشخیص هویت، تحقیق از خانواده ارشیا، بررسی سوابق بیماری و پرونده بالینی او را صادر کرد.





حوادث دهه اول مهر ۱۴۰۱ بعد از مرگ مرحومه مهسا امینی در پلیس امنیت وزرا و اغتشاشات ۲۵ شهریور تا ۷ مهر  : 



تابناک _  در یک حمله تروریستی در زاهدان، تعدادی از تروریست ها به سمت یک کلانتری حمله کردند و آن را به رگبار بستند.

به گزارش منابع آگاه، در این عملیات تروریستی، تعدادی از پرسنل انتظامی کلانتری و عابران مجروح و به بیمارستانهای زاهدان منتقل شدند.

گفته می شود افراد مسلح ضمن به رگبار بستن کلانتری، همچنین تعدادی کوکتل مولوتف به سمت کلانتری پرتاب کردند.

یک نمازگزار در گفت و گو با خبرنگار ایرنا اظهار داشت: تعدادی از نمازگزاران پس از اقامه نماز به سمت کلانتری ۱۶ هجوم بردند و یکی از آنان با اتوبوس به دیوار کلانتری زده و قصد تخریب دیوار و ورود به کلانتری را داشتند که موفق نشدند و تنها بخشی از دیوار تخریب شد.

این عوامل تروریستی و اغتشاشگر که با طراحی از قبل و برای نا امن کردن زاهدان به میدان آمده بودند، بیش از پنج تن از عوامل انتظامی در کلانتری ۱۶ زاهدان را مجروح کرده و مردم عادی را نیز به رگبار بستند.




پیکر نیکا شاکرمی، نوجوان ۱۷ ساله‌ای که از سه‌شنبه ۲۹ شهریور مفقود شده بود، پیدا شد.

یک منبع آگاه پیش‌تر به زمانه گفته بود نیکا شاکرمی سه‌شنبه‌شب ۲۹ شهریور ۱۴۰۱ در تقاطع بلوار کشاورز و خیابان ۱۶ آذر در میان اعتراض‌ها دیده شده است. به نقل از دوستانش نیکا آخرین بار در حال فرار از دست ماموران امنیتی دیده شده بود.

پیکر نیکا شاکرمی در حالی پیدا شد که صورت‌اش بر اثر ضربات سنگین (احتمالا باتون به گفته منبع زمانه) کاملا از بین رفته بود. منبع آگاه در این زمینه به زمانه گفت:

«وقتی که اعتراض‌ها بالا گرفت و شلوغ شد، نیکا از دوستانش جدا شد که بعد دیگر از او هیچ خبری نشد تا این‌که دیشب به خانواده‌اش خبر دادند جنازه‌ای شبیه به مشخصاتی که آنها داده‌اند پیدا شده و برای احراز هویت مراجعه کنند.»

این منبع آگاه می‌فزاید هنگامی که خانواده برای تشخص هویت به پزشکی قانونی کهریزک مراجعه می‌کنند، اجازه نمی‌دهند که او را ببینند و تنها می‌توانند بخشی از صورت نیکا را ببینند، زیرا کاملا بخشی زیادی از صورت و بینی‌اش از بین رفته بود و آثار شکستگی در سرش مشخص بوده است.
































مهسا امینی مقتول به بی تدبیری پلیس تهران بزرگ در ۲۵ شهریور ۱۴۰۱


بد حجابی مال ایران نیست مال اونور آبِ . ایران که باشی باید تابع طبق قوانین کشور خودت باشی ... نمونه زیر سال ۲۰۱۱ کوالالامپور یکی از اعضای دولت احمدی نژاد

https://roozno.com/



مرگ مغزی در وزرا


خبرگزاری فارس با انتشار گزارشی از اعتراضات مردمی در پی مرگ مهسا امینی ، فوتبالیست سابق و سرشناس تیم ملی فوتبال ایران را به عنوان یکی از رهبران ضدانقلاب معرفی کرد!


استاندار تهران تصریح کرد: ما حساب افراد غافل را از آشوبگران جدا می‌کنیم، اما در این میان با سلبریتی‌هایی که در آتش اغتشاشات دمیدند، برخورد می‌کنیم.



لیدرهای اغتشاشات شهریور ۱۴۰۱


حجاب قابل قبول رو یاد بگیرید ، کد در تصویر زیر شلوار لی لباس باز همراه با تصویر حاج قاسم سلیمانی ( در راهپیمایی ۳ مهر ۱۴۰۱ به مقصد میدان انقلاب ، هتک حرمت به قرآن و آسیب به اموال و برداشتن چادر از سر یک خانم چادری )



حواستون به پوشش دختراتون باشه ( پوشیدن ساپورت یا مانتو جلو باز مصداق جرمه حتی اگر با شال بلند بپوشانند ) مخصوصا شهرستانیا که به تهران سفر می کنید. .. ( البته طبق تصویر بالا مثل اینکه پوشیدن شلوار لی گشاد در انقلاب و گرفتن تصویر ژنرال حاج قاسم به مثابه بدحجابی نیست ، بلکه مهر تائیدی بر اعتقاد به جمهوری اسلامی با هر نوع پوششی است. )



به گزارش تابناک، روابط عمومی سپاه استان البرز اعلام کرد: تعدادی از مخلان امنیت و آشوبگر با لباس مبدل و پوشش زنانه همراه با کوکتل مولوتف در منطقه رجایی شهر کرج شناسایی و دستگیر شدند.

اطلاعات سپاه استان البرز از خانواده ها و والدین خواست تا مراقب فرزندان خود باشند تا طعمه شیطنت این اراذل و اوباش آموزش دیده قرار نگیرند.



نماینده مجلس: هنوز که چیزی درمورد مهسا امینی ثابت نشده؛ دلیل این همه سر و صدا کردن چیست؟ / وجود گشت ارشاد، مطالبه مردمی است / برخی با برنامه‌ریزی می‌خواهند هنجارشکنی کنند؛ طبیعی است که ما این افراد را بازداشت خواهیم کرد / ما این همه شهید ندادیم که برخی ارزش‌های ما را بی‌ارزش نشان دهند


غلامحسین کرباسچی - مدیر مسئول روزنامه هم میهن در مناظره با عبدالله گنجی، مدیر مسئول روزنامه همشهری در شبکه خبر گفت: اگر بخواهیم رکن اصلی قانون را اجرا کنیم باید از همین در استودیو که در آن حضور داریم شروع کنند به گرفتن خانم ها. پس وقتی میبینیم که یک قانون در یک زمانی تصویب شده که در حال حاضر یک اکثریت قاطعی از جامعه به آن عمل نمی کنند؛ باید این قانون مورد تجدید نظر قرار بگیرد.



قرار بود استاد راهنما در پلیس امنیت تهران  بزرگ حاضرشود تا نوع پوشش رو به بانوان گرفتار ، همچنین خانم مهسا امینی تعلیم دهد ولی از بد ماجرا در بحث و کشمکش  با پلیس خانم ( نوع پوشش من چه اشکالی دارد )  ناگهان سکته کرده و نقش بر زمین می گردد ، ایشان علیرغم علائم حیاتی به نزدیکترین بیمارستان که کسری نام دارد منتقل شده و بعد از چند بار احیاء ۳ روز بعد تسلیم خواست پروردگار می شود .... مسخرست واقعا در مملکتی که پیشرفت نانو تکنولوژی دارد... بهتر است که نوع پوشش اسلامی و حد و حدودش را در خانواده ، مدرسه و دانشگاه بیاموزند و سفت و سخت بگیرند و نیز  مجازاتش را ، حتی در راهپیمایی ۲۲ بهمن به بانوان بگویند خانم اینجا جامعه اسلامیست لطفا فوکولتون رو بدید داخل یا مانتوی اِپُل داربلند به زور تنشون کنند.( در هر حال کار حکومت است )  .... به گفته پلیس ساپورت به تن داشته 




او که از خطه کردستان ( سقز )  به پایتخت برای تفریح آمده بود در بزرگراه حقانی ( در مترو ) دستگیر و برای ارشاد به اتهام بدحجابی و پوشش نامناسب ( شلوار نامناسب یا ساپورت ) که الله اعلم به پلیس امنیت در وزرا منتقل می شود و در بحث با یک خانم کماندو که پوشش من چه اشکالی دارد سکته توامان قلبی و مغزی  می کند ، روحش شاد.


نیما سهرابی، چهره سرشناس و خنداننده برتر برنامه خندوانه که در بیمارستان امام خمینی(ره) ارومیه فعالیت می‌کند، در یک پیام در صفحه شخصی خود در اینستاگرام اعلام کرد فیلم منصوب به وداع با پیکر مهسا امینی در بیمارستان کسری صحت ندارد و این فیلم در واقع مربوط به وداع با یک بیمار اهدا کننده اعضا در بیمارستان امام خمینی(ره) است.








تصویر زیر شرحی است که توسط ضد انقلاب در صفحه ویکی پدیا بارگزاری شده ، ضرب و جرح که البتع دوربین ها خود گویای ماجرابود لذا قابل ویرایش نیست چون توسط ضد انقلاب و عناصر خودفروخته هدایت میشود.هر چند در بی اعتنایی به اعتراض خانم مهسا امینی پلیس مبرا نیست و تقصیر دارد همانطور که آقای سید علی خامنه ای گفته است امر به معروف و نهی از منکر مراتبی دارد ... بگو و بگذر









تصویر زیر حرف حساب رو زده تو راهپیمایی ۲۲ بهمن هم وجود داره اگه ما حزب اللهیا یکم عقل داشته باشیم !!! و البته سکوت حاکم حکومت ایشان چندین روز بعد متوجه ماجرا میوفتن غیر از امنیت ملی که سریع ایشان را مطلع می کنند.



تصویر زیر رو هر کی نقاشی کرده کاملا مشخصه پلیس رو در مقام خون آشام تصور کرده.








فارس نوشت : در سی تی اسکن مغزی علایمی مبنی بر هیدروسفال بودن (عارضه قبلی) گزارش شده است. وی در پنج سالگی هم تومور مغزی عمل کرده و مبتلا به بیماری صرع و دیابت نوع یک بوده است.


با این تفاسیر خانم مهسا امینی سابقه بیماری داشته و مستعد به تشدید شدن که پلیس ناآگاهانه مسبب فوت ایشان شد  ... روحش شاد


آخر قصه احتمالا : 

جبهه های کفر و فرقه رجوی : فوت در اثر ضرب و جرح پلیس و سکته در اثر فشار و شکنجه .

جبهه اسلام : ( تبرئه پلیس ) پلیس به وظیفش عمل کرده و ایشان بدنبال سابقه بیماری و فشار بخود خودش مسبب فوت خودش بوده... نتیجه پرداخت دیه اونم بخاطر جریحه دار شدن عموم جامعه و دیدار فرمانده انتظامی و دولتیان برای تسلّی خاطر پدر-مادر-دائی و برادر ایشان.




اطلاعیه بیمارستان کسری : 

در این  اطلاعیه آمده است که مهسا امینی در ساعت ۲۰:۲۲ سه‌شنبه ۲۲ شهریور «بدون علائم حیاتی و در وضعیت مرگ مغزی» به بیمارستان کسری ارجاع شده است و به رغم احیای قلبی دوباره در روز جمعه دچار ایست قلبی شده و درگذشته است.



کل فی فلک برعکسشم بکنید باز همون میشه 


۲۶ شهریور ۱۴۰۱ ، مدیرکل پزشکی قانونی تهران گفت: با توجه به انجام آزمایش‌های متعدد از پیکر مهسا امینی، علت مرگ تا سه هفته آینده اعلام خواهد شد.


متن نوشته فاطمه هاشمی رفسنجانی به شرح زیر است:

خبر کوتاه، ولی تا عمق جان هر انسان آزاده‌ای را می‌سوزاند.

مهسا امینی، دختر جوان ۲۲ ساله که به جرم بدحجابی دستگیر و برای ارشاد و توجیه! به مقر پلیس انتقال داده شده بود، پشت درب‌های بسته و در میان بهت خانواده، دچار عارضه شد و به کما رفت.

حقیقتاً، جا دارد در نظامی که ادعای حاکمیت اسلام را دارد، انسان از این غصّه، دق کند.


خزعلی در حساب کاربری خود در توئیتر اظهار داشت: در گفتگوی مستقیم با والدین مرحومه ‎مهسا امینی، ضمن عرض تسلیت بابت غم از دست دادن فرزند عزیزشان، اطمینان دادم که با جدیت پیگیر روشن شدن تمامی ابعاد این موضوع هستیم.


به گزارش جماران؛ رئیس‌جمهور در تماس تلفنی با خانواده مرحومه مهسا امینی، ضمن ابراز همدردی با این خانواده و طلب صبر و اجر برای آنان در این مصیبت، گفت: من در جریان سفر ازبکستان از این واقعه مطلع شدم که بلافاصله به همکارانم دستور دادم تا بررسی موضوع را به صورت ویژه در دستور کار قرار دهند و مطمئن باشید این موضوع را از دستگاه‌های مسئول مطالبه خواهم کرد تا ابعاد آن روشن شود و هیچ حقی ضایع نشود.

رئیس‌جمهور در این تماس تلفنی که امروز ظهر برقرار شد، با تأکید بر اینکه همه دختران ایران را همچون فرزندان خود می‌داند، افزود: دختر شما همچون دختر خود من است و احساس من این است که این حادثه برای یکی از عزیزان خود من پیش آمده است. اینجانب را در مصیبت خود شریک، و همدرد غم و اندوهتان بدانید.

در این تماس تلفنی، خانواده مرحومه امینی ضمن تشکر از دستور فوری رئیس‌جمهور برای رسیدگی به حادثه و همچنین تماس و ابراز همدردی ایشان، خواستار پیگیری مسئله تا روشن شدن ابعاد موضوع شدند.



قابل توجه مسئولین باصطلاح مسئول و فاطی کماندوی مورد بحث : 


مژگان افتخاری و امجد امینی، کنار گودال، روی تل خاک نشسته و فریاد می‌زدند. امجد نیمه‌هوشیار بود که او را به درمانگاه بردند. او طاقت مرگ ژینا را نداشت که «دخترم خود زندگی بود، مرگ به او نمی‌آید خانم». و مژگان دست‌ها را می‌برد زیر خاک، می‌پاشید به بالا و می‌گفت: «ژینا بلند شو، ببین این مردم برای تو آمده‌اند. تو تک‌دختر من بودی، دختر من نمی‌ترسید، تو چرا ترسیدی؟ گل پرپر ما رفت… ژینا فدایت شوم. ما کنار تختت نفس به نفست می‌دادیم، تو الان اینجا چه می‌کنی؟» ......... ترس عامل مرگ ، دختران ایران نباید بترسند.



بالا دسته گل مسئولین و نمونش در پائین : 


ایرانخودرو با فشار دولتیا اتوبوس هاش رو فرستاده بود مرز ( ایران و عراق در اربعین ) برای رسوندن مردم فرضا به تهران و خیلیا سوار نشدن و گفتن VIP می خواهیم خب یکم فکر کنن با این اتوبوس های داغون و شرکت واحدی کی ۱۴ ساعت حاضره بشینه و به مقصد برسه ( قرار نیست هر مسئولی فکر اشتباه بکنه زیر دستی ها اطاعت کنن ) یکم فکر هم باید باشه که متاسفانه ندارند وقتی مغزت پیر باشه جوونم که باشی همین میشه.


زارعی‌کوشا جمعه شب در حساب توییتری خود نوشت: در تماس با پدر محترم و صبور دخترمان مهسا امینی (ژینا) ضمن تسلیت به ایشان و مادر داغدارش، بر پیگیری جدی و بررسی دقیق علت حادثه و برخورد با هر گونه قصور و تقصیر احتمالی حسب دستور رئیس جمهور محترم تاکید کردم.


میراحمدی: من در این مورد از عزیزان مسئول مربوطه سوال کردم و حتی خودم فیلم را به طور کامل مشاهده کردم؛ تقطیع شدن این فیلم به این خاطر است که این فیلم یک مقدار طولانی است و بخش‌هایی که این افراد می‌گویند تقطیع شده، بخشهای غیر مهم است. بخش‌های اساسی فیلم منتشر شده است و هیچ صحنه مهمی به غیر از آن چیزی که اطلاع رسانی شده، در فیلم کامل وجود ندارد که این افراد ادعای تقطیع شده بودن آن را مطرح می‌کنند......... 

جالبه فرمودند صحنه مهمی وجود نداره ولی بحث فاطی کماندو با خانم مهسا امینی در اینکه این حجاب چه اشکالی داره وجود داره یعنی بچه ۱۵ ساله هم فهمیده که بحث و مشاجره بوده و سید علی خامنه ای همچنان خواب و غافل از این موضوع مهم که دستمایه ی رسانه های ایرانی معاند شده ،  در ویکی پدیا خانم مهسا امینی رو سرچ کنید نوشتند قتل بعلت شکنجه و ضرب و جرح 



نمونه ای از ادب و رفتار بعضی سربازان خانم امام زمان و منتسب به رهبری : 

به گزارش تابناک به نقل از اعتماد، هر کدام از شاهدان عینی روایت متفاوتی از ماجرا دارند، یکی از آن‌ها دختر کم‌سن و سال دستفروشی است که از همسرش جدا شده و برای گذران زندگی هر روز در محله صادقیه تهران لواشک می‌فروشد. تیپ اسپورت معمولی دارد و به قول خودش وقت ندارد به تیپ و لباس فکر کند هر روز یک لباسی تنش می‌کند تا بیاید اینجا بنشیند و لواشک‌های دست‌سازش را بفروشد.

حدود دو ماه پیش از دست ماموران گشت ارشاد فرار کرده است و در این میان مشتی هم به صورتش خورده و پای یکی از چشم‌هایش بادمجان سیاهی کاشته شده است.

برای معالجه به پزشک مراجعه کرده و با احتمال خونریزی گرفتار هزینه‌های عکس و دارو هم شده و حالا می‌گوید که خدا رو شکر مشکل خاصی برایش پیش نیامده و چند روز بعد کبودی هم برطرف شده است.



فرماندهی انتظامی تهران در نخستین واکنش به این اتفاق گفته مهسا امینی به طورناگهانی دچار عارضه قلبی شده و بلافاصله به بیمارستان انتقال یافته است. این سخنان اما با اظهارات «کیارش امینی»‌، برادر مهسا در تضاد است. کیارش گفته: «پشت در ساختمان پلیس امنیت اخلاقی ایستاده بودم. ناگهان صدای جیغ و داد بلند شد. همه در ساختمان را می‌کوبیدیم. از در بالا رفتیم. اما در را باز نکردند. پنج دقیقه بعد یک آمبولانس از ساختمان خارج شد..... صحبت بنده به پلیس : آقای پلیس وقتی شخصی رو بازداشت می کنید و قصد ارشادش رو دارید و همراه خانوادست اجازه بدید با خانوادش داخل ساختمان بشند که اگر اتفاقی هم افتاد شاهد ماجرا باشند 



وکلاپرس- کمیسیون حقوق بشر کانون وکلای مرکز در واکنش به درگذشت مهسا امینی در بیانیه ای خواستار تشکیل کمیته حقیقت یاب، بازبینی دوربین ها، اخذ شهادت راویان عینی شد.

به گزارش وکلاپرس به نقل از روابط عمومی کانون وکلای دادگستری مرکز کمیسیون حقوق بشر این کانون با ابراز تاسف عمیق نسبت به درگذشت شهروند “مهسا امینی” در جریان برخورد گشت ارشاد با وی، ضمن درخواست تعقیب و مجازات ماموران و امرین خاطی، خواستار بازنگری و تغییر رویه نیروی انتظامی نسبت به طرح “گشت‌ ارشاد” شد.


دوشنبه و توضیحات پلیس : 


فرمانده انتظامی تهران بزرگ ادامه داد: روز سه شنبه هفته گذشته این خانم به همراه سه خانم و ۲ آقای دیگر در پارک طالقانی در حال گشت و گذار بودند، همکارانم به آن سه خانم دیگر تذکر دادند، رعایت کردند اما این خانم مراعات نکرد.

وی افزود: همکارانم این خانم را به مقر انتظامی هدایت کردند و به خانواده وی اعلام کردند که لباس مناسب بیاورید و بعد از برگزاری کلاس آموزشی وی را در اختیار خانواده اش قرار خواهیم داد....... ......................البته بنظر بنده ( نویسنده بلاگ ) در کل تهران خانم های بدحجاب با این پوششی که سردار گفتند زیاده ولی دلیل نمیشه که پلیس تدبیر نداشته باشد.



رحیمی گفت: این نفرات از جمله خانم امینی به کلاس آمدند، تا استاد به کلاس بیاید و مراحل و مقدمات برگزاری این کلاس انجام شود، خانم امینی از جای خود بلند شده و از همکارم سوال کرد که وضعیت من چه ایرادی دارد؟ همکار بنده نیز به وی اعلام کرد که وضعیت لباس و شلوار شما ایراد دارد که پس از این موضوع حال مهسا بهم‌ می خورد و پس از این واقعه تیم پزشکی مستقر در محل به بالین وی حاضر شده و اقدامات احیا را آغاز می‌کنند.


مهر: سردار رحیمی گفت: خانم امینی از همکار ما سوال کرده که وضع ظاهری او چه مشکلی دارد و همکار ما به او می‌گوید شلوار یا ساپورتی که پایش بوده است دارای ایراد بوده و زمانی که مانتویش باز می‌شود مشکل دارد و بر همین اساس باید تعویض شود

وی گفت: ۹۰ درصد کسانی که توسط گشت ارشاد، ارشاد می‌شوند فقط به آنها تذکر داده می‌شود ، ۹ درصد داخل ون تذکر گرفته و یک درصد به مقر منتقل می‌شوند.

وی افزود: تهمت‌های ناجوانمردانه ای به پلیس زده شده و ما واگذار به زمان پل صراط می‌کنیم مگر می‌شود امنیت جامعه را تعطیل کرد؟



متن :  «این تنها سکانسی از یک فیلم نیست، واقعیتی است که در نبود «رواداری» و «عاطفه انسانی» هر روز بیشتر از روز گذشته محتمل‌ می‌شود…
چند ماه پیش تصویر آن مادر روبروی خودروی گشت ارشاد که به التماس، بیماری دخترش را فریاد می‌زد و امروز پیکر بی‌جان «مهسا امینی» بر تخت بیمارستان…
چند مهسای دیگر می‌بایست جان عزیز خود را از دست بدهند تا از تعصباتِ بی‌پشتوانه‌ی خود دست بردارید و به مدار «مدارا و مدنیت» بازگردید؟
فقط یک لحظه خود را در قامت پدر و مادری تصور کنید که فرزند زیبا و نازنین‌شان را اینطور در خاک می‌کنند.
آیا هنوز وقت آن نشده که صدای مصلحانه و دردمندانه‌ی آنان را که به آینده ایران و فرزندان این سرزمین می‌اندیشند، بشنوید؟»


پدر مهسا امینی گفت: رئیس جمهور ظهر طی تماسی مرگ ژینا را به ما تسلیت گفت، انتظار ما این است که ابعاد مختلف این مسئله را به صورت شفاف هرچه زودتر روشن کنند و موضوع را پیگیری و اجازه ندهند خون دخترم پایمال شود.

امجد امینی، پدر مهسا امینی ،  در توصیف این واقعه گفت: برای مسافرت در تهران بودیم به همراه برادرش وقتی در اول مترو پیاده می شود، از سوی ماموران گشت ارشاد مورد تذکر و او را سوار ماشین می کنند.

امینی افزود: براساس آنچه از سوی حاضرین در ماشین به ما منتقل شده در ماشین هم چندین بار به ماموران گفته بود که من بچه شهرستان هستم جایی را بلد نیستم، اجازه ندادند پیاده شود.

وی اظهار کرد: بعد از اینکه به پاسگاه برده شده چه اتفاقاتی افتاده است را نمی دانیم فیلمی که به ما نشان دادند تقطیع شده بود آنچه نشانمان دادند را قبول ندارم.

پدر مهسا امینی از عدم حضور به موقع اورژانس انتقاد کرد و گفت: براساس تصاویری که نشانمان دادند نیروهای اورژانس در ابتدای ورود به صحنه انگونه که باید سرعت عمل از خود نشان ندادند و به دور خود می چرخیدند.

وی افزود: عدم سرعت در رساندن دخترم به بیمارستان موجب شد بعد از اینکه دچار ایست قلبی شده ایست مغزی بکند، از همه بدتر اینکه به همراه دخترم کسی را نفرستاده بودند تا جایکه پرستارها می گفتند نمی دانستیم باید با چه کسی تماس بگیریم پرستاران می‌گفتند  نه شماره تماسی، نه همراهی تا اینکه پسر کوچکم که 17 سال دارد او را در بیمارستان پیدا کرد و تازه آن وقت بود که ما فهمیدیم.


به گفته یورونیوز : محمد علی کامفیروزی، وکیل دادگستری در توییتی نوشت: «موکلم ملیکا قراگوزلو (که دو ماه پیش ویدئویی چند ثانیه‌ای بدون روسری در صفحه مجازی شخصی‌اش منتشر کرده بود) با رأی شعبه ۲۶ دادگاه انقلاب تهران به تحمل سه سال و هشت ماه حبس ( حکم بی حجابی  - قانون مجازات اسلامی ) و دو سال منع عضویت در گروه و دستجات سیاسی و اجتماعی حتی در شبکه های اجتماعی و خروج از کشور محکوم شد.


در قانون اسلامی : 

بدحجابی به معنای نداشتن پوشش مناسب است. به عبارت دیگر شال یا روسری و مانند آن استفاده شده اما به طور کامل پوشانده نشده و یا لباس نامناسب ( ساپورت تنگ ) است به گونه ای که پستی بلندی های بدن نمایان است و مواردی از این قبیل که بد حجابی نامیده می ‌شوند. بی حجابی مثل برداشتن روسری در انظار عمومی یا عریان کردن بدن !!!



به گزارش همشهری آنلاین، رضا طاهریان رزیدنت سال آخر رادیولوژی در صفحه اینستاگرام خود نوشت: امروز موفق شدم به سی‌تی‌اسکن‌های مهسا امینی دسترسی پیدا کنم و به عنوان یک رزیدنت سال آخر رادیولوژی و پس از مشورت با یکی از اساتید و یکی از همکاران نوروسرجن ریپورت این سی‌تی‌اسکن رو خدمت شما می‌گم.

پست من در دفاع از شواهدی است که در سی‌تی‌اسکن ایشان دیده می‌شود نه دفاع یا حمله به کسی یا حکومتی و... در ضمن حفظ اسرار بیماران جزو اخلاقیات پزشکی است ولی از آنجایی که فوت خانم امینی به یک قضیه ملی و برجسته تبدیل شده و موجب ناراحتی و سردرگمی مردم شده است، بنده برای دفاع از حقیقت بر این اصل پا می‌گذارم.

به‌طور خلاصه و برای همکاران غیر پزشک: هیچ شواهدی از ضربه به سر و خونریزی در سی‌تی‌اسکن سر یافت نمی‌شود. شواهد جراحی قبلی در سر دیده می‌شود. برای همکاران پزشک باید بگویم شواهد کرانیوتومی فرونتوتمپورال قبلی همراه با اتروفی مختصر عضلانی و تغییرات بافت نرم در محل جراحی بیمار مشهود است. اتروفی مختصر لوب فرونتال راست همراه با دیلاتاسیون مختصر ثانویه در شاخ فرونتال بطن جانبی راست مشهود است. ناحیه کلسیفیکاسون کورس سوپرا سلار دیده می‌شود. شکستگی استخوانی و شواهد ای‌سی‌اچ دیده نمی‌شود. در سی‌تی‌اسکن ریه شواهد کانتیوژن پست سی‌پی‌آر و پنومونی اسپیراسیونی مشهود است. لوله تراشه در محل مناسب دیده می‌شود.

در مشورت با یکی از همکاران نوروسرجن احتمال داده می‌شود که بیمار پیشتر تحت جراحی کرانیوفارنژیوم قرار گرفته و بخشی از تومور در ناحیه سوپراسلار باقی مانده است. نوع کرانیوتومی با جراحی انجام شده جهت دسترسی به ناحیه سوپرا سلار از طریق فیشر سیلوین مطابقت دارد.









جو بایدن در این رابطه گفت: امروز ما در کنار شهروندان و زنان شجاع ایران می‌ایستیم که اکنون در حال تظاهرات برای تضمین حقوق اولیه خود هستند.



تسنیم نوشت: شب گذشته چهارشنبه ۳۰ شهریور ماه، هیچ فردی در تهران بر اثر شلیک گلوله یا با سلاح سرد فوت نکرده است.

گفتنی است که بعد از فوت مهسا امینی، در تهران و صد‌ها شهر دیگر تجمعات اعتراضی برگزار شده بود.

صداوسیما امروز اعلام کرده بود که در جریان این تجمعات ۱۷ نفر کشته شدند.



۳۱ شهریور ۱۴۰۱ و خبر بی بی سی به بهانه مرحومه خانم مهسا امینی :


درحالی که حکومت ایران با خاموشی گسترده اینترنتی سعی در جلوگیری از انتشار خبرهای مربوط به اعتراضات را دارد، تظاهرات علیه جان باختن مهسا امینی تا ساعات دیر وقت پنجشنبه شب ادامه داشته است.

همزمان در عصر روز پنجشنبه رهبران آمریکا و کانادا به تحولات ایران واکنش نشان داده اند.

نانسی پلوسی، رئیس مجلس نمایندگان آمریکا، در توییتی از معترضان ایرانی حمایت کرد: «صدای شجاعانه مردم ایران در سراسر جهان شنیده شده است. کنگره آمریکا در سوگواری برای مرگ وحشتناک مهسا امینی به آنها می پیوندد. تهران باید به خشونت و کارزار نظام مند بدرفتاری با زنان و دختران پایان دهد. #مهساـامینی»


البته هنوز اینها فکر میکنند که ایشون بخاطر ضرب و شتم فوت کردند ولی دکترها بر این باورند که تومور مغزی ایشان کامل برداشته نشده ( مشکل دکتر معالج ) و در بحث با فاطی کماندوی پلیس و استرس حاکم بر مقر پلیس باعث کُنش دوباره این زخم شده نهایتا منتج به بستن شریان ها و نتیجتا سکته کاری شده.امید است که پلیس اقدامات کلینیکی را قبل از ارشاد احیا کند با کمک روانپزشکان و دکترهای فوق تخصص داخلی مجرب نه اینترن و رزیدنت.



نماینده مردم تهران در مجلس افزود: طبق این گزارش خانم امینی در سن ۸ سالگی جراحی داشتند که تشخیص ایشان غده خوش‌خیم در هیپوفیز بوده که در بیمارستان میلاد جراحی شدند. علایمی مانند اختلال بینایی و سر درد داشتند. این عمل جراحی از ناحیه گیج‌گاه صورت گرفته که بعد از جراحی علائم دیابت بی‌مزه، تیروئید و کاهش کورتیزول داشتند که با درمان‌های هورمونی تحت درمان بودند. جراح ایشان آقای دکتر شیروانی بودند که با صداوسیما هم مصاحبه کردند. آقای دکتر شیروانی نائب رئیس جامعه جراحان مغز و اعصاب هستند که شرح جراحی را ایشان از صداوسیما اعلام کردند.

الهیان افزود: جای تعجب دارد که چرا پدر ایشان در مصاحبه‌ها اعلام کردند که دخترم سابقه بیماری نداشته است. طبق گزارشی که فرماندهی کل انتظامی ارائه کرد خانم امینی در پاساژی در شهر سقز فعال بوده؛ ظاهرا در یک فروشگاه پوشاکی ایشان فعالت می‌کردند؛ که در چند ماه گذشته به دلیل زمینه‌های بیماری که داشتند چندبار از حال رفتند.







رئیس ستاد کل نیروهای مسلح گفت: تغییرات در مرزهای کشورهای منطقه را تحمل نخواهیم کرد و به کشورهای آذربایجان و ارمنستان توصیه داریم مشکلات خود را از طریق گفتگو حل کنند و تغییر مرزها با جنگ را بر نمی‌تابیم و ساکت نمی‌نشینیم.


ایران کاردار سوئد را احضار کرد

وزارت خارجه ایران روز جمعه در اعتراض به حمله مخالفان جمهوری اسلامی به سفارت ایران در استکهلم کاردار سوئد را احضار کرد.

احضار کاردار سوئد در غیاب سفیر این کشور در تهران صورت گرفت. گروهی از ایرانیان خارج از کشور طی روزهای گذشته تجمعاتی اعتراض‌آمیز در مقابل سفارتخانه‌های ایران در کشورهای اروپایی برگزار کردند. این تجمعات همزمان با اعتراض‌ها در ایران به بازداشت مهسا امینی و جان باختن او پس از دستگیری برپا شد. 






محمد رستمی، فرمانده پلیس امنیت اخلاقی اسماعیل خطیب، وزیر اطلاعات ایران، سالار آبنوش جانشین فرماندهی بسیج،قاسم رضایی، فرمانده انتظامی نیروهای انتظامی ایران، منوچهر امان اللهی، فرمانده نیروی زمینی ارتش استانچهارمحال و بختیاری و کیومرث حیدری، فرمانده نیروی زمینی ارتش جمهوری اسلامی، افرادی هستند که روز پنج شنبه31 شهریور توسط دولت امریکا تحریم شده‌اند.



از ساعت ۱۶ روز جمعه  اول مهرماه : اینترنت موبایل (همراه اول و ایرانسل) در تمام تهران قطع و صرفا دسترسی به سایت‌های داخلی ممکن بود 

گزارش حاکی است مشاهدات و تجربه شخصی کاربران نشان می‌دهد که از ، ۳۰ شهریور ۱۴۰۱ اینترنت در تهران و دیگر شهرها دچار قطعی و اختلالات زیادی است..... وزارت کشور مدعی شد بخاطر امنیت مردم این تصمیم گرفته شده ( اوضاع نابسامان اینستاگرام و تلگرام در اغتشاشات به بهانه مرحومه مهسا امینی و به هدف براندازی حکومت سید علی ) 




وزیر فرهنگ و ارشاد اسلامی گفت: «بازیگران زنی که کشف حجاب کردند، به این انتخاب جدید رسیدند که تابع قوانین نباشند. ما در حوزه فرهنگ و هنر در خدمت عزیزانی هستیم که ملزم به قانون هستند.» شبنم فرشادجو، پگاه آهنگرانی، کتایون ریاحی، مریم بوبانی و شیوا ابراهیمی از جمله بازیگرانی هستند که در روزهای اخیر کشف حجاب کرده‌اند.


صحبت های آ مرتضایی درباره دخترخاله اش:

iran-cousin-says


یورونیوز

راجر واترز: مهسا امینی هیچ ربطی به خدای آیت‌الله‌ها نداشت و باید زنده می‌ماند




روش شناسایی اغتشاشگران در دست اقدام : فیلتر کردن  ، فرستادن نیروهای شخصی نظامی با تیپ معترضان به داخل جمعیت ( آقا : تراشیدن ریش - روغن زدن به مو و فشن شدن ، خانم : بصورت بد حجاب )  و شناسائی فریب خوردگان و عامل منافقین 



آفتاب نیوز : کتایون ریاحی که با یک رسانه ایرانی خارج از کشور صحبت می‌کرد گفت که حجاب هیچگاه پوشش مورد تایید و انتخاب او نبوده است که حالا بخواهند از کشف حجاب او بگویند.

کتایون ریاحی گفت پوشش حجاب را بدون میل باطنی و اجبارا استفاده می‌کرده و حالا در همدلی و اعتراض به فوت مهسا امینی تصمیم گرفته آن را کنار بگذارد.





وکیل مدافع خانواده مهسا امینی گفت: والدین مهسا امینی از عاملان دستگیری مهسا از زمان رسیدن او به پلیس امنیت اخلاقی و سپس جریان تحقیقات و صحبت کردن با او، شکایت کردند.

صالح نیکبخت در گفت‌وگو با ایسنا در این باره اظهار کرد: من به همراه علی رضایی دیگر همکارم وکالت اولیای دم پرونده مهسا امینی را برعهده گرفتیم. روز دوشنبه ( ۴ مهر ۱۴۰۱ ) یکی از ما (آقای رضایی) در دادسرای جنایی حضور یافت و توضیحاتی را به آقای شهریاری ریاست دادسرای جنایی داد و پس از آن بازپرس ویژه پرونده از وکیل پرونده و پدر و برادر و دختر خاله مهسا امینی تحقیق کردند


طلبکار شدن یک بسیجی از دروغ خانواده مرحومه امینی که باعث دامن زدن به اغتشاشات شد هر چند بی بی سی در کلیپ هایی مدعی شد که هدف براندازی نظام اسلامی است.


مردم جامعه حق دارند که با این سوال مواجه شوند که چرا یک شخص جوان بدون ضربه مغزی جان باخته است؟ این سوال برای پزشکان نیز به وجود آمده بود اما بررسی سی تی اسکن و پرونده بیمار نشان می دهد مهسا امینی در بیمارستان میلاد جراحی مغز انجام داده است و همه تصاویر نشان می دهد باز کردن جمجمه بیمار از سمت راست مغز برای خارج کردن تومور جراحی انجام شده است و آثار جراحی روی جمجمه مشهود است؛ همچنین قسمتی از تومور نیز در مغز بیمار باقی مانده است.



۶ مهر ۱۴۰۱ : قرارگاه حمزه سیدالشهدا نیروی زمینی سپاه ساعاتی پیش با موشک های نقطه زن و پهپادهای انهدامی، چندین مقر تروریست های تجزیه‌طلب را در شمال اقلیم عراق مورد هدف قرار داد.



علیرضا قزوه، مدیرکل دفتر موسیقی صدا و سیما با انتشار یک پست در توییتر، دستمزد نجومی و آخرین دریافتی مهران مدیری برای برنامه دورهمی را پس از خداحافظی این مجری از تلویزیون در پی مرگ مهسا امینی را اعلام کرد.

بر اساس گفته قزوه، مهران مدیری تنها یک روز پیش از صحبت‌های نالانش در واکنش به فوت مهسا امینی مبنی بر عدم پخش برنامه دورهمی، ۳۰ میلیارد تومان از صداوسیما دستمزد دریافت کرده است.


فرمانده سپاه خراسان جنوبی: در بررسی اولیه «اغتشاشگران»، سن همه دختران و پسران ۱۷ تا ۲۱ سال بوده/ نتوانستیم مسائل نسل‌های گذشته را به آن‌ها منتقل کنیم




۱۲ مهر ۱۴۰۱ : بیانیه خانواده مرحومه مهسا امینی 


اینک با توجه به تحقیقات و مشورت های صورت گرفته و با اعتماد به صداقت ، شرافت و دانش استادان بزرگوار آقایان دکتر سیدعلی طباطبایی ، دکتر کاظم عباسیون ، دکتر هوشنگ معین، دکتر علی مشکینی، دکتر موسی تقی‌پور، دکتر محمد فرجی راد ، دکتر خسرو پارسا ، دکتر بابک زمانی، دکتر غلامرضا بهادرخان و دکتر رضا باقری ،از ریاست محترم دادسرای جنایی استان تهران مصرانه می‌خواهیم که دستور تشکیل جلسه کمیسیون پزشکی قانونی با دعوت از حداقل ۵ نفر از اساتید معرفی شده فوق در رشته مغز و اعصاب به همراه دکتر سیف‌الله عبدی متخصص قلب و دکتر محمد صنعتی روانپزشک را صادر فرمایند.

بدیهی است بدون دعوت و حضور پزشکان عالیقدر و معتمد ، در جلسات کمیسیون بمنظور بررسی علت مرگ فرزندمان، به جهت نوع برخوردهای اولیه پزشکی قانونی که جزییات آن به اطلاع ریاست محترم دادسرای جنایی رسیده است، اعلام می‌داریم که «به هیچ وجه» نظریه پزشکی قانونی مورد تایید ما نخواهد بود.


سید مجید میراحمدی معاون امنیتی و انتظامی وزارت کشور طی سخنانی در جمع خبرنگاران اظهار داشت : امروز میخواهم سندی که تابحال منتشره نشده را اعلام کنم که در ۱ شهریورماه ۱۳۹۵ پدر مهسا امینی با مدیرکل تأمین اجتماعی استان کردستان مکاتبه‌ای داشته و او کارمند این سازمان بوده است و در این نامه به او ابلاغ شده بود که در استان کردستان خدمت کند و او می‌گوید دختر من مریض است و باید همیشه تحت مراقبت باشد و هر ماه برای کنترل وضعیت جسمانی به تبریز مراجعه کند و با توجه به اینکه آشنایی در سنندج ندارم و خانواده‌ام برای نگهداری دخترم به سنندج بیایند، این نکات را اعلام کرده و با این درخواست موافقت شده است. از ابتدا انکار می‌شد ( توسط پدر ) که مرحومه امینی هیچ مشکلی نداشته ولی این سند وجود دارد.



سید علی : در این حوادث بیش از همه به سازمان انتظامی کشور و به بسیج و به ملت ایران ظلم شد. 




ده حیوان در تصویر زیر : 



جعده دختر أشعث و ام فروه خواهر ابوبکر، همسر حسن بن علی امام دوم شیعیان دوازده‌امامی که او را مسموم کرد و به قتل رساند. معاویه پسر ابوسفیان زهری را برای جعده دخترِ اشعث بن قیس ( خوارج ) ، فرستاد و به او وعده داد که اگر شوهرت، حسن پسر علی را به قتل برسانی، یکصد هزار درهم به تو اجرت خواهم داد و همچنین به همسری پسرم یزید درمی‌آورم.



بنابر روایاتی "هند" وقتى که سر بریده امام حسین(ع) را دید گفت: این سر بریده کیست، یزید گفت سر بریده حسین بن على (ع) است هند بسیار گریه کرد و گفت سوگند به خدا من دیگر همسر تو نیستم و تو همسر من نخواهى بود تو در جواب بازخواست فاطمه (س) چه خواهى گفت، یزید گفت تو چه رابطه با فاطمه (س) دارى؟ هند جواب داد من به وسیله پدر و شوهر و فرزندان فاطمه (س) هدایت و شفا یافتم؛ هند در حالى که گریه مى کرد از کاخ خارج شد.



فائزه علوی

مونیکا بلوچی




در ستاد انتخاباتی  《 ای در صف اول 》چرا خبری از گشت امنیت اخلاقی نبود ؟ درست اسلام مبناش بر اساس سیاسته غیر از دیانت ...  ( تصویر زیر ) 

















شابلون زانوئی ۹۰ درجه روی لوله




news/3558808  مرجع تقلید مطلقه 


elbow on straight pipe


در تصویر زیر ابعاد برش روی زانوئی نود درجه وقتی قرار است روی لوله سوار شود داده شده ( زانو ۱۶ سنتر شده ) 


در تصویر زیر نیز ابعاد در ۳۲ سنتر ( زانوئی ) داده شده



زاویه ( ستون  ۳ سایز ۲۴×۲۰ )  .... ۱۱.۲۵×۳



Branch Bend




381-273/2


اطلاعیه جمهوری اسلامی در سال تولید و ازدیاد جمعیت و مجازات : شهریور ۱۴۰۱



هر کس اعم از پزشک، ماما یا دارو فروش و... آگاهانه و عمداً از طریق جراحی، تجویز دارو یا مواد خوراکی، ضرب و جرح یا آزار یا هر عمل دیگری موجب سقط جنین شود، علاوه بر پرداخت دیه به حبس و ابطال پروانه پزشکی محکوم می‌شود.

کسب اطلاعات بیشتر: 

scpd.eadl.ir/news/ID/42926

معاونت اجتماعی و پیشگیری از وقوع جرم قوه قضاییه



به انجام کار یا انجام ندادن کاری که منجر به مرگ جنین شود، سقط جنین گفته می‌شود و از جمله جرائمی است که مقید به نتیجه است. یعنی این جرم با هر نوع صدمه به رحم حتی استعمال ادویه‌ها، داروها و مواد شیمیایی نیز ممکن است اتفاق بیفتد. بنابراین هر عملی که از زمان شکل‌گیری نطفه در رحم مادر تا پایان رشد کامل و زمان خارج شدن از رحم صورت گیرد، سقط جنین است و مرتکب، مستوجب کیفر می‌باشد.
برای افراد متخصص در زمینه پزشکی مجازات ابطال پروانه، پرداخت دیه و حبس مقرر شده است. در مورد سایر اشخاص، انجام عمدی جرمِ سقط جنین موجب پرداخت دیه و مجازات حبس خواهد بود و در صورت غیرعمدی بودن، موجب پرداخت دیه می‌گردد.
در موارد محدودی از جمله نجات جان مادر یا عقب‌افتادگی یا ناقص‌الخلقه بودن جنین، بنا به تشخیص پزشکی قانونی سقط جنین مجاز بوده و در این صورت مسئولیتی متوجه هیچ شخصی نخواهد بود.
معاونت اجتماعی و پیشگیری از وقوع جرم قوه قضاییه




خدای متعال در آیاتی به گفتگوی فرشتگان و ستمکاران در هنگام مرگ تصریح کرده، این گفتگو را چنین بیان می‌فرماید: «إِنَّ الَّذینَ تَوَفَّاهُمُ الْمَلائِکَةُ ظالِمی‌ أَنْفُسِهِمْ قالُوا فیمَ کُنْتُمْ قالُوا کُنَّا مُسْتَضْعَفینَ فِی الْأَرْضِ قالُوا أَ لَمْ تَکُنْ أَرْضُ اللَّهِ واسِعَةً فَتُهاجِرُوا فی‌ها فَأُولئِکَ مَأْواهُمْ جَهَنَّمُ وَ ساءَتْ مَصیراً»؛ کسانی که فرشتگان (قبض روح) روح آن‌ها را گرفتند، در حالی که به خویش ستم کرده بودند، به آن‌ها گفتند: شما در چه بودید؟ (و چرا با اینکه مسلمان بودید، در صف کفّار جای داشتید؟!) گفتند: ما در سرزمین خود، [تحت فشار و]مستضعف بودیم. آن‌ها (فرشتگان) گفتند: مگر سرزمین خداوند، پهناور نبود که مهاجرت کنید؟! آن‌ها (عذری نداشتند و) جایگاهشان دوزخ است و سرانجام بدی است.

همچنین می‌فرماید: «وَ لَوْ تَری‌ إِذْ یتَوَفَّی الَّذینَ کَفَرُوا الْمَلائِکَةُ یضْرِبُونَ وُجُوهَهُمْ وَ أَدْبارَهُمْ وَ ذُوقُوا عَذابَ الْحَریقِ»؛ (ای پیامبر)! اگر ببینی کفار را هنگامی که فرشتگان (مرگ) جانشان را می‌گیرند و بر صورت و پشت آن‌ها می‌زنند و (می گویند: بچشید عذاب سوزنده را! (به حال آن‌ها تأسف خواهی خورد!).















Branch Pipe Layout





برنچ 90 درجه یا T-Piece با ۲۴ سنتر و اختلاف در مراکز ( یعنی لوله برنچ از مرکز هدر فاصله دارد - Offset در سطح  ) قطر برنچ ۲۵۰ و قطر هدر ۳۵۰



در تصویر زیر اگر عدد اعشاری کوچکتر از 0.9 بود عدد اعشار در نظر گرفته نمی شود ولی اگر بزرگتر مساوی بود به بالا گرد می شود.


329.07-325.15=3.92~4

336.88325.15=11.73



تصویر زیر ، انشعاب T با قطر هدر 200 ، رایزر 100 و ارتفاع از سطح هدر 100 میلیمتر . فاصله محیطی از سنتر صفر تا X5 ( یا سنتر ۵ )  برابر 98.2 میلیمتر


مثل بالا



برنچ لترال ( زاویه دار ) یا Y-Piece چهل درجه و ۷۲ سنتر ... 16×24 که البته ضخامت  در محاسبات اثری ندارد . طبق تصویر بالاترین مقدار خط Y در چارت منحنی ( بالاترین خط در شابلون ) 19.06806 اینچ است.








برنامه محاسبه شابلون دامی ساپورت و مایتر 


https://cafebazaar.ir/app/ir.pipe.pip_001?l=en



وقایع تلخ مرداد ۱۴۰۱ : 


ضارب سلمان رشدی ، مرداد ۱۴۰۱ غرب نیویورک

هادی مطار ( مَطَر ) محل تولد آمریکا در خانواده ای لبنانی ، انگیزه قتل : بی هدف ( یعنی همینطوری حال کرده بزنه )



حکم اعدام سلمان رشدی بر هر مسلمانی واجب است 






21 مرداد ۱۴۰۱ قتل یک محیط بان در جلوی مجتمع قضائی در کرمانشاه ( با حداقل شلیک تیر ۱۰ فشنگ ) ... واقعا تاسف باره 

بعد از پایان دادگاه که نجفی دوباره داشت به زندان انتقال داده می شد، پدر مقتول (فلاحی) با اسلحه کلاشینکف به سمت محیط بان نجفی شلیک کرد و او را کشت.




رتبه‌های زیر ۱۰۰ و در بعضی موارد زیر ۵۰ اگر رشته‌های خاصی که متقاضی کمتر دارد را به‌عنوان رشته تحصیلی خود انتخاب کنند، توسط معاونت علمی و فناوری ریاست جمهوری به آنها حقوق داده خواهد شد که تا پایان تحصیل ادامه دارد.


البته توسط آگاهی دستگیر شد با اشتراک گذاری و Share در فضای مجازی



نیکی نصیریان




















اختلافش منهای سینوس



اندازه کمان ها در قسمت بریده شده قطعه ای از زانوئی با زاویه ۲۲ درجه (Elbow Cut Out)



لطفا در نظر سنجی شرکت کنید


لینک زیر اپلیکیشن اندروید برای محاسبه اندازه های شابلون دامی ساپورت ، مایتر لوله ، زانوئی چند تکه از لوله ، برش ار زانوئی با زاویه دلخواه ، شلوارک و حداقل ضخامت فلنج تست ارائه گردیده بصورت فقط اشتراک ۳ ماهه و مبلغ معین و مناسب اشخاصی است که همیشه با مایترکاری سرو کار دارند و نه  بصورت مقطعی و آزمایشی .


pip_001 






Elbow 32" 90LR t9.525

Cut Out 

22 Degree

24 Division (Dia-t)












تبلیغ منافی عفت ( بستنی دو مینو ) 










https://dailyfootball.tv/113977/dancing-in-tehran-metro/













بلافاصله خدام آستان به سراغ این افراد ( صوفی ) رفته و آن‌ها را به بیرون هدایت می‌کنند. ممنوعیت خواندن با صدای بلند در حرم سبب جلوگیری خادمان از اقدام این افراد شد که تصاویر دوربین‌های مدار‌بسته حرم این موضوع را تأیید می‌کند


حتی خود امام رضا هم راضی نیست از افرادی که با صدای بلند موجبات آزار و اذیت دیگران را فراهم ساخته یا آلودگی صوتی ایجاد می نُمایند ( هر چند در داخل صحن مطهر در حالت عادی هم سرو صدا وجود دارد ) چون حق الناس است و صوفیان بر این امر واقف نبودند ... البته به ملت فیلم بگیر همیشه در صحنه خودمون هم توجه نمائید چیزی که در زمان قدیم وجود نداشت.





پخش زنده جام جهانی  : 


به‌تازگی فهرستی از ۱۰۱ کشور دنیا در چند سایت آسیایی و اروپایی منتشر شده که حق‌ پخش قانونی بازی‌های جام‌ جهانی را خریداری کرده و از طریق بعضا یک تا سه شبکه مختلف، این بازی‌ها را برای علاقه‌مندان پخش می‌کنند.

قسمت خبرساز ماجرا این است که در این بین اسمی از ایران دیده نمی‌شود! در فهرست منتشرشده، اسم یکی از شبکه‌های تلویزیونی افغانستان هم دیده می‌شود که حق‌ پخش را دارد ولی اسم شبکه سه و ورزش ایران دیده نمی‌شود.

افغانستان در شرایطی برای پخش زنده بازی‌های جام جهانی اقدام کرده که اخیرا خبری مبنی بر نارضایتی طالبان از پخش بازی‌های جام جهانی در این کشور منتشر و ادعا شده که آنها این بازی‌ها را مصداق لهو و لعب می‌دانند.


به نظر شما مملکت داریم ؟ چقدر رانت چقدر نفوذ؟؟ مطلب زیر را بخوانید ...


<<بسمه تعالی>>

کانون تسهیل صدور مجوز کسب و کار یکی از مترقی‌ترین قوانین مصوب مجلس یازدهم و دستاوردی بزرگ در راستای تأمین منافع مردم است، همان طور که حمایت از حقوق ملت و مقابله با انحصارها همواره مورد تأکید حضرت آیت‌الله محسنی‌اژه‌ای ریاست محترم دستگاه قضا قرار داشته یکی از محورهای اصلی قانون مذکور نیز القاء انحصارات حقوقی و افزیش سطح دسترسی عموم جامعه به خدمات حقوقی قرار گرفته است. اقدام شایسته مرکز وکلا و کارشناسان رسمی مشاوران خانواده قوه قضائیه در اجرای پیش از موعد داوطلبانه قانون تسهیل صدور مجوز کسب و کار در آزمون فوق‌العاده کارآموزی وکالت نیز می‌توانست گام نهایی در تحقق منافع مردم باشد، اما متأسفانه شیرینی این اقدام با تعویق چند باره زمان اعلام نتایج به تلخی مبدل شده و موجی از نگرانی را در بین داوطبان این آزمون ایجاد کرده است.

ما نمایندگان مجلس یازدهم ضمن محکوم کردن این اقدام بار دیگر بر لزوم اجرای دقیق قانون تاکید کرده و مجریان را از هر گونه تفسیر به رای بر حذر می‌داریم، لذا با توجه به مرّ ماده ۵ قانون تسهیل صدور مجوزهای کسب و کار و مشروح مذاکرات صحن علنی مجلس شورای اسلامی، پذیرفته شدگان آزمون کارآموزی وکالت باید بر مبنای نمرات تراز طی مراحل مقتضی به مراجع صدور مجوز مربوطه معرفی گردند.


آورده مسکن ملی تیر ۱۴۰۱


بر این اساس طبق اعلام شرکت عمران شهر جدید پرند متقاضیان باید طی ۸ مرحله ۳۲۰ میلیون تومان آورده خود را واریز کنند. به عبارت دیگر متقاضیان باید هر مرحله ۴۰ میلیون تومان به حساب مسدود شده خود نزد بانک مسکن واریز کنند. طبق اعلام شرکت عمران پرند، مبلغ آورده متقاضیان "علی‌الحساب" است، یعنی احتمال افزایش آن در آینده وجود دارد.

 رستم قاسمی وزیر راه و شهرسازی هفته گذشته در حاشیه آغاز عملیات اجرایی ۱۵ هزار و ۴۸۰ واحد نهضت ملی مسکن در چیتگر با اشاره به اینکه تاکنون ۷۰ درصد زمین ۴ میلیون مسکن نهضت ملی شناسایی شده است، گفته بود: امروز یک میلیون و ۴۰۰ هزار واحد نهضت مسکن ملی آماده بارگذاری است.

اول ۲۰۰ میلیون اعلام شد ولی با تورم ۵۷ درصدی به ۳۲۰ میلیون افزایش یافت


200,000,000+60%=320,000,000


یعنی حقوق کارگر صفر نسبت به سال قبل ۵۷ درصد بهش اضافه و تعیین شده ، حضرات انقلابی وزارت 60 درصد به ۲۰۰ میلیونی تخمینی سال 1400 که خودشون اعلام کرده بودن اضافه نُمودند  ... خودتون قضاوت کنید نه رهبری به فکره و نه آیت الله رئیسی !!!



متن سؤال و جواب منتشرشده به این شرح است:

سؤال: سال‌های قبل جهت انجام فریضه حج ثبت‌نام کردم. آیا جایز است از تشرف انصراف داده و کل هزینه حج را جهت خرید جهیزیه فقرا هزینه نمایم؟

جواب: اگر مستطیع هستید، بر شما واجب است که به حج مشرف شوید؛ هرچند بسیار شایسته است به‌مقدار توان، برای جهیزیه فقرا نیز کمک کنید.


تیر ۱۴۰۱ و سرزمین وحی


بانوی زائر مینابی هنگام اعزام به سرزمین وحی هیچ گونه بیماری زمینه ای نداشت و بعد از ورود به شهر مقدس مکه هم از حال عمومی و جسمانی خوبی برخوردار بود، اعمال عمره را به درستی انجام داد، چندین جلسه هم در مسجد الحرام حضور داشت، طواف مستحبی را هم انجام داد، روز (شنبه چهارم تیر ۱۴۰۱) در حلقه قرآن هتل محل اسکان زائران قشمی بود که هنگام شرکت در نماز جماعت بانوان در حالت رکوع در اثر حمله قلبی متاسفانه جان به جان آفرین تسلیم کرد.



قاچاقچیان انسان و بی پولی سفارت سریلانکا در ایران واقعا جالبه


قاچاقچیان انسان، مهاجران جویای کار سریلانکایی را به بهانه رساندن به اروپا به ایران آورده و پس از گرفتن تقریبا تمامی پول و مدارک، آنها را در مناطق مرزی ایران و ترکیه رها کردند. این مهاجران حالا دیگر مال‌باخته، نه راه پس داشتند و نه راه پیش، بنابراین راهی تهران شدند تا با مراجعه به سفارت کشورشان راهی برای رهایی پیدا کنند، غافل از اینکه سفارت سریلانکا در تهران به دلیل مشکلات عدیده اقتصادی، توانایی ارائه کمک مالی به این در راه ماندگان را ندارد.





اسرائیل در پشت حمله به صنایع فولاد ایران؟

گزارش تازه نیویورک تایمز با استناد به اظهارات مقام‌های آمریکایی و اسرائیلی در حالی منتشر شده است که اوایل خرداد امسال روزنامه "یدیعوت آحارونوت" نوشت نهادهای اطلاعاتی این کشور از انتشار گزارش روزنامه نیویورک تایمز مبنی بر اینکه اسرائیل در مورد ترور حسن صیاد خدایی به آمریکا اطلاع‌رسانی کرده، رنجیده و خشمگین هستند. ده روز پیش نیز شبکه تلویزیونی خبری سی‌ان‌ان گزارش داد که اسرائیل همزمان با گسترش عملیات خود علیه صنایع و افراد مرتبط با برنامه‌های هسته‌ای، موشکی و پهپادی ایران، برخلاف روال معمول دولت آمریکا را در "بی‌خبری گذاشته است."

خَیِّر: اسکان زوج های جوان


تخریب خانه شماعی زاده در ۹ تیر 1401


بهمن بابازاده خبرنگار موسیقی در توئیتر نوشت: خانه ‎حسن شماعی زاده در تهران ‎تخریب شد. به او گفته شده که دادگاه این حُکم را بدلیل شغل کثیف خوانندگی در قبل از انقلاب به فرزندانش اعلام کرده است. حسن شماعی‌زاده خواننده مقیم لس‌آنجلس می‌گوید همسرش این خانه را با ارث پدری برای فرزندانش ساخته بود، و نسبت به مصادره و تخریب خانه اعتراض کرده است. شماعی‌زاده می‌گوید که این خانه موقعی مصادره شد که فرزندان او «صغیر» بوده‌اند و به این بهانه که درآمد کار او در به زعم نهادهای اسلامی «حرام» است. او اما می‌گوید که هنگام ساخت خانه او از این کار بازنشسته شده بود.



بخش امنیتی - استخباراتی حشدالشعبی نیز اعلام کرد که در گوشی همراه ضرغام ویدیوهایی یافته است که دست داشتن او در این جنایت تکان دهنده را نشان می‌دهد و همچنین اعتراف کرده که قبرهای جمعی از شهدا وجود دارد که هنوز کشف نشده است.

اواسط ژوئن ۲۰۱۴ (خرداد ۹۳) عراق شاهد یکی از فجیع‌ترین جنایت‌ها در تاریخ معاصر بود؛ یک هزار و ۷۰۰ جوان از اهالی استان‌های شیعه نشین جنوب و مرکز عراق در کاخ‌های صدام، دیکتاتور پیشین حاکم بر عراق در شهر تکریت واقع در شمال بغداد، سربریده یا به صورت جمعی تیرباران شدند.






۱۱ تیر ۱۴۰۱ : به گزارش اقتصادنیوز به نقل از ایلنا، براساس اخبار رسیده، حجت الاسلام سید محسن اخوان در ساعات ابتدایی امروز برای اقامه نماز جماعت صبح به مسجد بقیة الله(عج) خیابان برازنده اصفهان مراجعه می کند که در هنگام بازگشت، راکب موتورسیکلتی با اسلحه به سمت او شلیک کرد که البته خوشبختانه آسیب جدی به این روحانی نرسید.


خادمین حرم مطهر رضوی از مشهد به تهران عازم شدند تا با همکاری دبیرخانه کانون‌های خدمت رضوی استان تهران همزمان با اول ذیحجه و در سالروز ازدواج امام علی(ع) و حضرت فاطمه زهرا(س) در ساعت ۸ شب به وقت عاشقی در جشن ازدواج آنان حضور یافته به طوری که تمامی مهمانان و حاضرین از این ماجرا غافلگیر شدند و دامادی که اشک شوقی به پهنای صورت می‌ریخت زیر لب از امام رئوف بابت قبولی این دعوت و آمدن خدام تشکر می‌کرد.

سفیران امام رضا(ع) این محفل را مزین به ذکر صلوات خاصه کردند و دو انگشتر عقیق یمنی، یک جلد قرآن کریم و ...


هشت سال داشت که برای برداشتن آب از آب‌ بند غرق شد. این حکایت یکی از ده‌ها کودکی است که در اصطبل و گاوداری زندگی می‌کنند. نه آب دارند نه برق. جایی که تا مرکز شهر اصفهان کمتر از ۱۰ دقیقه فاصله دارد. اینجا ارزان‌ترین سرپناهی است که پیدا کرده‌اند. اما همین اصطبل و گاوداری هم ۱۰ تا ۱۵ میلیون رهن می‌خواهد و ۱٫۵ تا دو میلیون تومان اجاره.....


ظهور شر خر ها در جمهوری اسلامی تیر ۱۴۰۱ ... حاصل شغل های کاذب در تورم و گرانی ... به گوش باشید و به هوش و مطلع کنید قوه قضائیه را.



محمدرضا خباز گفت: کمر مردم زیر بار تورم، این فشارهای اقتصادی و گرانی ها شکسته است اما مجلس سکوت کرده و با سکوتش دارد عملکرد نامناسب دولت را تأیید می کند. از این مجلس اصلا نباید انتظار استیضاح داشت چون توان، قدرت و استقلال لازم برای این کار را ندارد.











































شیب ( Slope ) در لوله کشی صنعتی





900.286=89.714 Degree

length from elbow (center) to elbow (center) : 5,357mm


 عدد طول در تصویر از مرکز البو تا البوی بعدی داده شده  5357mm برای محاسبه کاهش ارتفاع طول را در 0.005 ضرب می کنیم یعنی در هر 1000mm باندازه 0.005mm کاهش ارتفاع یا افزایش ارتفاع داشته آنهم از سنتر البو !!!


در شکل زیر Run یا قائده بیست متر انتخاب شده و شیب نیز نسبت 1 به 150 در نتیجه Rise یا بلندی عدد 133.33 ( میلیمتر ) بدست آمده --> یعنی 20 متر ( 20000 میلیمتر ) در یک به 150 

طول یا Length : 

((20,000^(2)+133.33^(2)))÷1,000=20 متر




چنانچه مطلب مفید بود لطفا نظر دهید و کامنت بگذارید.








شابلون دامی و برنچ ... شلوارک و زانوئی چند تکه ( مایتر زانویی )

این مطلب توسط نویسنده‌اش رمزگذاری شده است و برای مشاهده‌ی آن احتیاج به وارد کردن رمز عبور دارید.

شابلون برنچ لوله ( نحوه ساخت وای پیس ) ، دامی ساپورت و انشعاب روی ردیوسر هم مرکز





اندازه  طول های cut back ( عقب نشینی ) برای لوله با زاویه 45 درجه روی ورق تخت :


بزرگترین طول که می بایست ازسنتر بالای لوله عقب نشینی کرد :     

ورق تختی را تجسم کنید و لوله تختی را بصورت ۴۵ درجه روی آن فرض کنید که از سمت چپ به ورق متصل خواهد شد . برای محاسبه بزرگترین طول روی سنتر بالا ،  مثلث قائم الزاویه ای داریم که ضلع مجاور میشود فاصله از لب تخت لوله تا سطح ورق تخت با زاویه  ۴۵ درجه ( مجهول ماست ) و زاویه بین ضلع مجاور و سطح ورق ۴۵ درجه می شود . ضلع روبروی زاویه میشود قطر داخلی لوله ..... فرمول تانژانت آلفا برابر است با ضلع مقابل به مجاور ... وتر می شود سطح روی ورق تخت 


TanA=ضلع مجاور / ضلع مقابل

ضلع مقابل=ضلع مجاور / TanA

چون تانژانت 45 درجه یک است پس به اندازه قطر داخلی لوله از سنتر بالا عقب نشینی می کنیم طول عقب نشینی سنتر طرفین میشود یک دوم قطر داخلی و سنتر پائین هم عقب نشینی ندارد و صفر است.( در بالا 4 سنتر فرض شد دو تا بالا و پائین و دو تا در طرفین.


روش بدون فرمول ، لوله را چهار سنتر کنید و از نقاط سنتر خطوط راست و موازی به عقب بکشید ،  لوله را بصورت 45 درجه به ورق تخت جوش دهید . یک الکترود روی خط راست هر  سنتر بگذارید و به سمت ورق حرکت دهید تا نوک الکترود به سطح ورق تخت برخورد کند با متر از نوک الکترود تا لب تخت لوله را اندازه بگیرید یا علامت بزنید ( اگر متر نبود حتی با عرض معذرت با خیس کردن توسط دهان ) و به خط راستی که برای آن سنتر کشیدید منتقل کنید. ( برای بدست آوردن خطوط راست در سنتر از دو یا سه محل از لوله چهار سنتر کنید و بهم متصل کنید تا دقیق بدست آید) روش سنتر کردن هم بدین صورت است که یک تراز دقیق رابغل لوله بصورت عمود قرار میدهید و متر را هم روی سطح لوله ، نصف قطر خارجی میشود سنتر بالا . برای طرفین هم میشود لوله راچرخاند یا از فرمول محیط دایره تقسیم بر تعداد نقاط استفاده کرد مثلا اگر قطر خارجی 168.3 باشد فاصله بین سنترها در روی لوله میشود عدد تقریبی 13 سانتی متر و 2 میل ( قطر خارجی در عدد پی تقسیم بر 4 ) البته توصیه میشود یک ضخامت از قطر خارجی کم شود و بعد ضرب و تقسیم انجام شود.




گسترش برنچ با زاویه  ( دارای انحراف یا offset  از مرکز )


در تصویر زیر سنتر رایزر و هدر با هم اختلاف دارند ( به بیان دیگر رو ی هم نیستند ) . همینطور که درشکل مشاهده میشود با توجه به اینکه خط 4 بزرگترین طول  در این گسترده است و به مرکز هدر برخورد کرده انحراف سنتر رایزر و هدر همان اختلاف قطرها تقسیم بر 2 است.


در تصویر ، سمت راست ،  خطوط تقسیمات دایره رایزر عمودبر دایره هدر رسم شده و نقاط برخورد به سمت چپ تصویر بصورت افقی کشیده شده ، خطوط تقسیمات در دایره سمت چپ تصویر بصورت زاویه دار به سمت هدر رسم شده ،  نقاط حاصل از برخورد خطوط در هدر به ترتیب بهم متصل شده تا طول ها حاصل شوند.








گسترش برنچ 


دایره به 12 قسمت تقسیم شده یعنی زوایا نسبت به هم 30 درجه هستند 30=12÷360







در تصویر پائین طول ها برای برنچ ۴۵ درجه داده شده البته بیان نشده اندازه اصلی روی نقشه از بالای رایزر تا سنترهدر در نظر گرفته شده یا بصورت ارتفاعی ( از سنتر رایزر عمود بر سنتر هدر ) ولی برای گرفتن اندازه های واقعی می توانید طول ردیف 9 را ( 191mm) از سایر ردیف ها کم کنید.در لترال 6 × 24 45 درجه استاندارد بالاترین طول 154=191-345  است.


چنانچه اندازه در نقشه از سنتر رایزر تا سنتر هدر بصوت ارتفاعی داده شده باشد مثل تصویر بالا ، ادامه خط قرمز 8/4 تا سنتر هدر ، که در اینصورت عدد 494 بدست آمد. یک خط از شماره 12 به روی هدر رسم می کنیم اندازه آن چیست ؟ یک خط از 12 به شماره 11/1 متصل می کنیم اندازه آنرا بدست می آوریم ( وتر میشود همان 77 یعنی نصف ID رایزر که در سینوس 45 درجه ضرب میکنیم تا این اندازه بدست آید)  و اندازه فاصله نقاط برخورد رایزر  روی هدر را نیز بدست می آوریم ( سمت راست تصویر ) که در مورد گفته شده این فاصله نصف OD هدر است این اندازه هارا از 494 کم کرده و بر سینوس 45 درجه تقسیم می کنیم ( مثلث قائم الزاویه ای بوجود می آید ، وتر مجهول است زاویه بین وتر و قائده 45 درجه است ارتفاع هم کسر نصف OD هدر و نصف ID رایزر در سینوس 45 برابر 54.44 از عدد 494 و  نهایتا تقسیم عدد حاصله بر سینوس 45 برابر 190.91 و گرد می کنیم که 191mm می شود( ردیف 9 در ستون لترال 45 درجه ).در این مورد کوچکترین طول بدست آمد. برای بزرگترین طول ، عدد اول یعنی 54.44 چون در ربع دوم است منهای 54.44 میشود. 304.8-(54.44-)-494 و عدد حاصله تقسیم بر سینوس 45 که عدد 344.56 بدست آمد ، گرد رو به بالا می کنیم میشود 345 عدد ردیف یک ( بزرگترین طول )  در ستون لترال 45 درجه 24x6STD.







Flat-Pattern-Bend-Calculator


وای پیس یا استوانه مایل روی استوانه افقی :




در تصویر زیر R قطرخارجی هدر ، d قطر داخلی رایزر ، زاویه  ۴۵ درجه است  و انشعاب بصورت STUB-ON متصل می شود.



استوانه مایل روی استوانه افقی با انحراف از مرکز :




استوانه عمود بر سنتر زانویی : 



در تصویر زیر محاسبه اشتباه انجام شده چون از 2D استفاده کرده که برای سایز 14 و بالاتر استفاده میشود


در تصویر زیر نیز محاسبات برای دامی ساپورت سنتر به سنتر 24 در 18 با ضخامت 8 میل و 20 سنتر متفاوت هستند. سمت چپ تصویر، اپلیکیشن خارجی است که قابل اعتمادتر است و محاسبات مثل سایراپلیکیشن های ساخته شده می باشد  و سمت راست اپلیکیشن ایرانی.



محاسبه اندازه ها در دامی ساپورت 24 در 18 با ضخامت STD یا 9.525 میل و 24 سنتر با اپلیکیشن و سایت ، مقایسه کنید با اپلیکیشن گروه نصیر !!!

fabricatorguide.com


support calculator_2.6.7_free


شکل زیر اندازه طول ها برای دامی ساپورت 24 در 18 با ضخامت 8 میل و در سنتر یکدیگر ، با گروه نرم افزاری نصیر زمین تا آسمان فرقش است.








DUMMY (CENTER) 8"/10" × 6 STD (7.11) :


در تصویر زیر در input data اولین ردیف ، شامل داده های زانوئی ۹۰ درجه لانگ است یعنی R ( اندازه سنتر زانوئی ) و کنار آن قطر خارجی - دومین ردیف مربوط به لوله ، اطلاعات ضخامت و قطر خارجی لوله.






در تصویر زیر اندازه ها برای دامی ساپورت نوع سنتر به سنتر با سایز 2  اینچ s80 است که زیر البو 3 اینچ 90LR نصب می شود اندازه های آیتم 9 ببعد همان اندازه های 7 تا 1 است 




محاسبه در تصویر زیر کار بسیار ساده ای نیست ولی می توان در ذهن تجسم نمود.ساپورتی که نسبت به سنتر Offset دارد و همینطور از بغل البو.( البته محاسبات در این نوع موارد و نیز سایر موارد مثل نصب ساپورت در شعاع داخلی یا بیرونی زانوئی نیازمند پرداخت پول است تا به سایر آپشن ها دسترسی پیدا کنید ).فقط محاسبه ساپورت سنتر به سنتر البو رایگان بود که اعداد یکسری از سایزها با تصویر نشان داده شد.



در تصویر پائین و قست اول آن همانطور که ملاحظه می کنید گویای این است که R  تغییری نمیکند و فقط در سطح افق لوله و زانوئی باهم Offset  یا انحراف از مرکز دارند.( یعنی لوله دقیقا سنتر به سنتر زانویی می خورد از نظر ارتفاعی ولی از نظر سطحی به Side یا بغل البو مماس می شود.اینها کلا STUB-ON کار می شوند بهمین خاطر ID لوله و OD زانویی استفاده می شود.



برای بدست آوردن اندازه های طول دامی با سنترهای مختلف ( 8 ، 16 ، 24 و .... ) دو نمای روبرو  ( بعنوان وتر مثلث قائم الزاویه ) و جانبی ( بعنوان قائده ) کمک بسیار خوبیست حتی برای تصویر بالا یا دامی در موقعیت های مختلف.


نمای روبرو برای بدست آورن وتر : شعاع زانوئی  که با اندازه ی نصف قطر آن تا عمق خط رایزر در هدر یا SD جمع میشود مثل ( رایزری که روی هدر بصورت قائم قرار میگیرد ) 


نمای جانبی برای بدست آوردن قائده : شعاع زانویی که طول اندازه تقسیمات دایره از آن کسر میشود


در تصویر بالا که نام آن ECCENTRIC در CENTER زانوئی است در نمای روبرو فرض کنید رایزریست که بصورت قائم به بغل لوله هدر میخورد یعنی دایره هدر را می کشید و دایره رایزر نیز بالاتر از آن بطوریکه به هدر مماس شود یک آفستی بین سنتر رایزر و هدر بوجود می آید اگر دقیقا مماس باشد ، اختلاف میشود D-d)÷2) . این اختلاف در فرمول لحاظ میشود. در صورت در سنتر قرار گرفتن نمای جانبی همانست که توضیح داده شد و آفست در فرمولش نقشی نخواهد داشت ولی اگر دامی بالاتر یا پائین تر از سنتر البو قرار گیرد R حتما تغییر خواهد کرد و باید آفست در فرمول نماب جانبی کم یا زیاد شود.


البته بعد از محاسبه a ( مجهول ) ، این عدد از 2D ( برای البو با سایزهای بزرگتر از 14 ) و یا C+D/2 (  در البو با سایزهای کوچکتر از 12 اینچ ) کسر میگردد تا طول از زیر زانو تا اولین نقطه  برخورد روی البو بدست آید.






در تصویر بالا چون مماس به سمت راست دایره زانوئی است و در ربع اول قرار می گیرد ، E یا اختلاف دو سنتر یا آفست با rsin زاویه جمع می گردد


با تصویر زیربه راحتی می توانید اندازه ها را بدست آورید. به مثلث های قائم الزاویه توجه نمائید.a را بدست آورید و از سنتر + D/2 کسر کنید.این اندازه از زیر البو تا نقطه برخورد است.به نمای FRONT توجه کنید اگر قرار شد دامی شما در سنتر و به بغل یا طرفین البو نصب شودیا کمی شیفت به چپ و راست داشته باشد ( آفست ) رایزر را ( که در بالا ی دایره زانوئی و وسط است ، نمای جلو )  به سمت چپ یا راست رسم کنید و نقاط برخورد روی دایره بزرگتر را بدست آورید.از دایره قرمز ، پرگار را باز کرده و سوزن آنرا روی نقاط برخورد روی دایره زانوئی گذاشته و بچرخانید یک کمان ایجاد می شودکه به خطوط تقسیمات در سمت چپ تصویر که از رایزر می آید برخورد میکند نقاط برخورد مد نظر ماست.




در تصویر زیر اندازه ها برای  دو نوع دامی ساپورت نوع سنتر به سنتر و دامی غیر هم مرکز در سنتر داده شده ( تقسیمات : 16 سنتر ) چنانچه مطلب بازخورد داشت اندازه ها برای دو نوع دیگر یعنی قرار گرفتن در شعاع بیرونی و شعاع داخلی البو در زیر تصویر قرار داده خواهد شد .... ستون BOTTOM منظور این است که اندازه از زیر البو تا اولین نقطه که ZERO است محاسبه شده.



Dummy Support ( دامی ساپورت ) نوع inside radius  که در پشت شعاع خارجی زانوئی و هم راستای شعاع داخلی آن نصب می گردد.این نوع دامی مثل انواع دیگر در سنتر زانویی قرار گرفته و آفستی  ( خارج از مرکز ) بصورت منفی از شعاع دهانه زانوئی دارد.اگر از نمای بالا ببینید و روی کاغذ رسم کنید دو دایره مشاهده می کنید یکی بزرگتر که دایره زانوئی است و دیگری دایره رایزر که درست در سنتر و پائین دایره رایزر بر دایره زانوئی مماس شده.





 



در تصویر زیر طول خام کل لوله 2 اینچ ( البته Gap بین دو اتصال برای جوش یا root opening لحاظ نشده و باید طبق wps کسر شود ) در آیزو یک متر و هشتاد سانتی متر داده شده . برای TAKEOFF این لوله گپ 3  میل در نظر گرفته شده و طول فلنج 73 میل است ( فرض شده که 418 میل اندازه از سنتر لوله 6 اینچ تا سنتر البو 2 اینچ 90 درجه لانگ است ) .نوع برنچ 90 درجه و STUB-IN کار می شود ( OD لوله 2 اینچ و ID هدر طبق شکل 4 و 5 استاندارد.


طول خام اولین نیپل اگر اندازه از سنتر 6 اینچ تا البو 2  اینچ برابر 418 میلیمتر باشد ، میشود 272mm ، نوع STUB-IN در نظر گرفته شد طبق شکل 4 یا  5 ( OD انشعاب و ID هدر )


طول خام دومین نیپل

439-(2×76+2×3GAP)=281mm

طول خام سومین نیپل

1139-(2×76+2×3GAP)=981mm

طول خام چهارمین نیپل

356-(76+73+2×3GAP)=201mm


272+281+981+201=1735mm






معمولا در آیزوها ابعاد و حتی ارتفاع از سنتر یک اتصال تا اتصال دیگر است ولی در بالا متراژ یک متر و هشتاد در TAKEOFF متریال بدست نیامد . چون GAP باید طبق WPS باشد لذا در آیزوها اندازه ها در پارت نامبر لوله با سایز مشخص ، بدون گپ داده شده و روی کار شما باید گپ ها را هم از اندازه خام بدست آمده کم کنید.





سوراخ برنچ لوله : Branch Hole







































راهنمای سازنده : رایزر - البو - دامی

این مطلب توسط نویسنده‌اش رمزگذاری شده است و برای مشاهده‌ی آن احتیاج به وارد کردن رمز عبور دارید.

نظر سنجی



دوستان فیتر و کارآموزان گرانمایه  لطفا در نظر سنجی که در منو است شرکت کنید.چنانچه ایرادی در یادداشت ها وجود دارد که احتمالش وجود دارد زیر همان مطلب نظر دهید و یا در صورت امکان اصلاح شده آن را بیان فرمائید. 



با تشکر 





شرکت در نظر سنجی



دوستان فیتر یا خوانندگان عزیز چنانچه مطالب برایتان راهگشا و مفید بود لطفا در نظر سنجی که در منو هست شرکت کنید و نکته نظرات خود را زیر هر مطلب مرقوم بفرمائید تا مورد بحث قرار گیرد توسط سایر دوستان متخصص در پایپینگ و جوش


باتشکر از حسن نظر شما سروران گرامی





ساخت Y Branch








محاسبه طول خطوط C لاین در شکل اول : 


فرض زاویه بین دو Branch در شکل پائین ( سنترلاین ها ) 90 درجه گفته شده 


زوایای محاسبه برای دو برنچ میشود درجه سنتر لاین به خط عمود بین دو برنچ که 45 درجه میشود نهایتا برای Header زاویه 45 درجه را تقسیم بر 2 می کنیم و میشود 22.5 درجه !!!


پس مثلث قائمی در نظر می گیریم Run میشود عددی بین صفر تا half OD ( بر اساس تقسیمات دایره که در اینجا برای 16 سنتر زوایا نسبت بهم 22.5 درجه یا 360 تقسیم بر 16 ) و Set یا خط C میشود تانژانت 22.5 درجه ضرب در عدد Run 


برای سایز 4 اینچ قسمت H : ( از صفر تا 90 درجه )

 کالمن 45 درجه در تصویر ستون C

300-277=23

291-277=14

284-277=7

279-277=2

277-277=0


که چهار سری این اعداد تکرار شده در تصویر 0  تا 180 و تا 360 درجه 


برای محاسبه دو قسمت مساوی Branch یکی از زوایا در یک طرف ( 0 تا 90 درجه ) را 45 درجه و دیگری را 22.5 درجه در نظر گرفته ( تا 180 درجه ) یا بالعکس 


اگر اعداد ستون L و 45 درجه را با اعداد ستون C مقایسه کنید اعداد 300 291 284 279 و 271 را می یابید پس کافیست همان فرمول تانژانت 22.5 درجه را به 45 درجه تغییر دهید و اعداد آن قسمت را به راحتی بدست آورید  و تانژانت 45 هم میشود یک 


245-245=0

249-245=4

261-245=16

279-245=34

300-245=55


البته در آیتم آخر نصف OD میشو 57 میل ( با توجه باینکه تانژانت 45 یک میشود و نصف قطر در آن ضرب شده ) ولی 55 حساب کرده واقعا آی دونت نو وای    !!! ممکنه نصف ضخامت هم از Half OD کم شده باشد



اندازه خطوط C برای سایز 3 اینچ ،  8 سنتر و ستون 45 درجه  طبق تصویر زیر 0 5 18 ( 22.5 درجه دو طرف )  و اندازه خطوط L برای برنچ ها یک طرف مثل بالا و طرف دیگر ( 45 درجه ) 


C:

182-182=0

187-182=5

200-182=18

L: ( طرف ۴۵ درجه )

200-200=0

200-169=31

200-157=43





یکی از راحت ترین محاسبات در Fabrication 


برش عالی مساویست با گونیا شدن زودتر 



دوستان گرامی اگر مطلب به دردتون خورد لطفا در نظر سنجی شرکت کنید 



چنانچه اصلاحی باید برای محاسبات انجام شود ، لطفا در نظرات اعلام نمائید و به اشتراک بگذارید








سایت راهنمای اندازه های ساخت fabricatorguide


دوستان فیتر از سایتی که در زیر داده شده می توانید برای فابریکیشن پایپینگ استفاده کنید البته در بیشتر جداول اندازه ها از نقطه صفر نیستند. ولی راهنمای خوبی برای شما عزیزان می باشد


در سایت زیر جداول راهنمائی  ارائه شده برای استفاده عموم و اکثرا در هر نوع آیتم ساختی ID بکار برده شده و ضخامت هم طبقه بندی SCH STD ،  یکی از اعداد در ستون های هر جدول کلید است که از مابقی اعداد ماقبل و بعدش کسر میشود تا  اعداد را از صفر داشته باشید ، اگر هم  اندازه اعداد نسبت به صفر برایتان اهمیتی نداشته باشد می توانید همان اندازه ها را بکار ببرید و اعداد کاملا قابل اطمینان هستند و صد در صد اجرایی منتهی با در نظر گرفتن SCH STD  و بصورت STUB ON است ( حتما در نظر داشته باشید )  اگر هم کتاب برایتان مهم باشد می توانید از همین سایت نسبت به تهیه آن اقدام کنید که البته ارزان هم نیست !!!


نکته دیگر در محاسبات جداول : 


( که بدست آوردنش روزها بطول انجامید و کار بسیار ساده ای هم نبود )


در جایی که البو بعنوان برنچ بصورت 90 درجه روی هدر استفاده شده در محاسبات هر دو قطعه OD و نیز  در اجرای سوراخ روی هدر برای برنچ ها که می بایست طول کمان بدست بیاید شعاع را در محاسبات شعاع هدر ولی منهای نصف ضخامت در نظر گرفته شده است.


https://fabricatorguide.com






<<برقرار باشید و بیاموزید آنچه را آموخته اید>>






دامی ساپورت در سنتر البو

این مطلب توسط نویسنده‌اش رمزگذاری شده است و برای مشاهده‌ی آن احتیاج به وارد کردن رمز عبور دارید.

نظر سنجی



دوستان فیتر عزیز چنانچه این بلاگ برای شما مفید بود لطفا Share  یا چنانچه موردی در فرمول ها وجود داشت در نظرات اعلام فرمائید

فرکانس 2 مگاهرتز در التراسونیک




- مشکل فرکانس ۲ مگاهرتز (طول موج بلند)

تخلخل یک عیب کروی و مدور است. طبق قوانین فیزیک صوت:

عبور موج: فرکانس ۲ مگاهرتز دارای طول موج بلندی (حدود ۱.۶ میلی‌متر در فولاد) است. اگر قطر حفره‌های تخلخل کوچک‌تر از طول موج باشد، امواج به سادگی از روی آن‌ها عبور کرده و هیچ بازتابی (اکویی) به دستگاه برنمی‌گردانند 


طول موج = سرعت صوت در قطعه / فرکانس پراب

3240000/2000000


حساسیت پایین:

این فرکانس برای عیوب تخت و بزرگ (مثل ترک) طراحی شده و در برابر تخلخل‌های ریز عملاً «نابینا» است


چرا AWS بر فرکانس ۲ مگاهرتز تاکید دارد؟

استاندارد AWS D1.1 به این دلیل فرکانس ۲ تا ۲.۲۵ مگاهرتز را الزامی کرده است که: فرمول محاسباتی (Indication Rating): محاسبات تعیین شدت عیب در AWS (فرمول \(D=A-B-C\)) بر اساس ویژگی‌های پرتو در این فرکانس طراحی شده است تا اثرات پخش بیش از حد پرتو یا تضعیف نامتعارف در فولادهای ساختمانی کنترل شود.
نفوذ در فولادهای کربنی: این فرکانس توازن بهینه‌ای بین قدرت نفوذ (برای عبور از دانه‌های درشت فولاد ساختمانی) و حساسیت (برای تشخیص عیوب بحرانی) ایجاد می‌کند.

انتخاب زاویه بر اساس ضخامت (Table 6.7 یا ۸.۷) : 
در استاندارد AWS D1.1، برای ضخامت ۳۰ میلی‌متر (که در بازه بیش از ۲۰ تا ۳۸ میلی‌متر قرار می‌گیرد)، استفاده از پراب ۷۰ درجه مجاز و طبق جدول انتخابی، برای اسکن بخش‌های بالایی، میانی و پایینی جوش توصیه شده است. 

AWS D1.1 2025
UT

8.24.4 Straight-Beam Testing of Base Metal.
Calibration for straight-beam testing of base metal shall be made with the search unit applied to Face A of the base metal and performed as follows:
8.24.4.1 Sweep
The horizontal sweep shall be adjusted for distance calibration to present the equivalent of at least two plate thicknesses on the display.
8.24.4.2 Sensitivity. 
The sensitivity shall be adjusted at a location free of indications so that the first back reflection from the far side of the plate will be 50% to 75% of full screen height.

8.24.5 Calibration for Angle-Beam Testing.
Calibration for angle-beam testing shall be performed as follows (see Annex G, G2.4 for alternative method).

8.24.5.1 Horizontal Sweep. 
The horizontal sweep shall be adjusted to represent the actual sound-path distance by using the IIW type block or alternative blocks as described in 8.22.1. The distance calibration shall be made using either the 5 in [125 mm] scale or 10 in [250 mm] scale on the display, whichever is appropriate. If, however, the joint configuration or thickness prevents full examination of the weld at either of these settings, the distance calibration shall be made using 15 in or 20 in [400 mm or 500 mm] scale as required. The search unit position is described in 8.27.2.3.
NOTE: The horizontal location of all screen indications is based on the location at which the left side of the trace deflection breaks the horizontal base line.

بر اساس استاندارد AWS D1.1 از سوراخ 1.5 میلیمتری بلوک V1 اکوی ماکزیمم گرفته می شود و سپس ارتفاع آن با دستکاری Gain  به 40 تا 60 درصد صفحه رسانده میشود و دسیبل خوانده شده بعنوان دسیبل مرجع با حرف b یادداشت میشود بعلت تضعیف صوت در قطعه طبق جدول ، 14 یا 20 دسیبل قبل از تست جوش به دسیبل مرجع اضافه میشود شروع به اسکن میکنید در صورت دریافت سیگنال اکو  اگر سیگنال از صفحه بیرون زده بود می توانید ارتفاع آنرا کم کنید ( منظور کم کردن  gain دستگاه ) و سپس  با حرکت مرسوم حداکثر ارتفاع را بگیرید ( البته چک کنید در نوار جوش افتاده شود با اندازه Ra یا فلش جلو در دستگاه ) ارتفاع آنرا به 40 تا 60 درصد صفحه برسانید دسیبل قرائت  شده را بعنوان حرف a یا نشانه عیب یادداشت کنید به یاد داشته باشید عدد Sa یا Sound path را نیز یادداشت کنید چون برای بدست‌ آوردن فاکتور تضعیف یا c مهم است.  بعد از تعیین نرخ عیب یا حرف d به سراغ اندازه گیری طول عیب بروید در حالیکه در ارتفاع 60 قرار دارد به چپ و راست جاروب کنید تا ارتفاع به نصف تقلیل یابد ( کاهش 6 دسیبل ) و از وسط پراب در محل جوش علامت بزنید ..برای اسکن مابقی طول جوش دسیبل دستگاه را به همان عدد b باضافه 14 یا 20 دسیبل قرار دهید ... طبق جدول در استاندارد AWS برای مسیر صوت تا 65 میلیمتر 14 دسیبل به دسیبل دستگاه اضافه میشود.



8.24.5.2 Zero Reference Level. 
The zero reference level sensitivity used for discontinuity evaluation (“b” on the ultrasonic test report, Annex O, Form O–11) shall be attained by adjusting the calibrated gain control (attenuator) of the  discontinuity detector, meeting the requirements of 8.21, so that a maximized horizontal trace deflection (adjusted to horizontal reference line height with calibrated gain control [ attenuator]) results on the display between 40% and 60% screen height, in confonnance with 8.27.2.4

8.27 .2.4 Amplitude or Sensitivity Calibration Procedure. 

The transducer shall be set in position A on the IIW type block (any angle). The maximized signal shall then be adjusted from the 0.060 in [1.59 mm] hole to attain a horizontal reference-line height indication (see Annex G, G2.4 for alternative method). The maximum decibel reading obtained shall be used as the "Reference Level, b" reading on the Test Repo1t sheet (Annex 0, Fom1 0-11) in confonnance with 8.22.1. 

8.25.6.3 Maximum Indication. 

When a discontinuity indication appears on the screen, the maximum attainable indication from the discontinuity shall be adjusted to produce a horizontal reference level trace deflection on the display. This adjustment shall be made with the calibrated gain control (attenuator), and the instrument reading in decibels shall be used as the “Indication Level, a,” for calculating the “Indication Rating, d,” as shown on the test report (Annex O, Form O–11).

8.25.6.4 Attenuation Factor. 

The “Attenuation Factor, (c),” on the test report shall be attained by subtracting 1 in [25 mm] from the sound-path distance and multiplying the remainder by 2 for U.S. Customary Units or by 0.08 for SI Units.
The factor (c) shall be rounded to the closest significant decimal place (0.1). Values less than 0.05 shall be reduced to the lower 0.1 and those of 0.05 or greater increased to the higher 0.1.

8.25.6.5 Indication Rating. 

The “Indication Rating, (d),” in the UT Report, Annex O, Form O–11, represents the algebraic difference in decibels between the indication level and the reference level with correction for attenuation as indicated in the following expressions:
Instruments with gain in dB: a – b – c = d
Instruments with attenuation in dB: b – a – c = d 
The indication rating shall be rounded to the nearest whole number (1 dB) value. Resulting decimal values less than 0.5 dB shall be rounded down and those of 0.5 dB or greater shall be rounded up.

8.25.7 Length of Discontinuities. 

The length of discontinuities shall be determined in conformance with the procedure described in 8.29.2.

هر ناپیوستگی غیرقابل قبولی می بایست همراه با طول و عمق روی قطعه نوشته شود.

8.25.9 Identification of Rejected Area. 

Each unacceptable discontinuity shall be indicated on the weld by a mark directly over the discontinuity for its entire length. The depth from the surface and indication rating shall be noted on nearby base metal.

سرجوش های مردود در تست التراسونیک می بایست با روش های مجاز در بند 7.25 تعمیر شوند و مجدد تست التراسونیک شوند.

8.25.10 Repair. 

Welds found unacceptable by UT shall be repaired by methods allowed by 7.25 of this code. Repaired areas shall be retested ultrasonically with results tabulated on the original form (if available) or additional report forms.

8.29.2 Angle-Beam (Shear) Testing. 

The following procedure shall be used to determine lengths of indications which have dB ratings more serious than for a Class D indication. The length of such indication shall be determined by measuring the distance between the transducer centerline locations where the indication rating amplitude drops 50% (6 dB) below the rating for the applicable discontinuity classification. This length shall be  recorded under “discontinuity length” on the test report. Where warranted by discontinuity amplitude, this procedure shall be repeated to determine the length of Class A, B, and C discontinuities. 

8.27.2 Shear Wave Mode (Transverse)

8.27 .2.1 Index Point. 

The transducer sound entiy point (index point) shall be located or checked by the following procedure:
 
(1) The transducer shall be set in position Don the IIW type block
(2) The transducer shall be moved until the signal from the radius is maximized. The point on the transducer which aligns with the radius line on the calibration block is the point of sound entiy (see Annex G, G2. l for alternative method).

8.27 .2.2 Angle. 

The transducer sound-path angle shall be checked or determined by one of the following procedures:
(1) The transducer shall be set in position B on IIW type block for angles 40° through 60°, or in position C on IIW type block for angles 60° through 70° (see Figure 8.16).
(2) For the selected angle, the ti·ansducer shall be moved back and forth over the line indicative of the transducer angle until the signal from the radius is maximized. The sound entiy point on the transducer shall be compared with the angle mark on the calibration block (tolerance± 2°) (see Annex G, G2.2 for alternative methods).

8.27.2.3 Distance Calibration Procedure. 

The transducer shall be set in position D on an IIW type block (any angle). The instmment shall then be adjusted to attain one indication at 4 in [100 mm on a metric block] and a second indication at 8 in [200 mm on a meti-ic block] or 9 in [225 mm on a metric block] (see Annex G, G2.3 for alternative methods).

8.27 .2.4 Amplitude or Sensitivity Calibration Procedure.

The transducer shall be set in position A on the IIW type block (any angle). The maximized signal shall then be adjusted from the 0.060 in [1.59 mm] hole to attain a horizontal reference-line height indication (see Annex G, G2.4 for alternative method). The maxinmm decibel reading obtained shall be used as the "Reference Level, b" reading on the Test Repo1t sheet (Annex 0, Fom1 0-11) in confonnance with 8.22.1.